GM Service Manual Online
For 1990-2009 cars only
Makes
🢒
Cadillac
🢒
2001
🢒
Catera
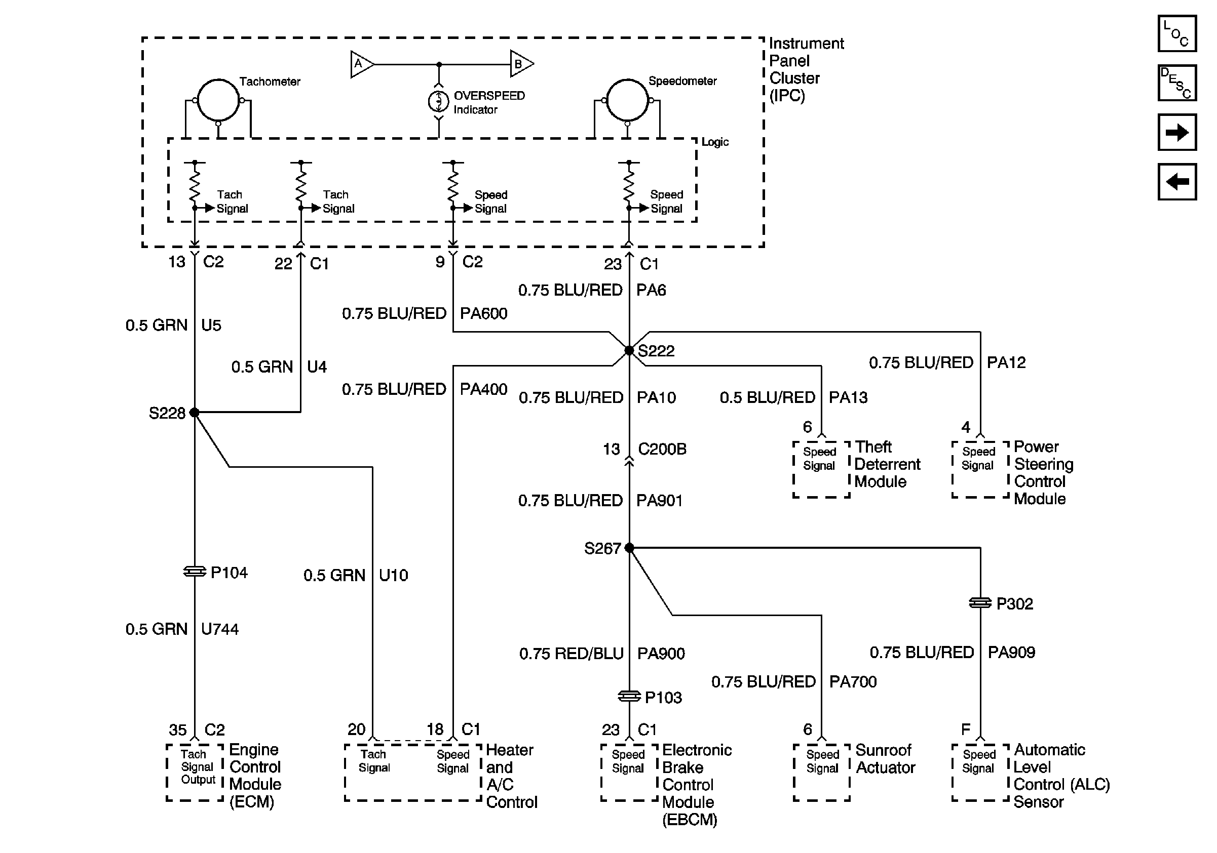
🢒 Tachometer, Speedometer and Overspeed Indicator
Tachometer, Speedometer and Overspeed Indicator
Tachometer, Speedometer and Overspeed Indicators
Master Electrical Component List
Indicator/Warning Message Description and Operation
Power, Ground, DLC, Turn Signal, Fog Lamp, Security, Rear Compartment Lid Release Open, High Beam Indicators and Back Lighting Lamps
Fuel, Coolant and Oil Gauges and Indicators
Fuel, Coolant and Oil Gauges and Indicators
Power, Ground, DLC, Turn Signal, Fog Lamp, Security, Rear Compartment Lid Release Open, High Beam Indicators and Back Lighting Lamps