GM Service Manual Online
For 1990-2009 cars only
Makes
🢒
Cadillac
🢒
2001
🢒
Catera
🢒 Turn Signal and Hazard Warning Switch and IPC Turn Indicators
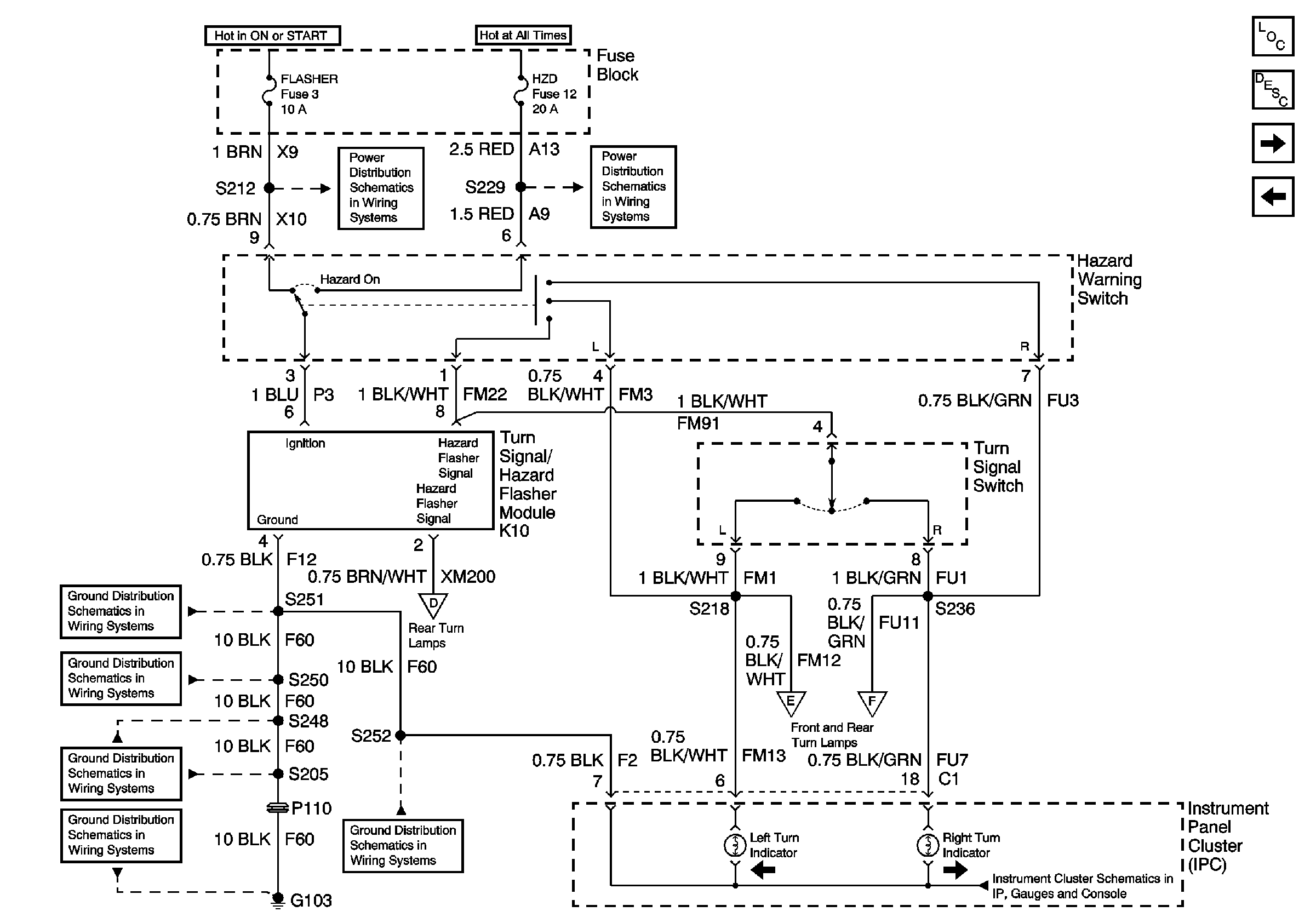
Turn Signal and Hazard Warning Switch and IPC Turn Indicators
Hazard Switch, Turn Signal Switch, and IPC Indicators
Master Electrical Component List
Exterior Lighting Systems Description and Operation
Turn/Hazard Lamps
Rear Parking Lamps
Underhood Fuse Block Fuses V1 and V4, and Ignition Switch
Underhood Fuse Block Fuse V5 and Fuse Block Fuses 6, 7, 20, and 25
Fuse Block Fuses 3, 13, and 19
Fuse Block Fuses 4, 12, 21, and 32
Turn/Hazard Lamps
Turn/Hazard Lamps
G103 (8 of 8)
G103 (7 of 8)
G103 (6 of 8)
G103 (1 of 8)
G103 (8 of 8)
Power, Ground, DLC, Turn Signal, Fog Lamp, Security, Rear Compartment Lid Release Open, High Beam Indicators and Back Lighting Lamps