GM Service Manual Online
For 1990-2009 cars only
Makes
🢒
Cadillac
🢒
2001
🢒
Catera
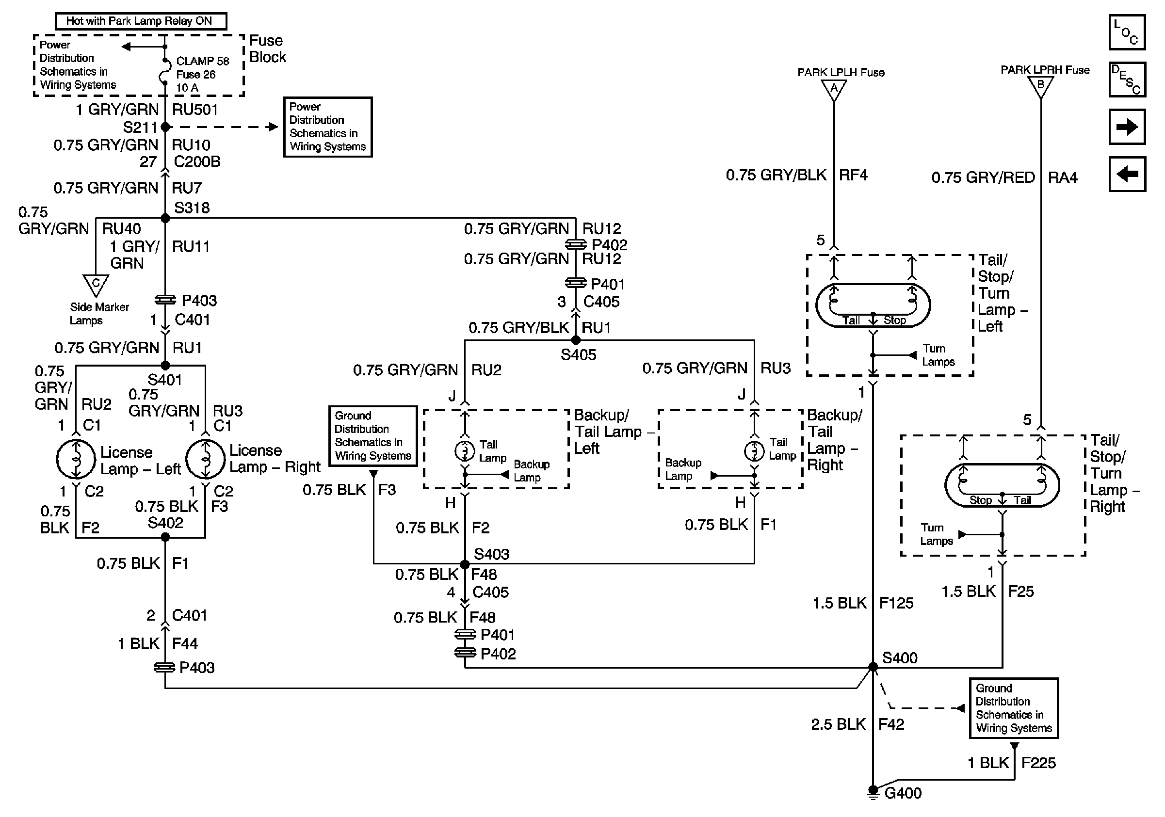
🢒 Rear Parking Lamps
Rear Parking Lamps
Tail/Stop/Turn Lamps, Backup/Tail Lamps, and License Lamps
Master Electrical Component List
Exterior Lighting Systems Description and Operation
Turn Signal and Hazard Warning Switch and IPC Turn Indicators
Front Parking Lamps
Park Lamp Relay and Headlamp Switch
Underhood Fuse Block Fuse V5 and Fuse Block Fuses 6, 7, 20, and 25
Fuse Block Fuse 26
Front Parking Lamps
Front Parking Lamps
Front Parking Lamps
Turn/Hazard Lamps
G400
Stop and Backup Lamps
Stop and Backup Lamps
Turn/Hazard Lamps
G400