GM Service Manual Online
For 1990-2009 cars only
Makes
🢒
Cadillac
🢒
2001
🢒
Catera
🢒 Page 1 of 2
Page 1 of 2
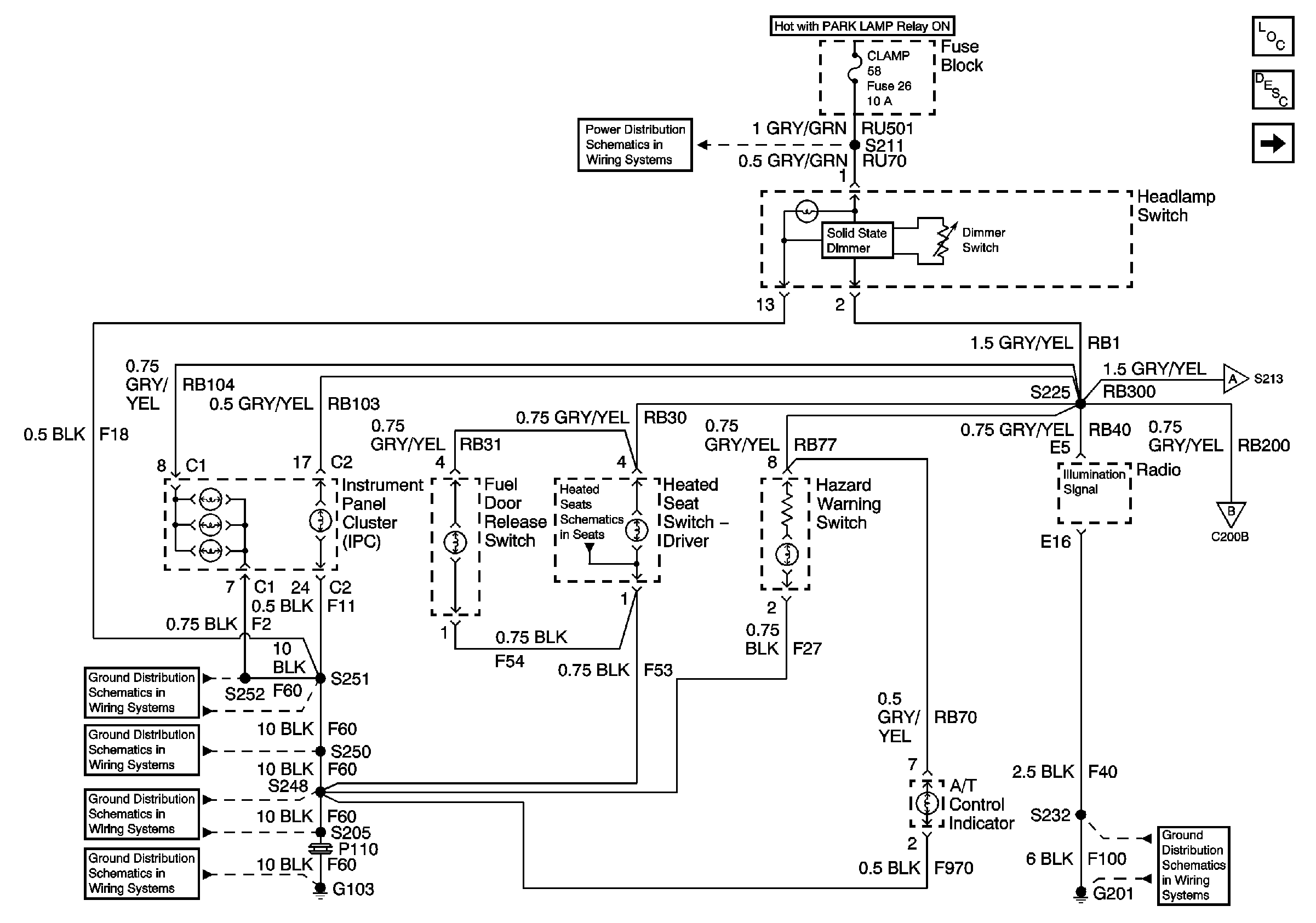
Instrument Panel, Fuel Door Release, Heated Seat, Hazard Warning, Radio, and A/T Control Indicator
Master Electrical Component List
Interior Lighting Systems Description and Operation
Page 2 of 2
Underhood Fuse Block Fuse V5 and Fuse Block Fuses 6, 7, 20, and 25
Fuse Block Fuse 26
Page 2 of 2
Heated Seats Front
Page 2 of 2
G103 (8 of 8)
G103 (7 of 8)
G103 (6 of 8)
G103 (1 of 8)
G201