GM Service Manual Online
For 1990-2009 cars only
Makes
🢒
Cadillac
🢒
2001
🢒
Catera
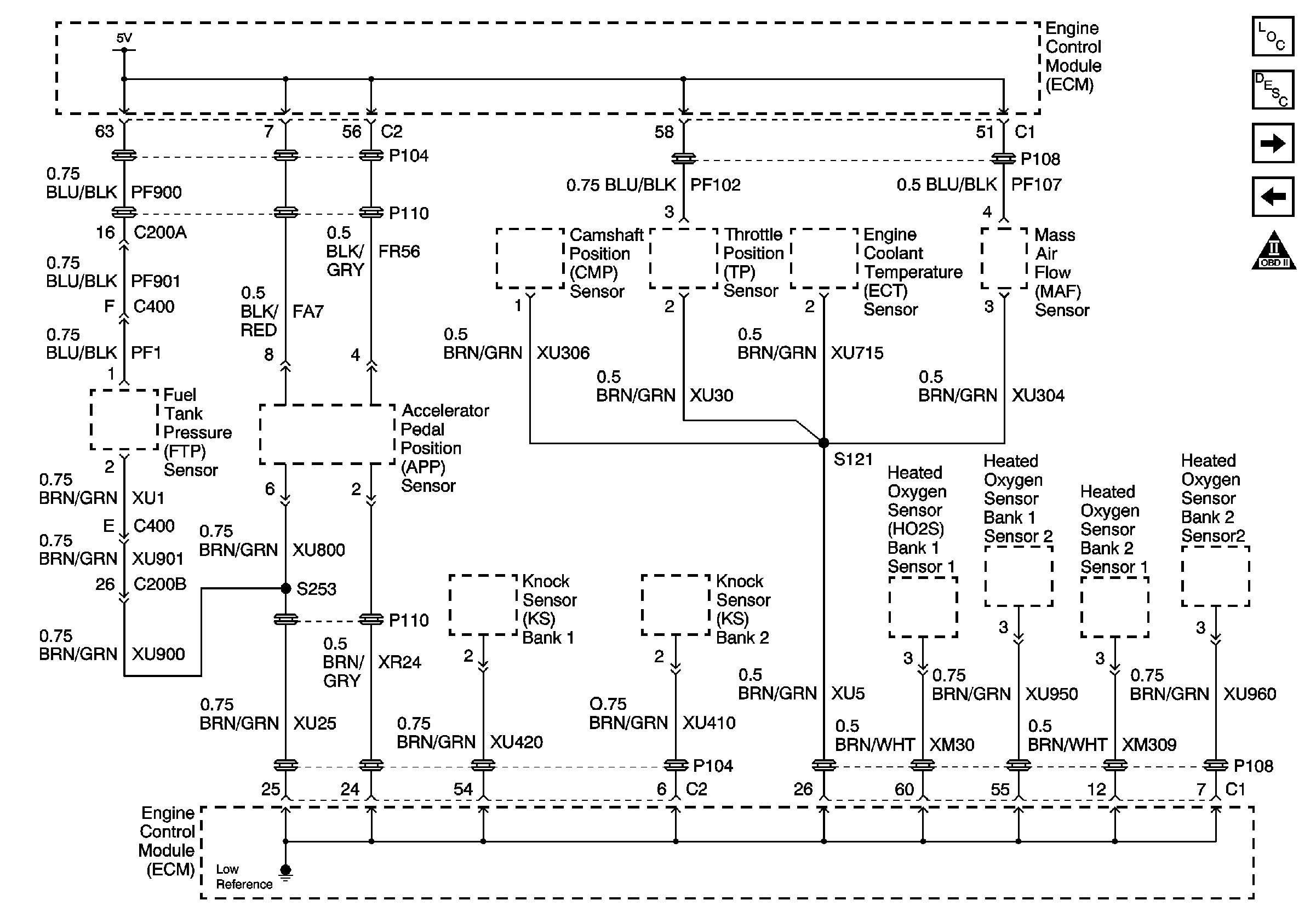
🢒 Engine Data Sensors - 5V and Low Reference
Engine Data Sensors - 5V and Low Reference
Engine Data Sensors - 5V and Low Reference
Master Electrical Component List
Electronic Ignition (EI) System Description
Engine Data Sensors - Pressure and Temperature
Engine Controls Power Relay
Engine Controls Schematic Icons