GM Service Manual Online
For 1990-2009 cars only
Makes
🢒
Cadillac
🢒
2001
🢒
Catera
🢒 Engine Data Sensors - Pressure and Temperature
Engine Data Sensors - Pressure and Temperature
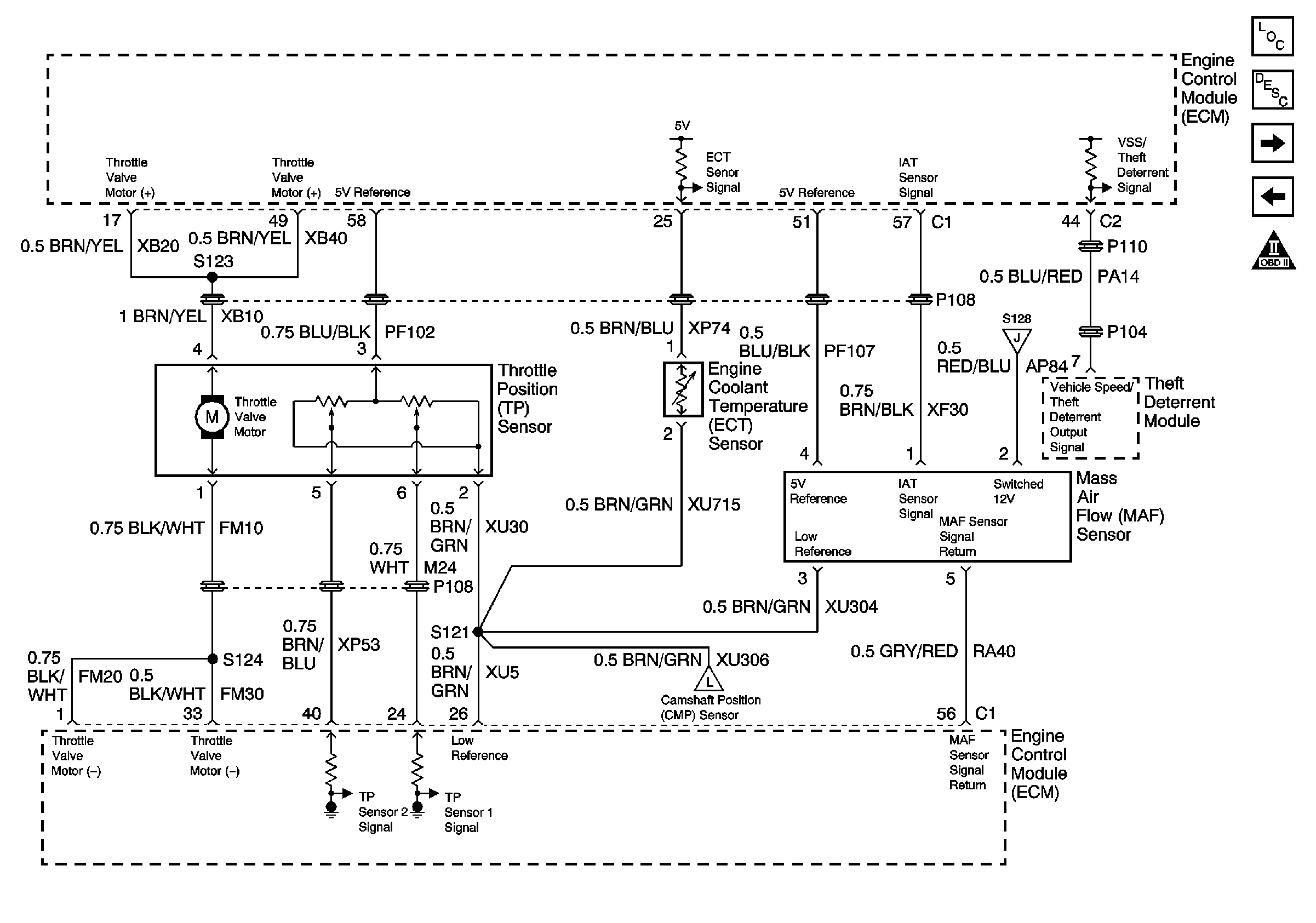
Theft Deterrent Module, Throttle Position, Engine Collant Temperature, and Mass Air Flow Sensors
Master Electrical Component List
Electronic Ignition (EI) System Description
Engine Data Sensors - HO2S
Engine Data Sensors - 5V and Low Reference
Engine Controls Schematic Icons
Engine Controls Power Relay
Ignition Controls - Sensors