GM Service Manual Online
For 1990-2009 cars only
Makes
🢒
Cadillac
🢒
2001
🢒
Catera
🢒 Fuel Controls - EVAP Controls
Fuel Controls - EVAP Controls
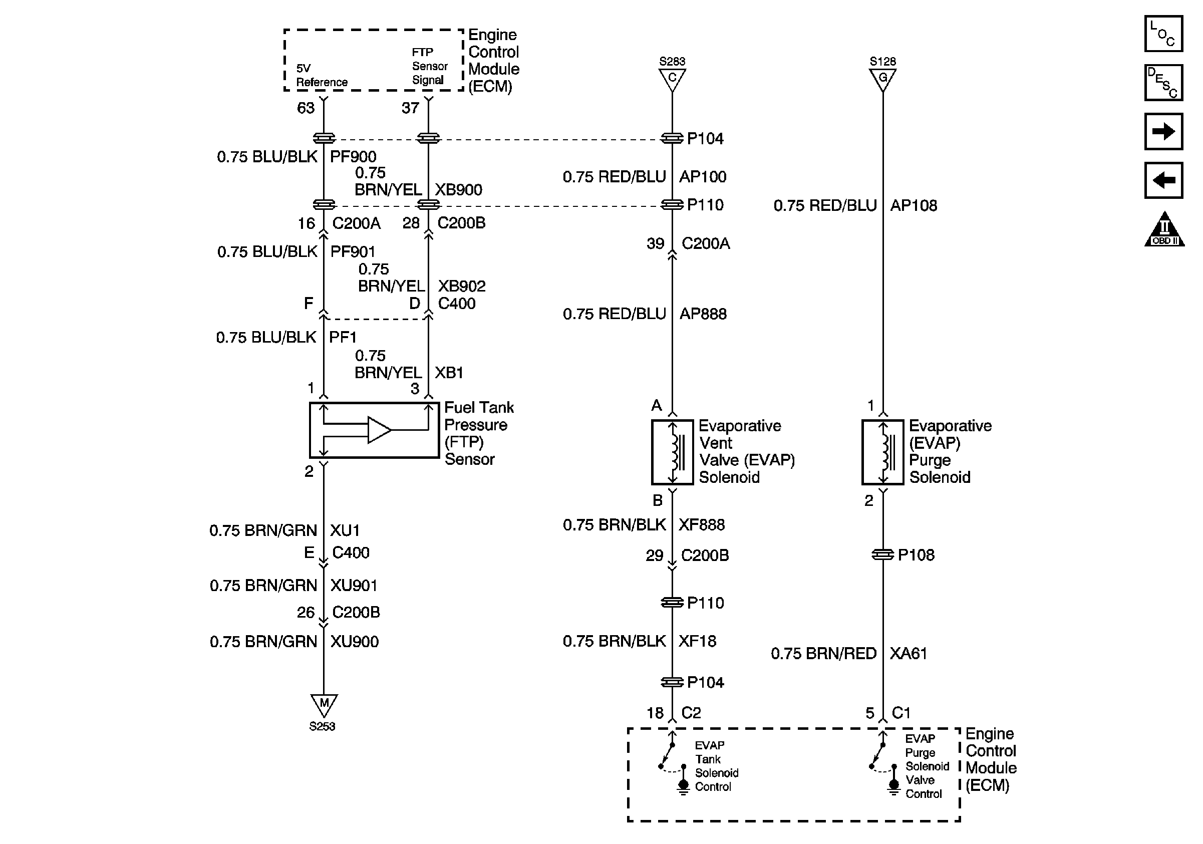
Fuel Tank Pressure (FTP) Sensor, Evaporative Vent Valve (EVAP) Solenoid, and Evaporative (EVAP) Purge Solenoid
Master Electrical Component List
Evaporative Emission Control System Description
Device Controls - AIR Injection and Intake Air Controls
Fuel Controls - Fuel Injectors
Engine Controls Schematic Icons
Engine Controls Power Relay
Engine Controls Power Relay
Engine Data Sensors - APP Sensor