GM Service Manual Online
For 1990-2009 cars only
Makes
🢒
Cadillac
🢒
2001
🢒
Catera
🢒 Starting and Charging
Starting and Charging
Starting and Charging
Master Electrical Component List
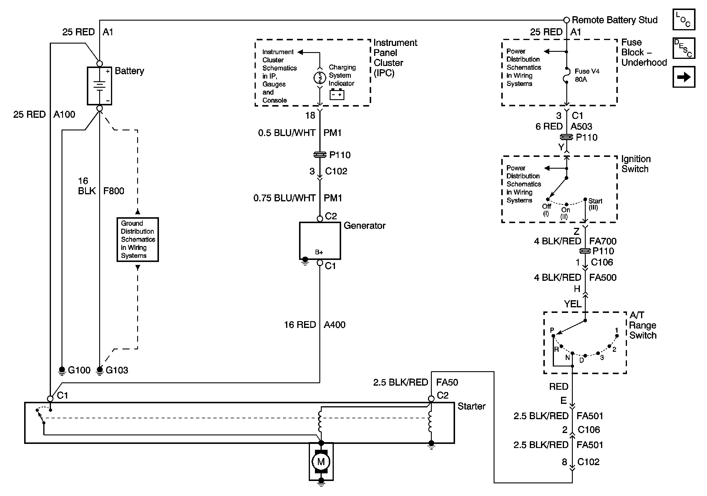
Starting System Description and Operation
Inadvertant Power
Power, Headlamps On Required, ABS, Traction Control, Sport Mode, Check Engine, Brake To Shift, Air Bag, Charging System Brake Pad Wear, Low Washer Fluid, Seat Belt Leveling, Brake and Cruise Indicator
Battery Cable Bus
Underhood Fuse Block Fuses V1 and V4, and Ignition Switch
G103 (1 of 8)