GM Service Manual Online
For 1990-2009 cars only
Makes
🢒
Cadillac
🢒
2001
🢒
Catera
🢒 Headlamp Switch, BCM, Heater and A/C Control and Instrument Cluster
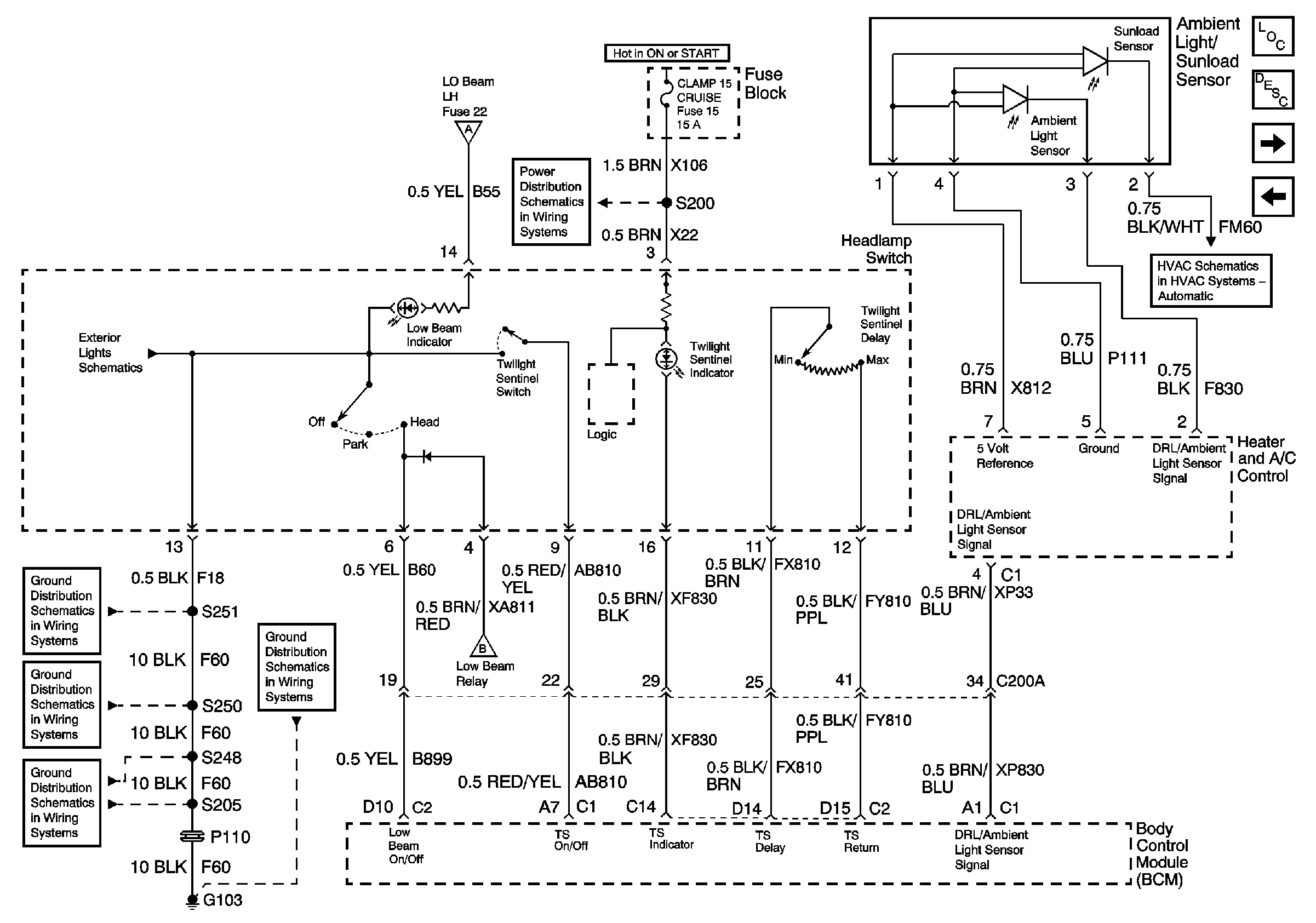
Headlamp Switch, BCM, Heater and A/C Control and Instrument Cluster
Headlamp Switch, BCM, Heater and A/C Control, and Instrument Cluster
Master Electrical Component List
Air Temperature Description and Operation
Headlamps
Low Beam Relay K131 and Turn Signal Switch
Low Beam Relay K131 and Turn Signal Switch
Fuse Block Fuse 15
Underhood Fuse Block Fuses V1 and V4, and Ignition Switch
Ambient Light/Sunload and Air Temperature Sensors
Park Lamp Relay and Headlamp Switch
G103 (8 of 8)
G103 (7 of 8)
G103 (6 of 8)
G103 (1 of 8)
Low Beam Relay K131 and Turn Signal Switch