GM Service Manual Online
For 1990-2009 cars only
Makes
🢒
Cadillac
🢒
2001
🢒
Catera
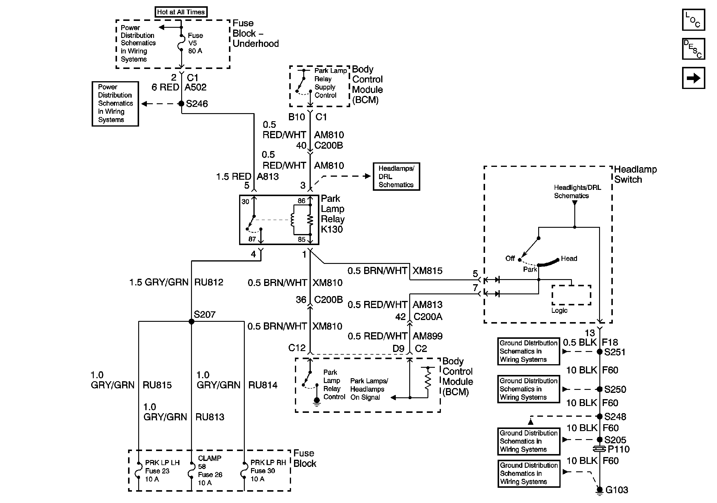
🢒 Park Lamp Relay and Headlamp Switch
Park Lamp Relay and Headlamp Switch
Park Lamp Controls
Master Electrical Component List
Exterior Lighting Systems Description and Operation
Front Parking Lamps
Battery Cable Bus
Underhood Fuse Block Fuse V5 and Fuse Block Fuses 6, 7, 20, and 25
Low Beam Relay K131 and Turn Signal Switch
Headlamp Switch, BCM, Heater and A/C Control and Instrument Cluster
G103 (8 of 8)
G103 (7 of 8)
G103 (6 of 8)
G103 (1 of 8)