GM Service Manual Online
For 1990-2009 cars only
Makes
🢒
Cadillac
🢒
2001
🢒
Catera
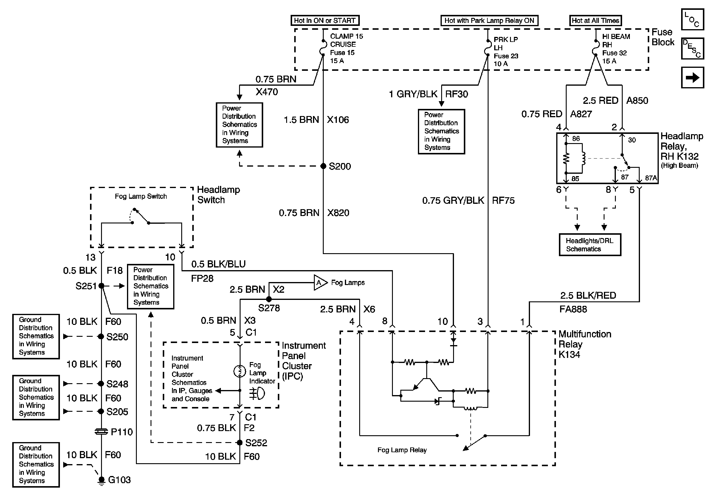
🢒 Fog lamp Switch and Multifunction Relay K134
Fog lamp Switch and Multifunction Relay K134
Fog Lamp Switch and Multifunction Relay K134
Master Electrical Component List
Exterior Lighting Systems Description and Operation
Fog Lamps
Underhood Fuse Block Fuses V1 and V4, and Ignition Switch
Underhood Fuse Block Fuse V5 and Fuse Block Fuses 6, 7, 20, and 25
Underhood Fuse Block Fuse V5 and Fuse Block Fuses 6, 7, 20, and 25
Fuse Block Fuse 15
Fuse Block Fuses 22, 23, 30, and 31
DRL and Headlamp Relays High Beam
G103 (8 of 8)
Fog Lamps
G103 (7 of 8)
G103 (6 of 8)
G103 (1 of 8)
Power, Ground, DLC, Turn Signal, Fog Lamp, Security, Rear Compartment Lid Release Open, High Beam Indicators and Back Lighting Lamps