GM Service Manual Online
For 1990-2009 cars only
Makes
🢒
Cadillac
🢒
2001
🢒
Catera
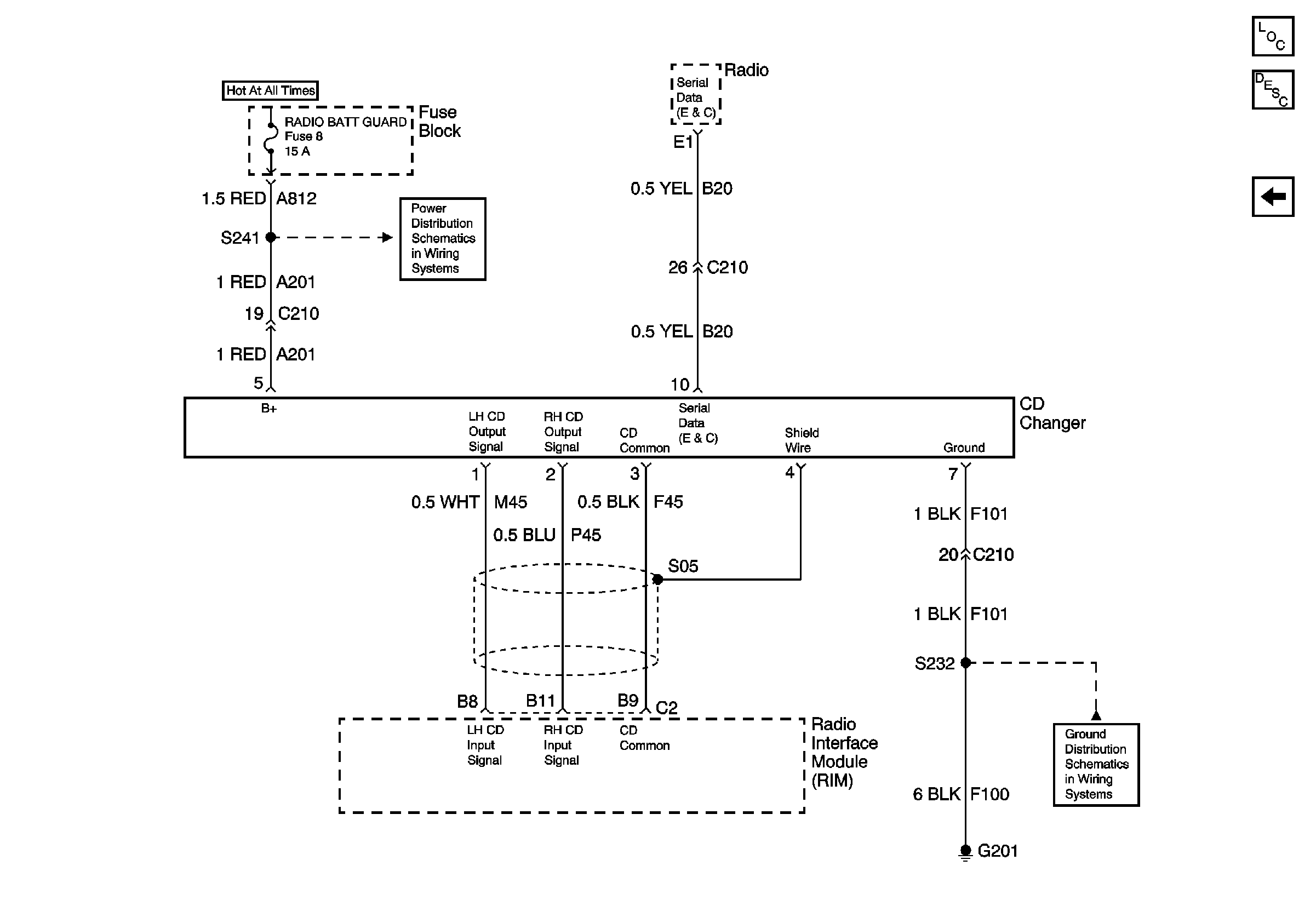
🢒 CD Changer (Bose)
CD Changer (Bose)
CD Changer - Bose®
Master Electrical Component List
Radio/Audio System Description and Operation
CD Changer (Base)
Underhood Fuse Block Fuse V5 and Fuse Block Fuses 6, 7, 20, and 25
Fuse Block Fuses 1, 8, and 27
G201