GM Service Manual Online
For 1990-2009 cars only

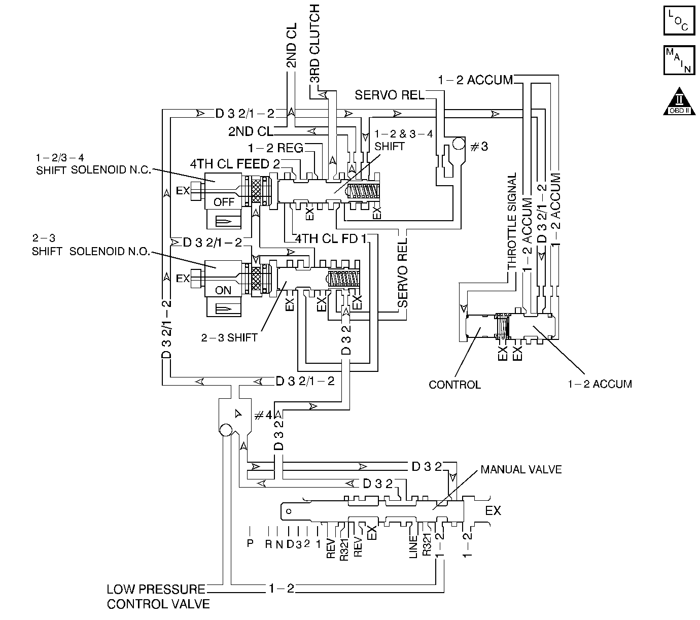
Object Number: 398666  Size: LF
Master Electrical Component List
Automatic Transmission Controls Schematics
OBD II Symbol Description Notice

Circuit Description

The 2-3 shift solenoid valve is a normally open shift solenoid that controls the positioning of the 2-3 shift valve. When the shift solenoid is closed, D32/1-2 fluid is blocked from acting on the solenoid end of the 2-3 shift valve. When the solenoid opens, D32/1-2 fluid pressure flows through the solenoid, and the valve moves against spring force.

When the TCM detects a 1-2-2-1 shift pattern, then DTC P0757 will set. DTC P0757 is a type B DTC.

Conditions for Running the DTC

    • The transmission is in drive range (D).
    • No Trans Range Switch DTC P0705.
    • No Output Speed Sensor DTC P0722.
    • No 1-2 Shift Solenoid Valve DTC P0753.
    • No 2-3 Shift Solenoid Valve DTC P0758.
    • No TCM Internal - Watchdog Operation DTC P1600.
    • No TCM System Reset DTC P1625.
    • No TCC Enable Solenoid Circuit - Electrical DTC P0743.
    • No Throttle Position Signal DTC P1890.

All the above conditions must be present, plus one of the following conditions:

Condition 1:

    • The commanded gear is 3rd for greater than 0.7 seconds.
    • The accelerator pedal position is greater than 26.4 percent.
    • The engine speed is 3,104 to 4,192 RPM.
    • The transmission output speed is greater than 1,088 RPM.
    • The engine torque is greater than 50 N·m (68 lb ft).

Condition 2:

    • The commanded gear is 4th for greater than 0.5 seconds.
    • The accelerator pedal position is greater than 13.8 percent.
    • The engine speed is 3,008 to 6,016 RPM.
    • The transmission output speed is greater than 1,216 RPM.
    • Engine torque is greater than 0 N·m (0 lb ft).

Conditions for Setting the DTC

DTC P0757 sets if the following conditions occur two times.

Condition 1:

The TCC slip speed is 1,200 to 1,800 RPM for 3.0 seconds.

Condition 2:

The TCC slip speed is 2,000 to 6,000 RPM for 1.3 seconds.

Action Taken When the DTC Sets

    • The TCM flashes the sport mode lamp and sends a MIL request to the ECM on the second consecutive drive trip that the diagnostic runs and fails. The ECM then illuminates the MIL.
    • The ECM records the operating conditions in the Freeze Frame at the time of the MIL request from the TCM.
    • The transmission operates in the default mode (maximum line pressure, command 4th gear, inhibit TCC, freeze shift adapts).

Conditions For Clearing the MIL/DTC

    • The ECM turns off the MIL after three consecutive drive trips during which the TCM sends no MIL request.
    • A History DTC clears after forty consecutive warm-up cycles, if no failures are present by this diagnostic or any other emission related diagnostic.
    • The scan tool clears the MIL/DTC.
    • The TCM cancels the DTC default mode actions when the ignition switch is Off long enough in order to power down the TCM.

Diagnostic Aids

    • Verify that the transmission meets the specifications in the Shift Speed table.
    • Other internal transmission failures may cause more than one shift to occur.

Refer to Shift Solenoid Valve State and Gear Ratio .

Test Description

The number below refers to the step number on the diagnostic table.

  1. This step tests that the TCM commanded all shifts, that all shift solenoid valves responded correctly, but that all the shifts did not occur.

Step

Action

Value(s)

Yes

No

1

Did you perform Powertrain On Board Diagnostic (OBD) System Check - Automatic Transmission ?

--

Go to step 2

Go to Powertrain On Board Diagnostic (OBD) System Check - Automatic Transmission

2

  1. Install the Scan Tool .
  2. Turn ON the ignition with the engine OFF.
  3. Important: Record the Failure Records before clearing the DTCs. Using the Clear Info function erases the Failure Records from the ECM and the TCM.

  4. Record the DTC Freeze Frame and Failure Records.
  5. Clear the DTC.
  6. Drive the vehicle in D range, under the following condition:
  7. Accelerate the vehicle, ensuring that the TCM commands 1st, 2nd, 3rd and 4th gears.

Did you detect a 1-2-2-1 shift pattern?

--

Go to Step 3

Go to Diagnostic Aids

3

  1. Inspect the 2-3 shift circuit for the following conditions:
  2. • 2-3 shift solenoid valve stuck ON
    • Refer to Shift Solenoid Leak Test .
    • Damaged 2-3 Shift Solenoid valve O-ring
    • 2-3 shift valve stuck
  3. Repair the circuit. Refer to Transmission Overhaul in the 4L30-E Section of the Transmission Unit Repair.

Did you find and correct the condition?

--

Go to Step 4

--

4

Perform the following procedure in order to verify the repair:

  1. Clear DTCs.
  2. For condition 1, drive the vehicle in D range and ensure the following conditions are met:
  3. • The accelerator pedal position is at least 10%.
    • The TCM has commanded 3rd gear.
    • The engine speed is less than 2016 RPM.
    • The transmission output speed is greater than 1696 RPM.
    • The engine torque is greater than 50 N·m (68 lb ft).
    • The TCC slip speed is -32 to +32 RPM for 3 seconds.
  4. For condition 2, drive the vehicle in D range and ensure the following conditions are met:
  5. • The accelerator pedal position is at least 10%.
    • The TCM has commanded 4th gear.
    • The engine speed is 1696 to 3488 RPM.
    • The transmission output speed is greater than 2400 RPM.
    • The engine torque is greater than 50 N·m (68 lb ft).
    • The TCC slip speed is -32 to +32 RPM for 3 seconds.

Did the transmission shift through all drive ranges as commanded by the TCM?

--

System OK

Go to Step 1