GM Service Manual Online
For 1990-2009 cars only
Makes
🢒
Cadillac
🢒
1997
🢒
Concours
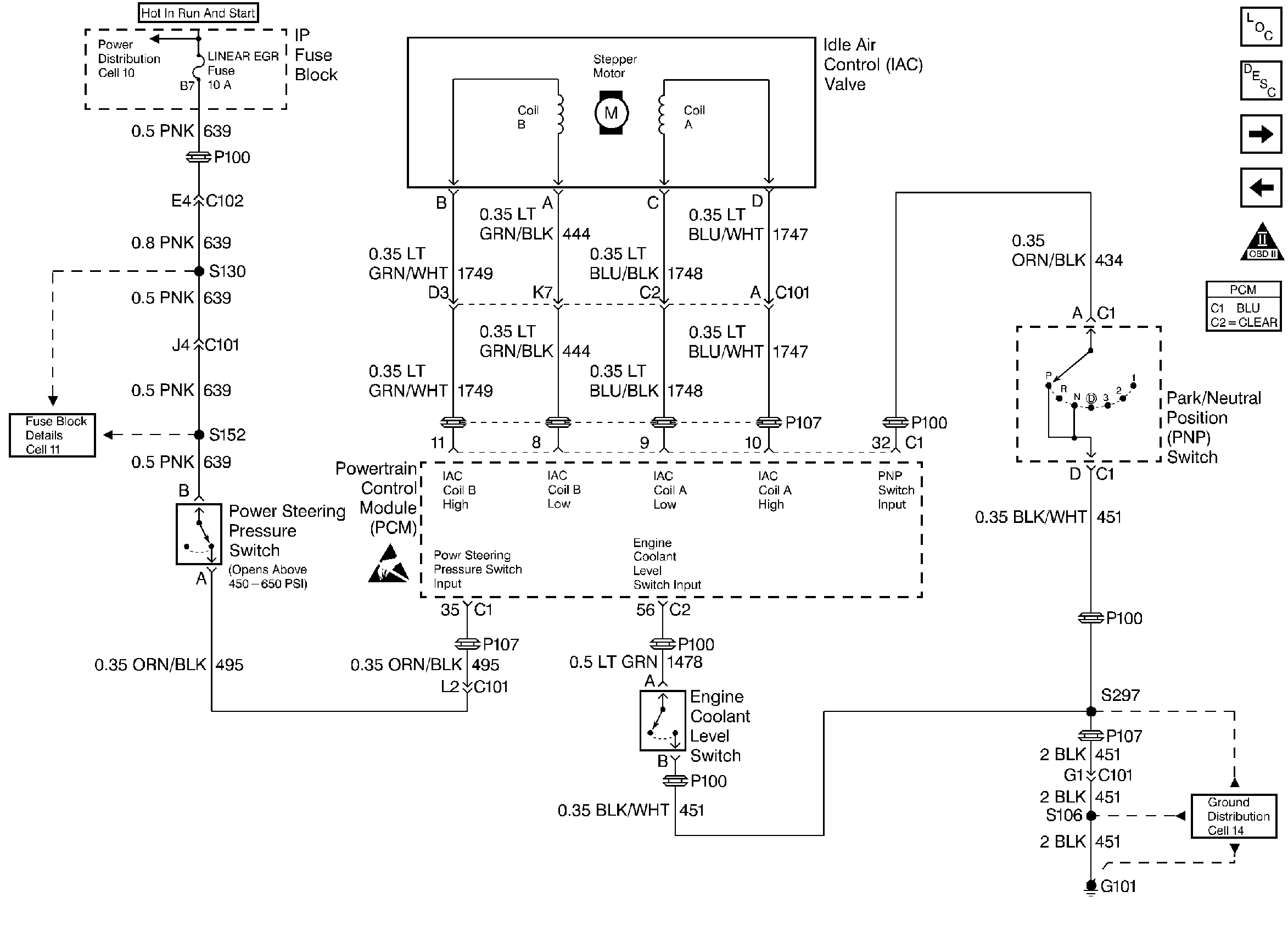
🢒 PSP and PNP Switches/ IAC Valve
PSP and PNP Switches/ IAC Valve
PSP and PNP Switches/ IAC Valve
Stepper Motor Cruise Control (SMCC) and Vehicle Speed Sensor (VSS)
Front and Rear Heated Oxygen Sensors
Engine Controls Components
OBD II Symbol Description Notice
ESD Notice