GM Service Manual Online
For 1990-2009 cars only
Makes
🢒
Cadillac
🢒
1997
🢒
Concours
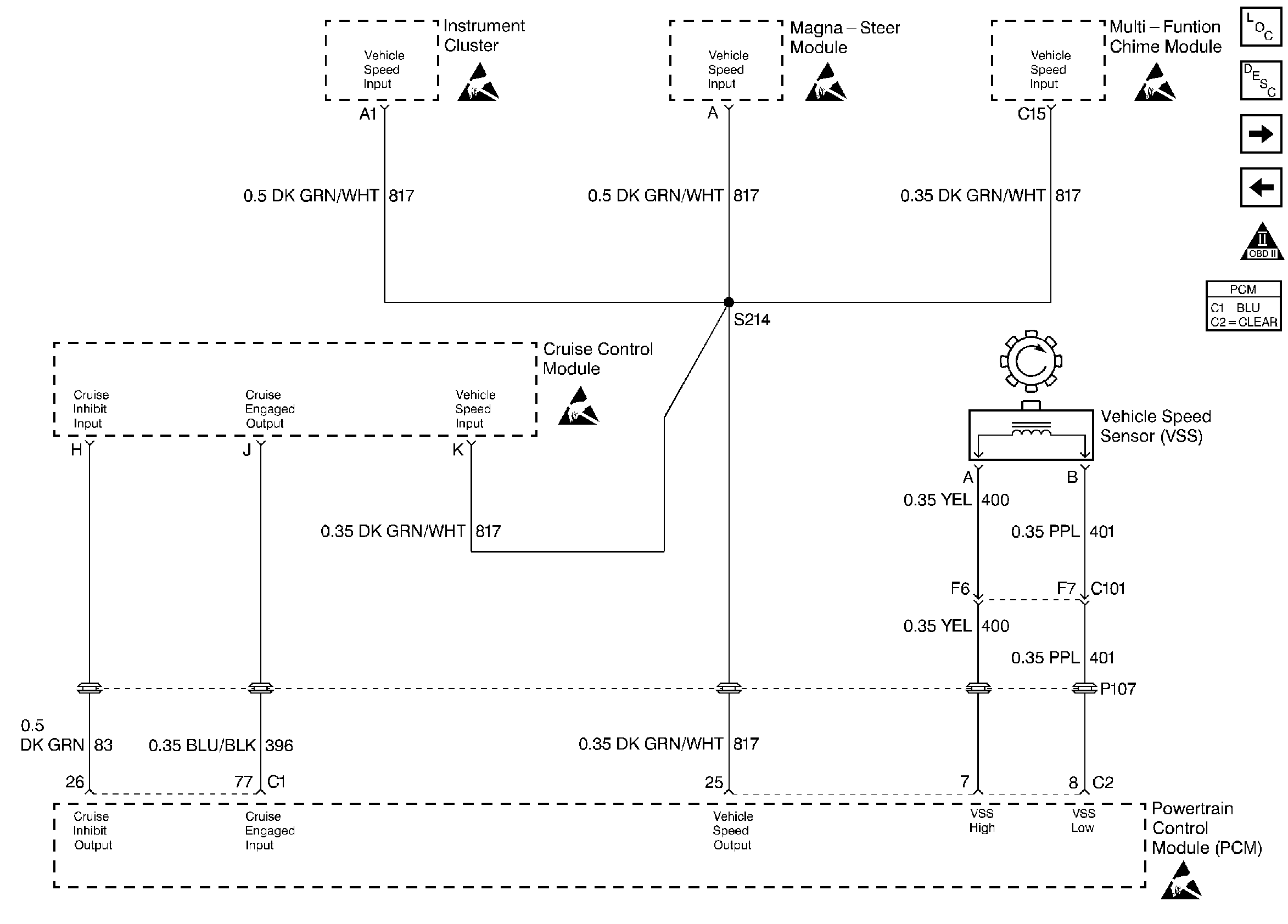
🢒 Stepper Motor Cruise Control (SMCC) and Vehicle Speed Sensor (VSS)
Stepper Motor Cruise Control (SMCC) and Vehicle Speed Sensor (VSS)
Stepper Motor Cruise Control (SMCC) and Vehicle Speed Sensor (VSS)
TCC Brake Switch and Transaxle (partial)
PSP and PNP Switches/ IAC Valve
Engine Controls Components
OBD II Symbol Description Notice
ESD Notice
ESD Notice
ESD Notice
ESD Notice
ESD Notice