GM Service Manual Online
For 1990-2009 cars only
Makes
🢒
Cadillac
🢒
1997
🢒
Concours
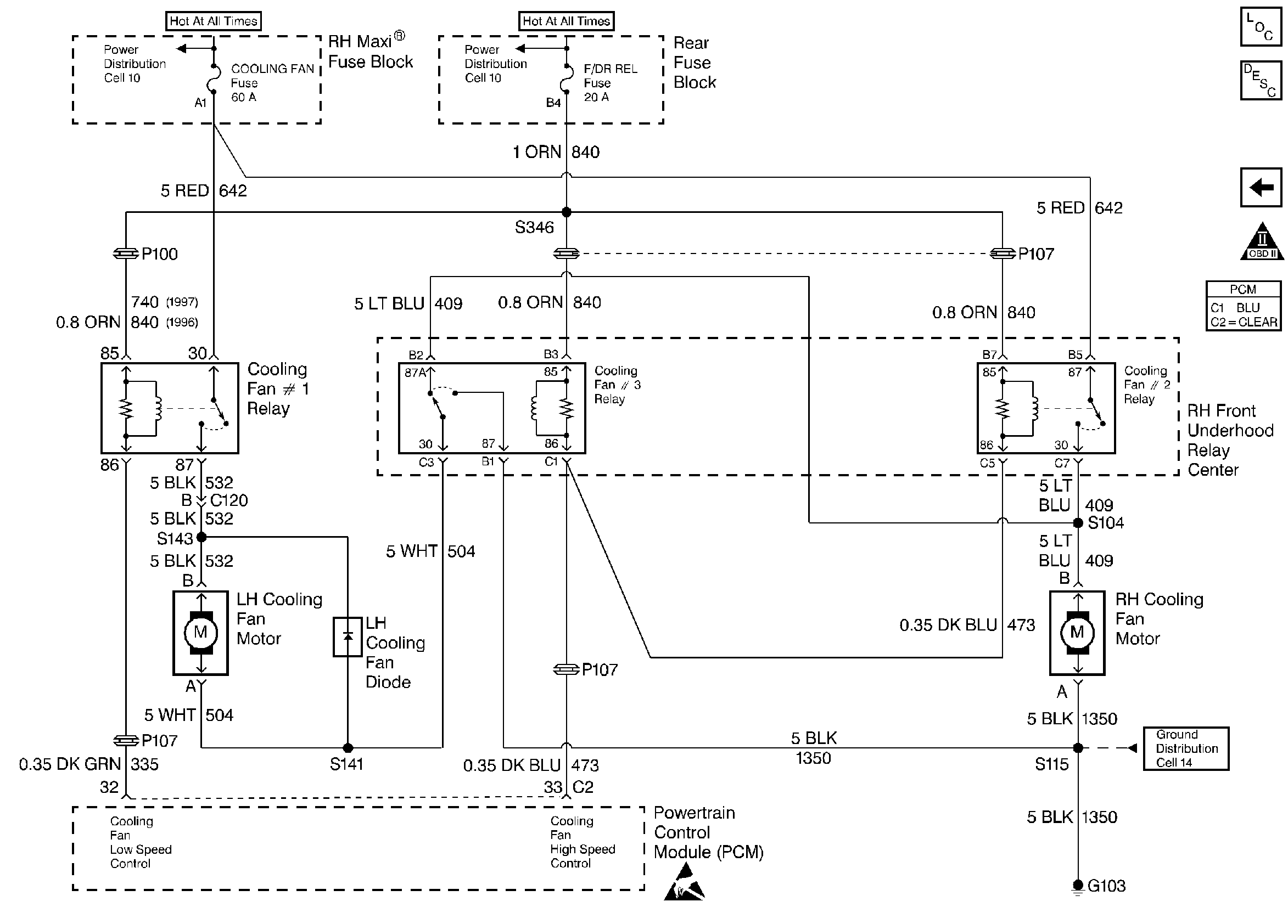
🢒 Coolant Fans/Relays
Coolant Fans/Relays
Coolant Fans/Relays
PCM Power and Grounds
A/C Sensors
Engine Controls Components
OBD II Symbol Description Notice
ESD Notice