GM Service Manual Online
For 1990-2009 cars only
Makes
🢒
Cadillac
🢒
1997
🢒
Concours
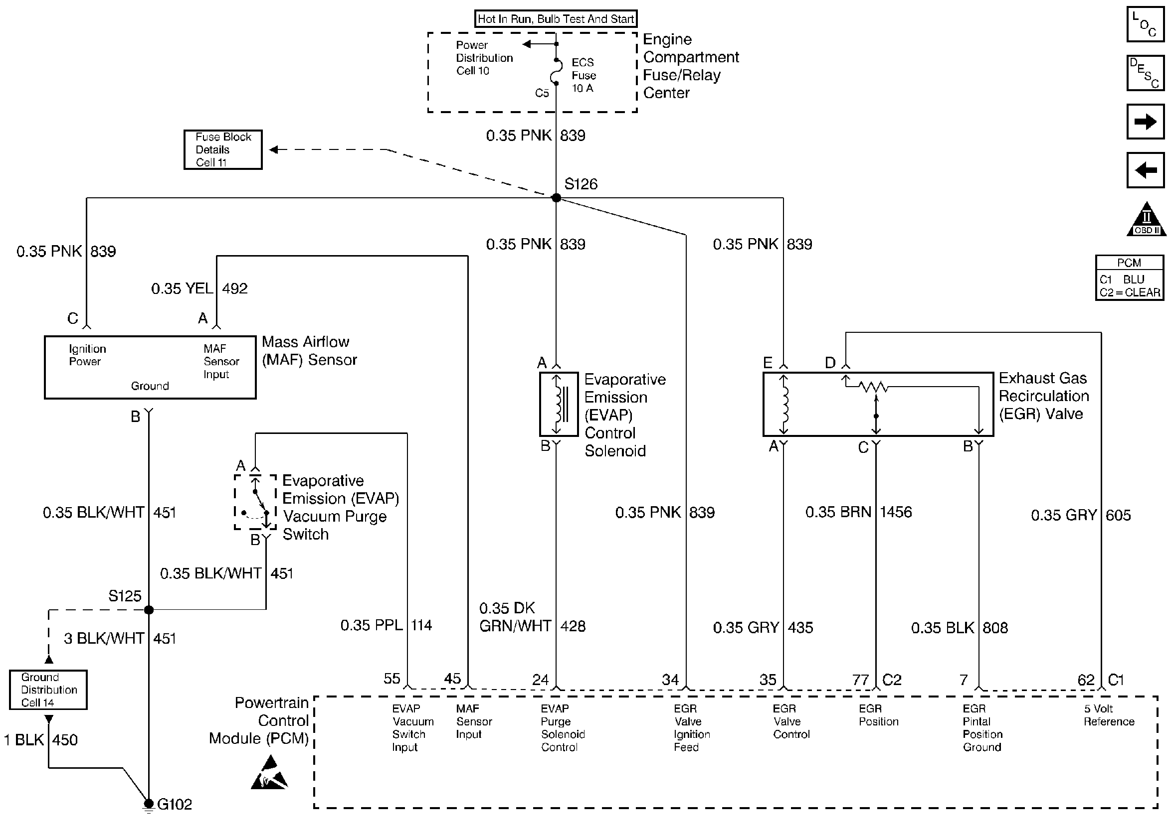
🢒 MAF Sensor/ EVAP Components/ Linear EGR Valve
MAF Sensor/ EVAP Components/ Linear EGR Valve
MAF Sensor/ EVAP Components/ Linear EGR Valve
Engine Controls Components
Heated Oxygen Sensors
IAT/ ECT/ TP/ MAP and BBV Sensors
OBD II Symbol Description Notice
ESD Notice