GM Service Manual Online
For 1990-2009 cars only
Makes
🢒
Cadillac
🢒
1997
🢒
Concours
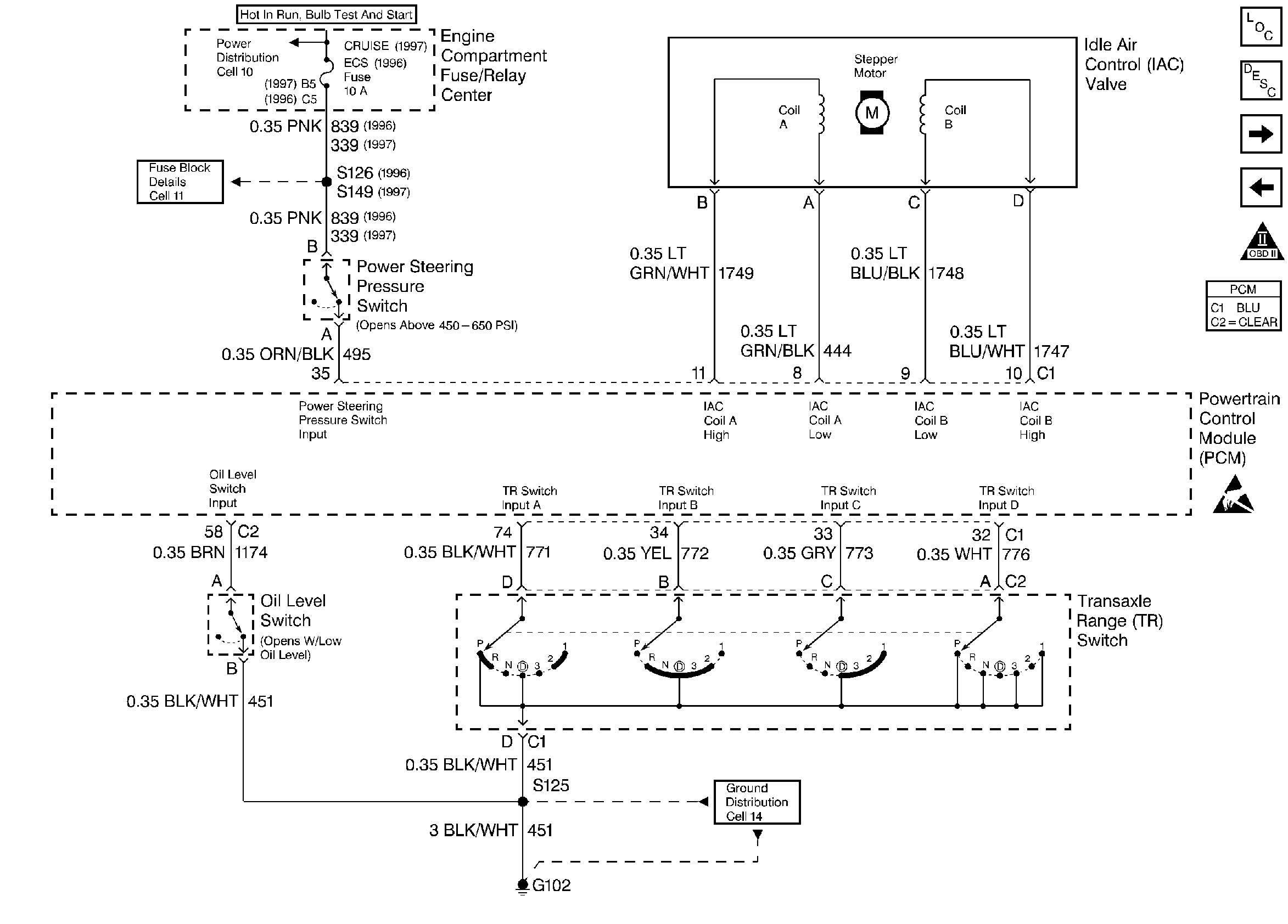
🢒 IAC Valve and PSP/ Oil Level/ TR Switches
IAC Valve and PSP/ Oil Level/ TR Switches
IAC Valve and PSP/ Oil Level/ TR Switches
Engine Controls Components
VSS/ Vehicle Speed Output/ SMCC
Heated Oxygen Sensors
OBD II Symbol Description Notice
ESD Notice