GM Service Manual Online
For 1990-2009 cars only
Makes
🢒
Cadillac
🢒
1997
🢒
Concours
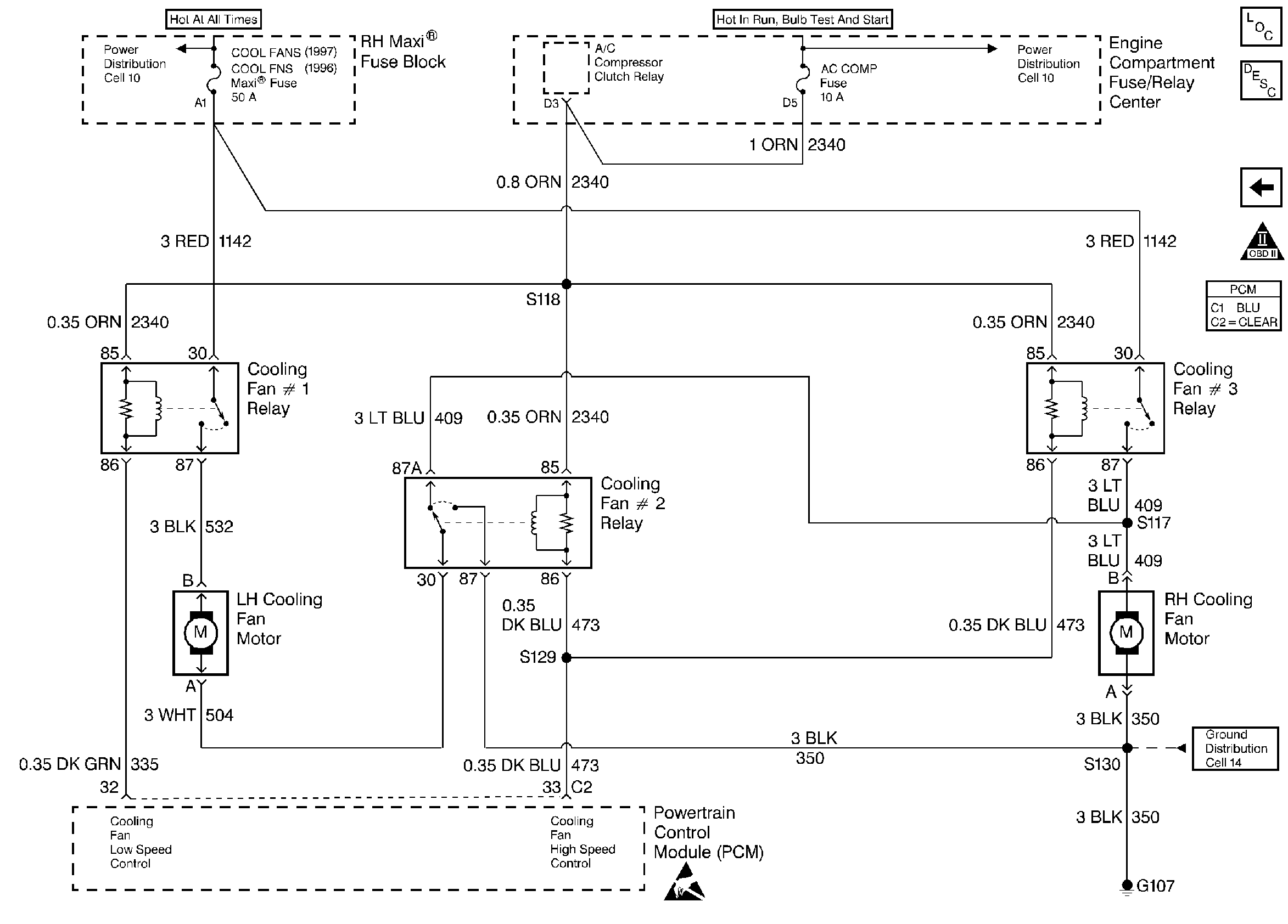
🢒 Cooling Fans/ Relays
Cooling Fans/ Relays
Cooling Fans/ Relays
Engine Controls Components
EBTCM/ Generator/ A/C Relay/ RSS
OBD II Symbol Description Notice
ESD Notice