GM Service Manual Online
For 1990-2009 cars only
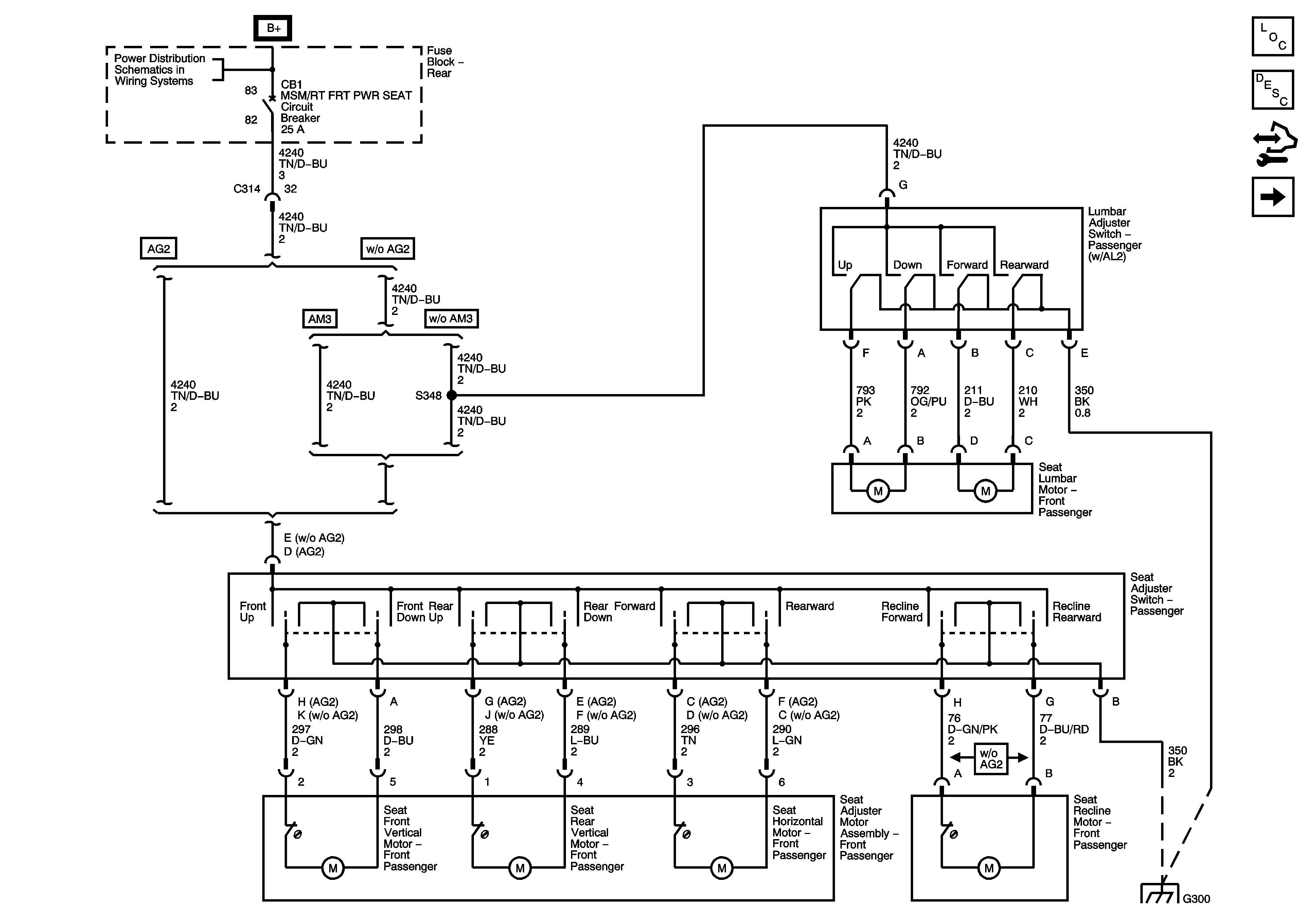
Figure 1:

Power Seat


Object Number: 1615597  Size: FS
Master Electrical Component List
Power Seats System Description and Operation
Control Module References
w/ AM3
Rear Fuse Block B+ Bus
G300
Figure 2:

w/AM3


Object Number: 1615598  Size: FS
Master Electrical Component List
Memory Seats Description and Operation
Control Module References
Heated Seat KA1
Power Seat
Rear Fuse Block B+ Bus
w/A45
w/A45
Position Sensors
Position Sensors
G300
Figure 3:

Heated Seat - KA1


Object Number: 1615599  Size: FS
Master Electrical Component List
Rear Heated Seats Description and Operation
Control Module References
Passenger Heated and Cooled Seat KB6
w/ AM3
Figure 4:

Heated and Cooled Seat - KB6


Object Number: 1615601  Size: FS
Master Electrical Component List
Heated/Cooled Seats Description and Operation
Control Module References
Heated Cooled Seat Switch KA1 KB6
Heated Seat KA1
Rear Fuse Block B+ Bus
Rear Fuse Block - RUN Relay, REAR HVAC, HTD STR, HTD/COOL/IGN3, BCM LOGIC Fuses
Rear Fuse Block - RUN Relay, REAR HVAC, HTD STR, HTD/COOL/IGN3, BCM LOGIC Fuses
DLC Power, Ground, and Low Speed GMLAN
G300
Figure 5:

Heated/Cooled Seat Switch - KA1/KB6


Object Number: 1615602  Size: FS
Master Electrical Component List
Heated/Cooled Seats Description and Operation
Control Module References
Passenger Heated and Cooled Seat KB6
DLC Power, Ground, and Low Speed GMLAN