GM Service Manual Online
For 1990-2009 cars only
Makes
🢒
Cadillac
🢒
2006
🢒
DTS
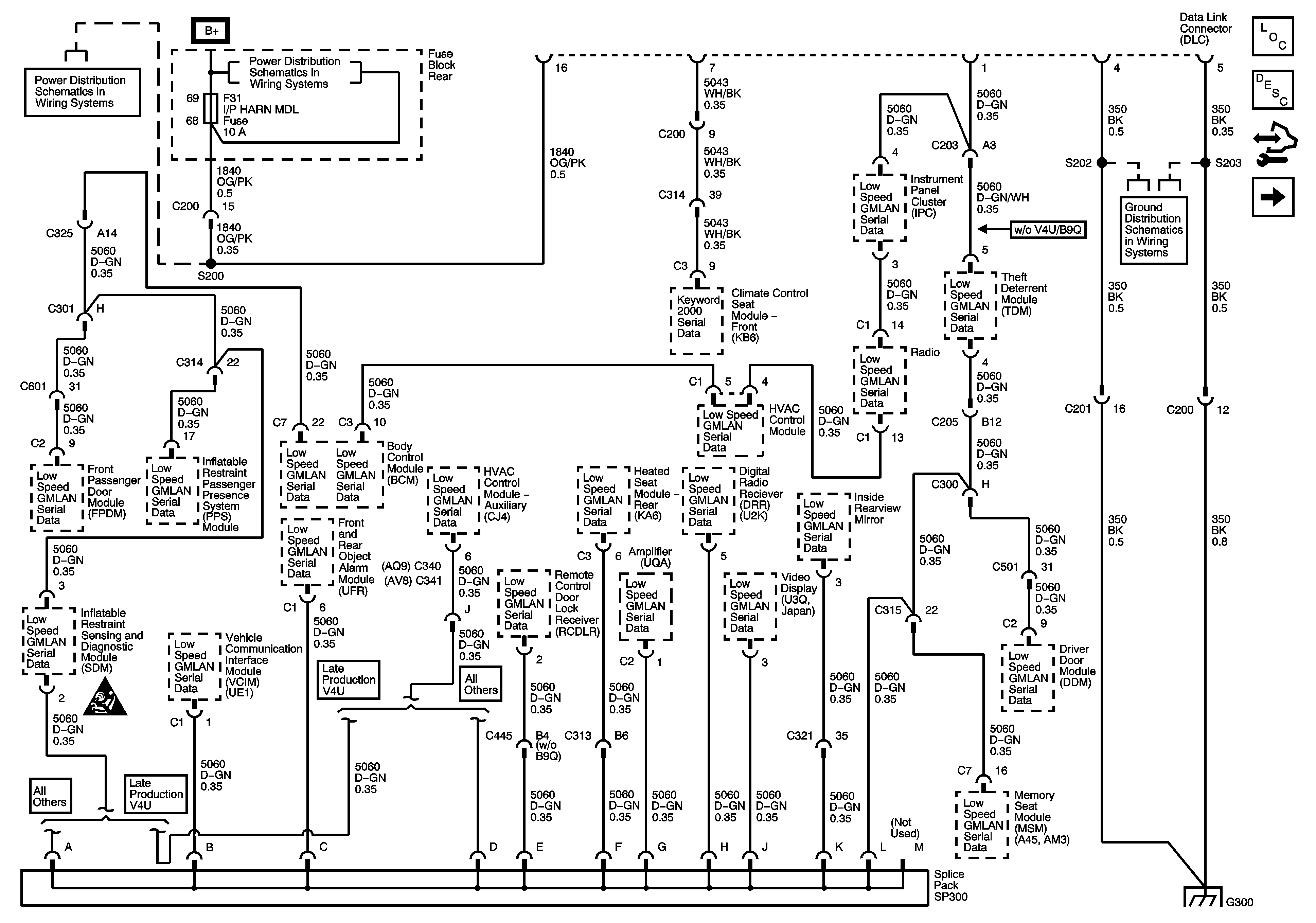
🢒 DLC Power, Ground, and Low Speed GMLAN
DLC Power, Ground, and Low Speed GMLAN
DLC Power Ground and Low Speed GMLAN
Master Electrical Component List
Data Link Communications Description and Operation
Control Module References
DLC High Speed Serial Data
Rear Fuse Block B+ Bus
Rear Fuse Block - PRK LAMP, RT PRK LAMP (Export), EXP LIC LAMP (Export) Relays, I/P HARN MDL, LT PRK LAMP, RT PRK LAMP Fuses
G300
Computer/Integrating Systems Schematic Icons
G300