GM Service Manual Online
For 1990-2009 cars only
Makes
🢒
Cadillac
🢒
2006
🢒
DTS
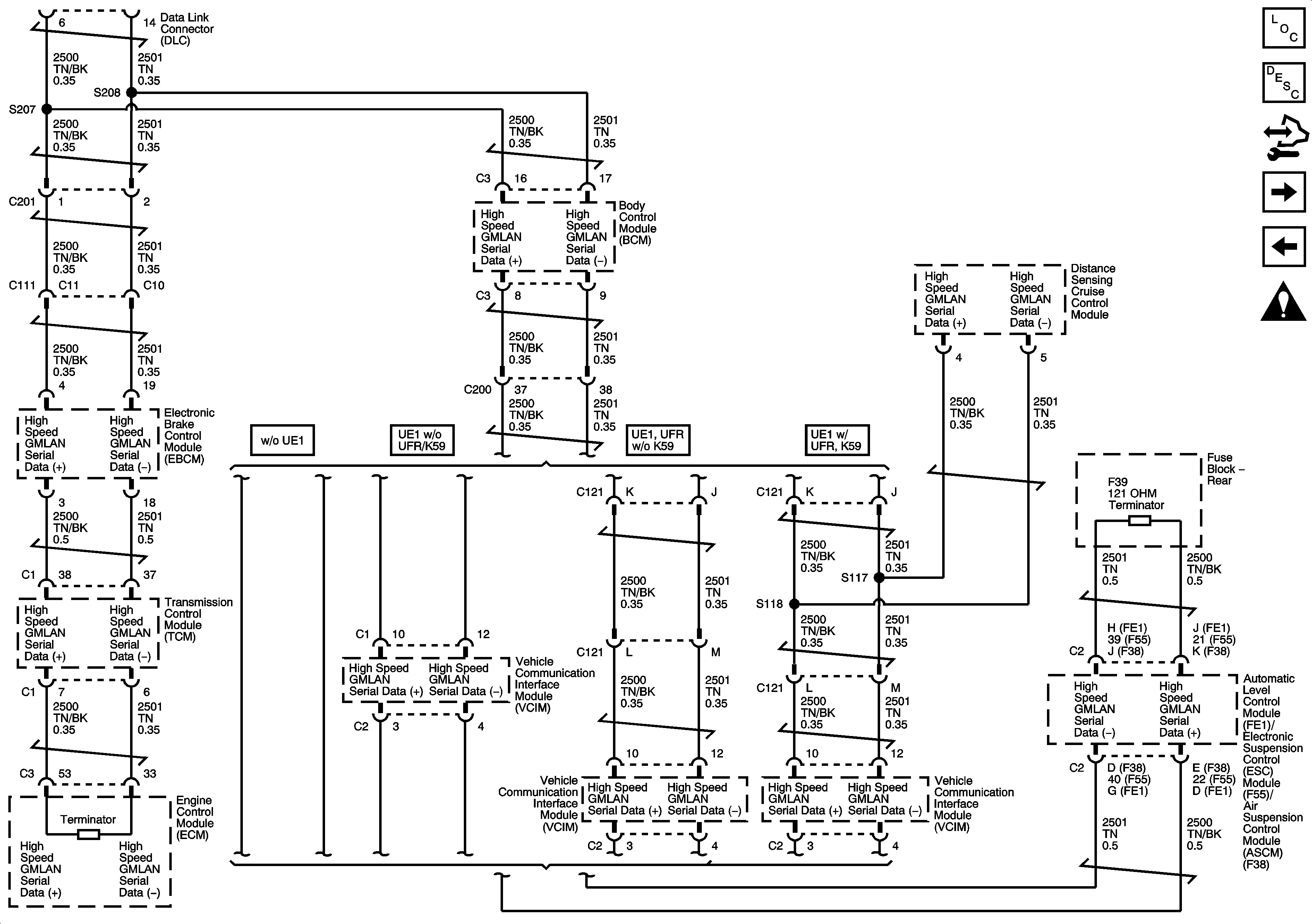
🢒 DLC High Speed Serial Data
DLC High Speed Serial Data
DLC High Speed Serial Data
Master Electrical Component List
Data Link Communications Description and Operation
Control Module References
DLC High Speed Serial Data Wake Up
DLC Power, Ground, and Low Speed GMLAN
Computer/Integrating Systems Schematic Icons