GM Service Manual Online
For 1990-2009 cars only
Makes
🢒
Cadillac
🢒
2006
🢒
DTS
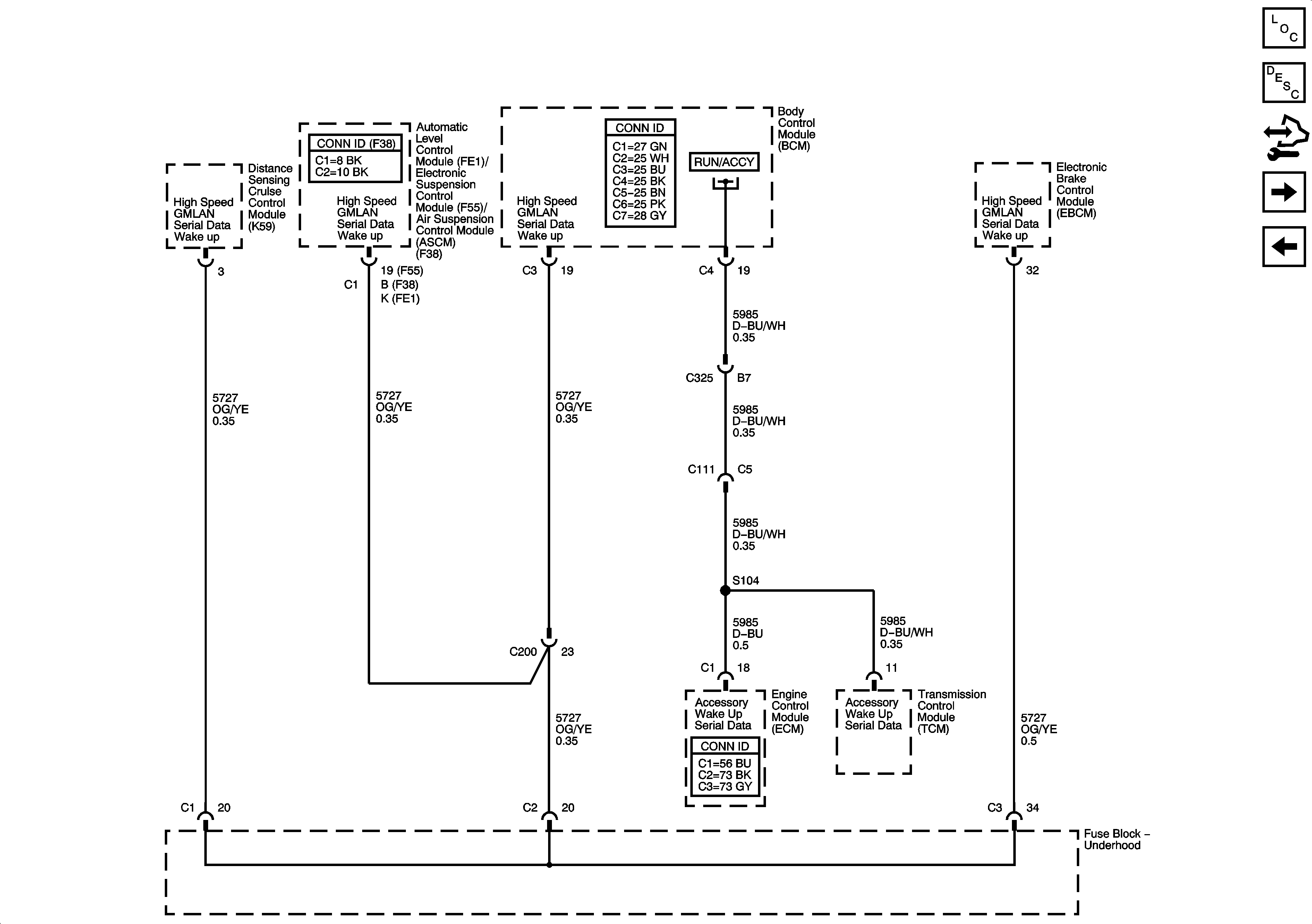
🢒 DLC High Speed Serial Data Wake Up
DLC High Speed Serial Data Wake Up
DLC High Speed Serial Data Wake Up
Master Electrical Component List
Data Link Communications Description and Operation
Control Module References
Local Interconnect Network (LIN)
DLC High Speed Serial Data
Rear Fuse Block IGN SWTCH, STR/WHL ILLUM Fuses