GM Service Manual Online
For 1990-2009 cars only
Makes
🢒
Cadillac
🢒
2006
🢒
DTS
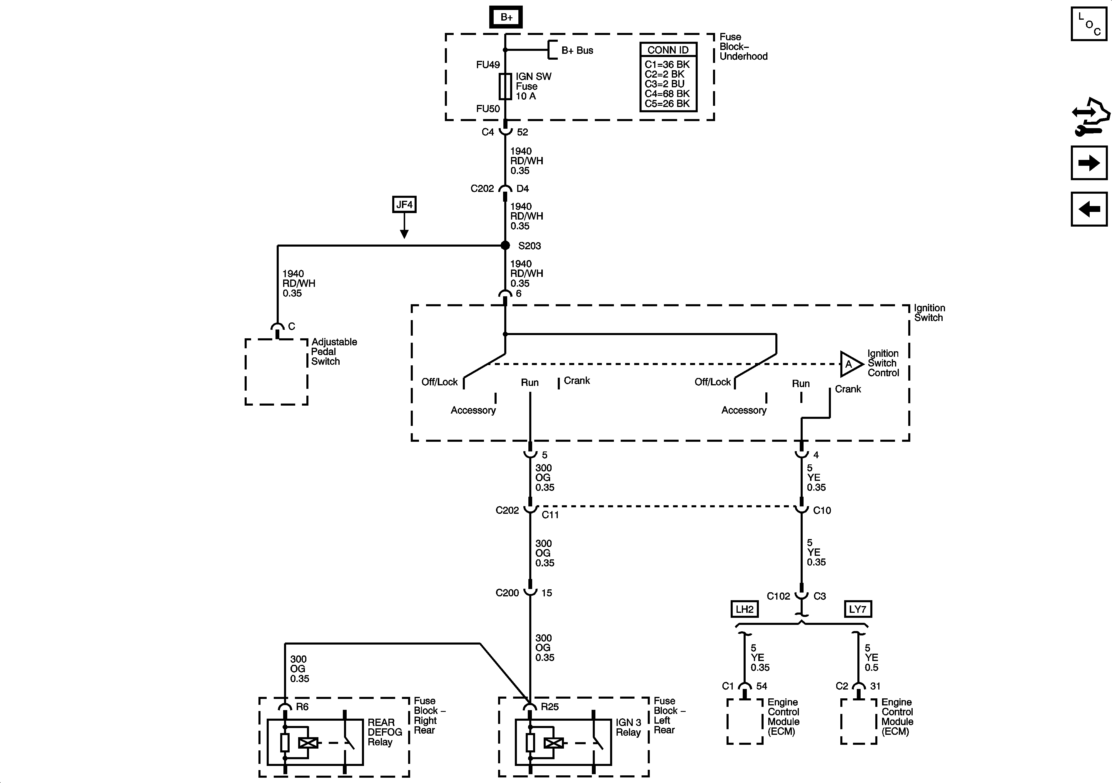
🢒 IGN SW Fuse and Ignition Switch 1 of 2
IGN SW Fuse and Ignition Switch 1 of 2
IGN SW Fuse and Ignition Switch 1 of 2
Master Electrical Component List
Control Module References
RIM and THEFT Fuses and Ignition Switch 2 of 2
06 ESUV-Fuse Block Left Rear B+ Bus
Fuse Block Underhood B+ Bus
RIM and THEFT Fuses and Ignition Switch 2 of 2