GM Service Manual Online
For 1990-2009 cars only
Makes
🢒
Cadillac
🢒
2006
🢒
DTS
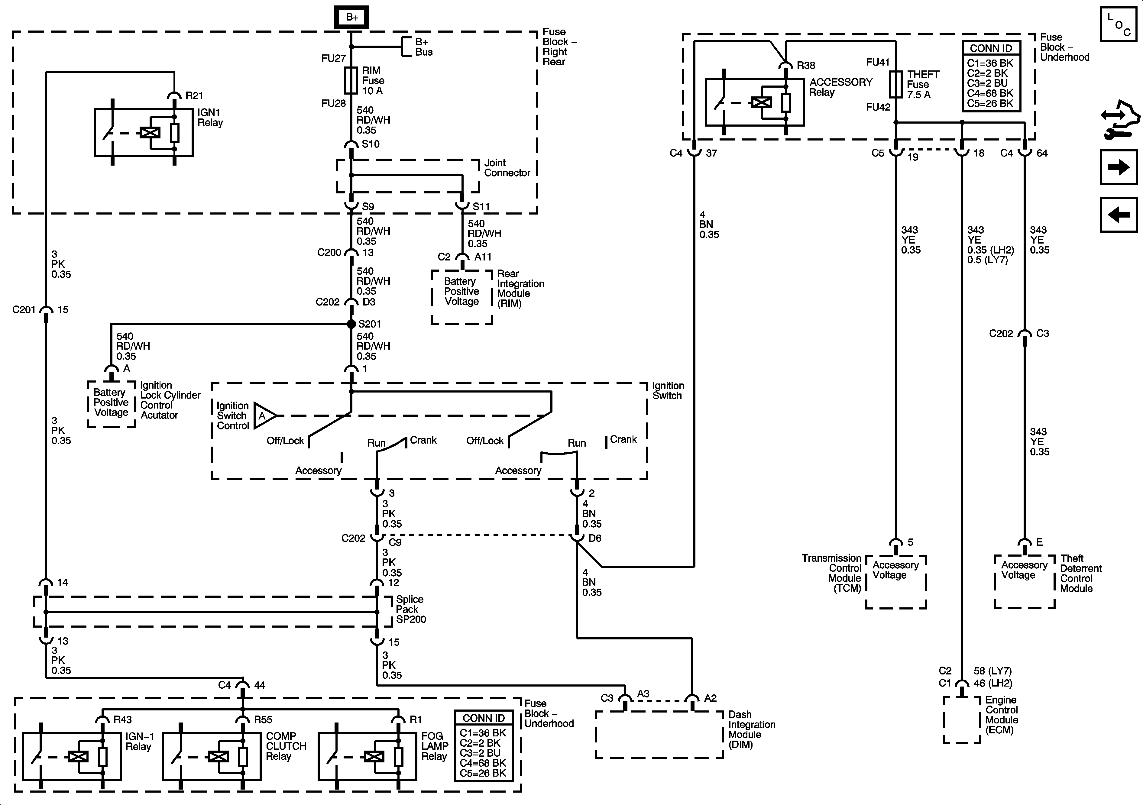
🢒 RIM and THEFT Fuses and Ignition Switch 2 of 2
RIM and THEFT Fuses and Ignition Switch 2 of 2
RIM and THEFT Fuses and Ignition Switch 2 of 2
Master Electrical Component List
Control Module References
LIC/DIMMING, LT PARK, and RT PARK Fuses
IGN SW Fuse and Ignition Switch 1 of 2
Fuse Block Right Rear B+ Bus
IGN SW Fuse and Ignition Switch 1 of 2