GM Service Manual Online
For 1990-2009 cars only
Makes
🢒
Cadillac
🢒
2006
🢒
DTS
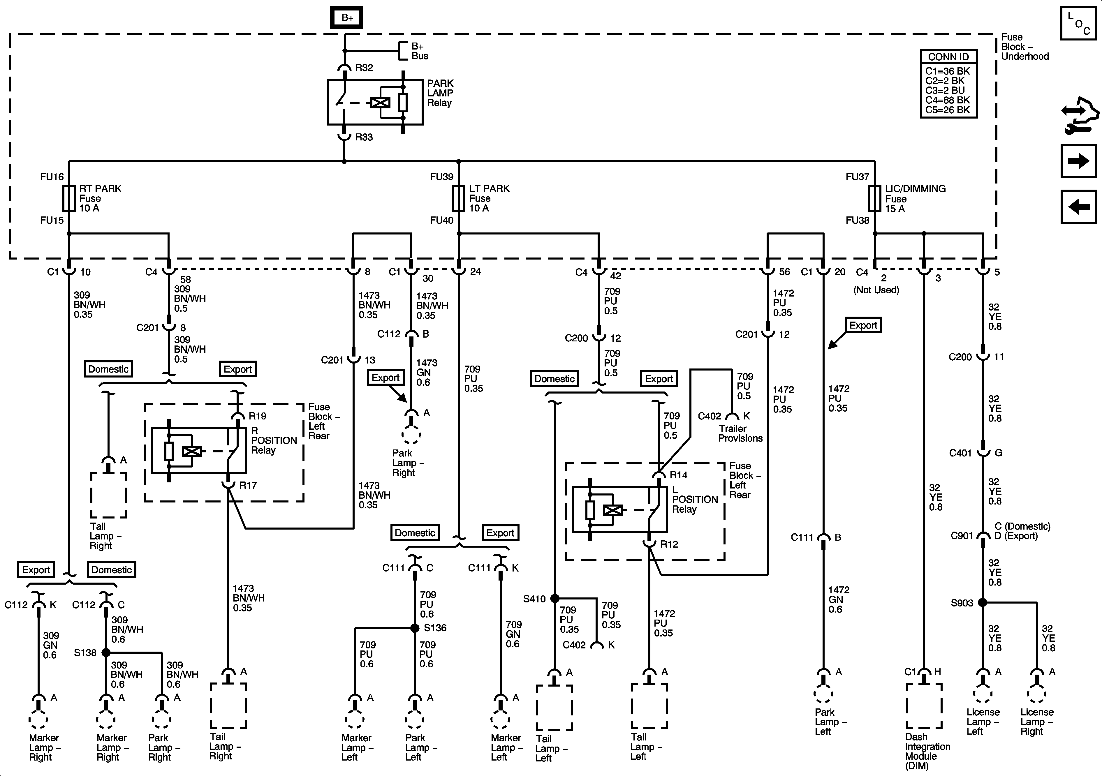
🢒 LIC/DIMMING, LT PARK, and RT PARK Fuses
LIC/DIMMING, LT PARK, and RT PARK Fuses
LIC/DIMMING, LT PARK, and RT PARK Fuses
Master Electrical Component List
Control Module References
06 ESUV-HFVG, PRE 02/CAM, and V8 ECM Fuses
RIM and THEFT Fuses and Ignition Switch 2 of 2
Fuse Block Underhood B+ Bus