GM Service Manual Online
For 1990-2009 cars only
Makes
🢒
Cadillac
🢒
2006
🢒
DTS
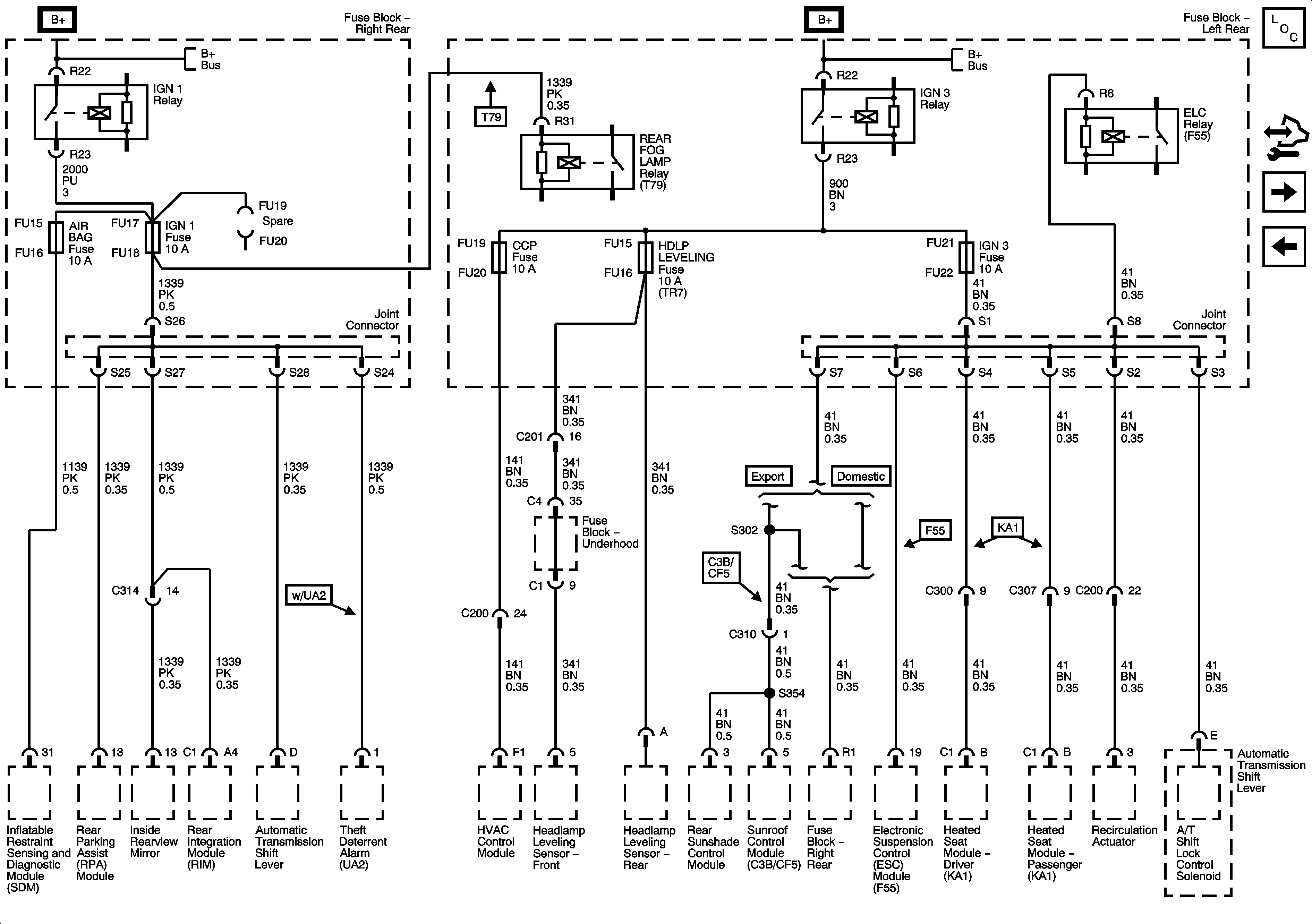
🢒 AIR BAG, CCP (RUN), EBCM (RUN), HDLP LEVELING, IGN 1 AND IGN 3 FUSES
AIR BAG, CCP (RUN), EBCM (RUN), HDLP LEVELING, IGN 1 AND IGN 3 FUSES
AIR BAG, CCP (RUN), EBCM (RUN), HDLP LEVELING, ING 1, and IGN 3 Fuses
Master Electrical Component List
Control Module References
ABS, STARTER RLY, STRG CTLS, TCM/IPC, AND WASH NOZ FUSES
CCP B+, DIM/ALDL, EBCM B+, ECM/TCM, Flasher, and VOLT CHECK Fuses
Fuse Block Right Rear B+ Bus