GM Service Manual Online
For 1990-2009 cars only
Makes
🢒
Cadillac
🢒
2006
🢒
DTS
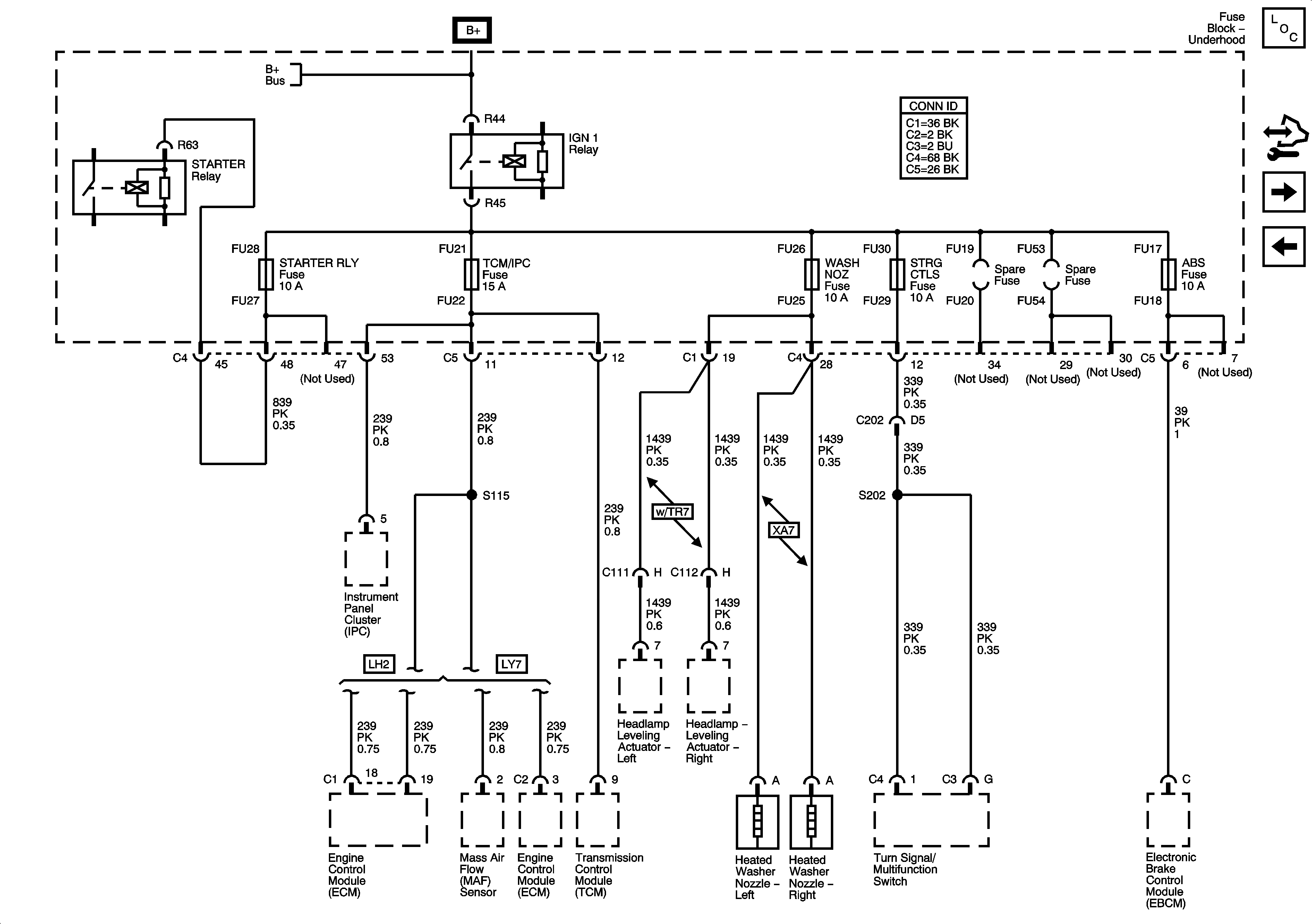
🢒 ABS, STARTER RLY, STRG CTLS, TCM/IPC, AND WASH NOZ FUSES
ABS, STARTER RLY, STRG CTLS, TCM/IPC, AND WASH NOZ FUSES
ABS, STARTER RLY, STRG CTLS, TCM/IPC, and WASH NOZ Fuses
Master Electrical Component List
Control Module References
AMP, AUDIO, DRIVER DR MOD, ELC COMP, L FRT HTD SEAT MOD, MEM/ADAPT SEAT, AND REAR DR MOD FUSES
AIR BAG, CCP (RUN), EBCM (RUN), HDLP LEVELING, IGN 1 AND IGN 3 FUSES
Fuse Block Underhood B+ Bus