GM Service Manual Online
For 1990-2009 cars only
Makes
🢒
Cadillac
🢒
2006
🢒
DTS
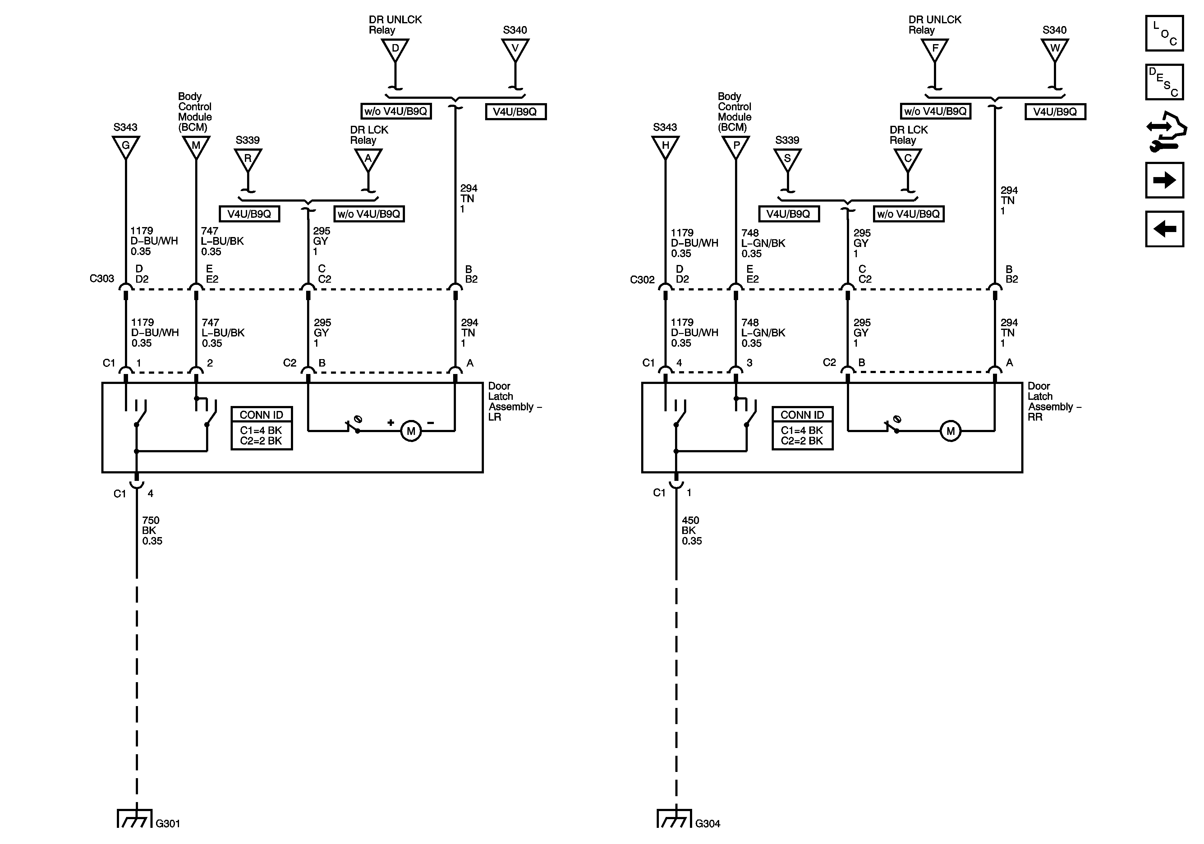
🢒 Rear Door Latch Assemblies
Rear Door Latch Assemblies
Rear Door Latch Assemblies
Master Electrical Component List
Power Door Locks Description and Operation
Control Module References
Middle Door Latch Assemblies - V4U
Door Lock, Unlock Relays
Door Lock, Unlock Relays
Door Lock, Unlock Relays
Middle Door Latch Assemblies - V4U
Door Lock, Unlock Relays
Middle Door Latch Assemblies - V4U
Door Lock, Unlock Relays
Door Lock, Unlock Relays
Door Lock, Unlock Relays
Middle Door Latch Assemblies - V4U
Door Lock, Unlock Relays
Middle Door Latch Assemblies - V4U
Door Lock, Unlock Relays
G301
G304