GM Service Manual Online
For 1990-2009 cars only
Figure 1:

G101, G110, G111, G114, G115, G302, G303, G306, G307


Object Number: 1759613  Size: FS
G100, G112
Power and Grounding Schematic Icons
Figure 2:

G100, G112


Object Number: 1759614  Size: FS
G104
G101, G110, G111, G114, G115, G302, G303, G306, G307
Figure 3:

G104


Object Number: 1759618  Size: FS
G300
G100, G112
Power and Grounding Schematic Icons
Power and Grounding Schematic Icons
Figure 4:

G300


Object Number: 1759619  Size: FS
G301
G104
Power and Grounding Schematic Icons
Power and Grounding Schematic Icons
Power and Grounding Schematic Icons
Figure 5:

G301


Object Number: 1759630  Size: FS
G304
G300
Figure 6:

G304


Object Number: 1759631  Size: FS
G305
G301
Figure 7:

G305


Object Number: 1759639  Size: FS
G402
G304
Figure 8:

G402


Object Number: 1759641  Size: FS
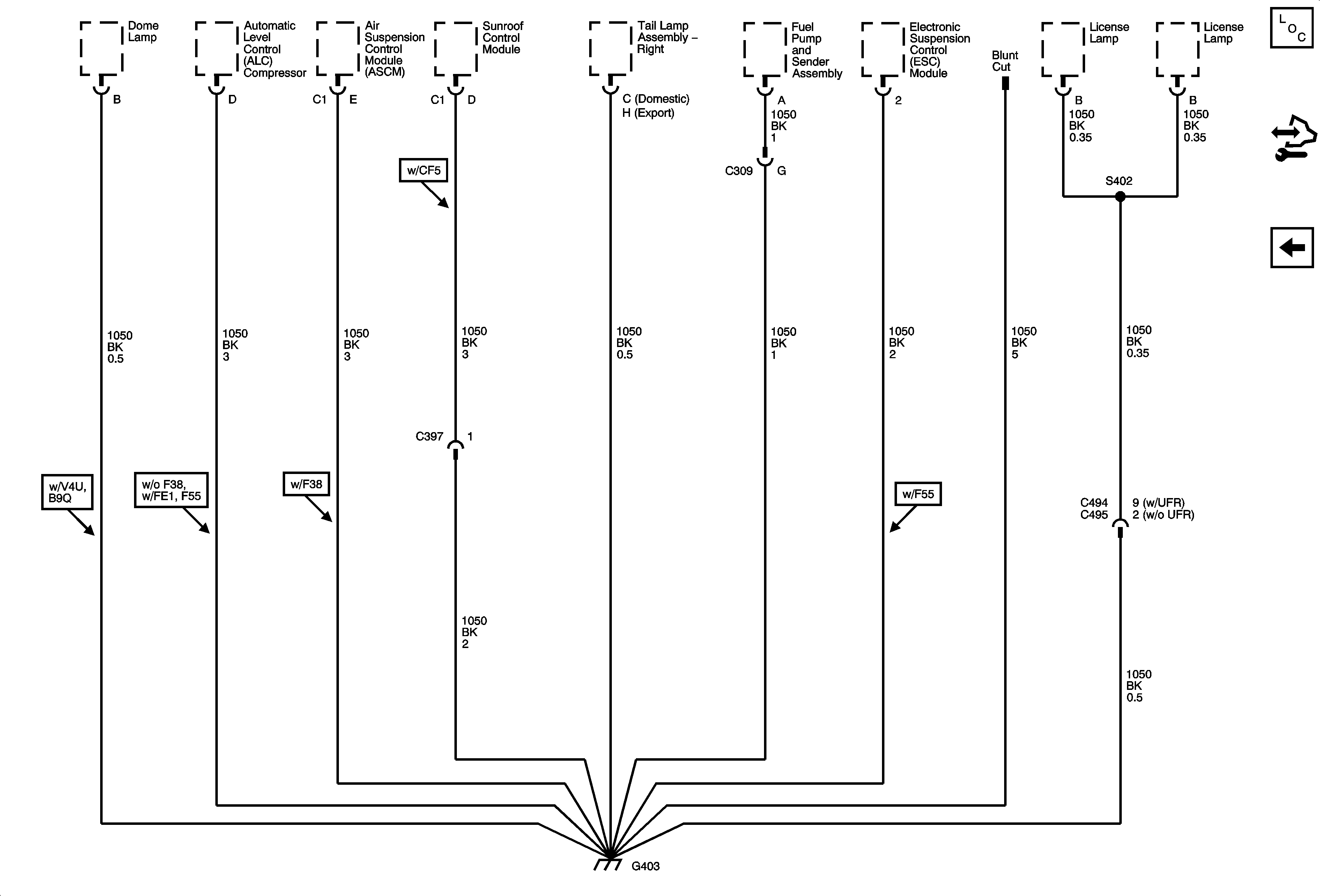
G403
G305
Figure 9:

G403


Object Number: 1759644  Size: FS
G402