GM Service Manual Online
For 1990-2009 cars only

Removal Procedure

    Important: Do NOT remove an air supply pipe in an attempt to depressurize the air suspension. Always follow the Air Suspension Depressurization Procedure. Refer to Air Suspension Depressurization . Failure to follow this procedure may cause personal injury or damage to the vehicle.

  1. Raise and support the vehicle. Refer to Lifting and Jacking the Vehicle .
  2. Depressurize the air suspension system. Refer to Air Suspension Depressurization .
  3. Important: Before disconnecting the air hoses from the intake air filter or the air compressor note the location of each hose. Clean the components and the surrounding area to prevent dirt and other foreign material from entering the ECAS (Electronically Controlled Air Suspension) system.


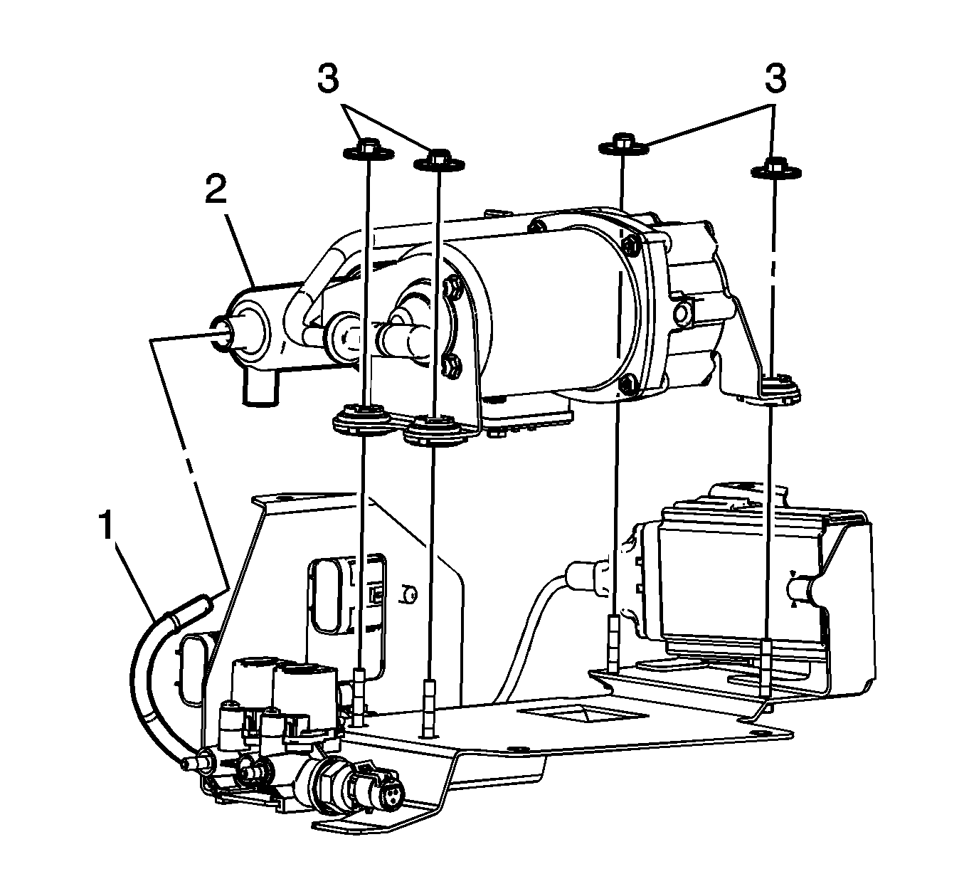
    Object Number: 1671453  Size: SH
  4. Remove the air compressor assembly. Refer to Compressor Assembly Automatic Level Control Air Replacement .
  5. Disconnect the air hose (1) from the air dryer.
  6. Remove the air compressor nuts and washers (3).
  7. Remove the air compressor with the dryer (2) from the bracket.

Installation Procedure


    Object Number: 1671453  Size: SH
  1. Install the air compressor with the dryer (2) to the bracket.
  2. Notice: Refer to Fastener Notice in the Preface section.

  3. Install the air compressor nuts and washers (3).
  4. Tighten
    Tighten the nuts to 2 N·m (18 lb in).

  5. Connect the air hose (1) to the air dryer. Ensure the air hose is fully seated into the air dryer.
  6. Install the air compressor assembly. Refer to Compressor Assembly Automatic Level Control Air Replacement .
  7. Pressurize the air suspension system after the repair has been completed. Refer to Air Suspension Pressurization .
  8. Lower the vehicle. Refer to Lifting and Jacking the Vehicle .