GM Service Manual Online
For 1990-2009 cars only
Makes
🢒
Cadillac
🢒
2007
🢒
DTS
🢒
Suspension
🢒
Automatic Level Control
🢒 Automatic Level Control Schematics
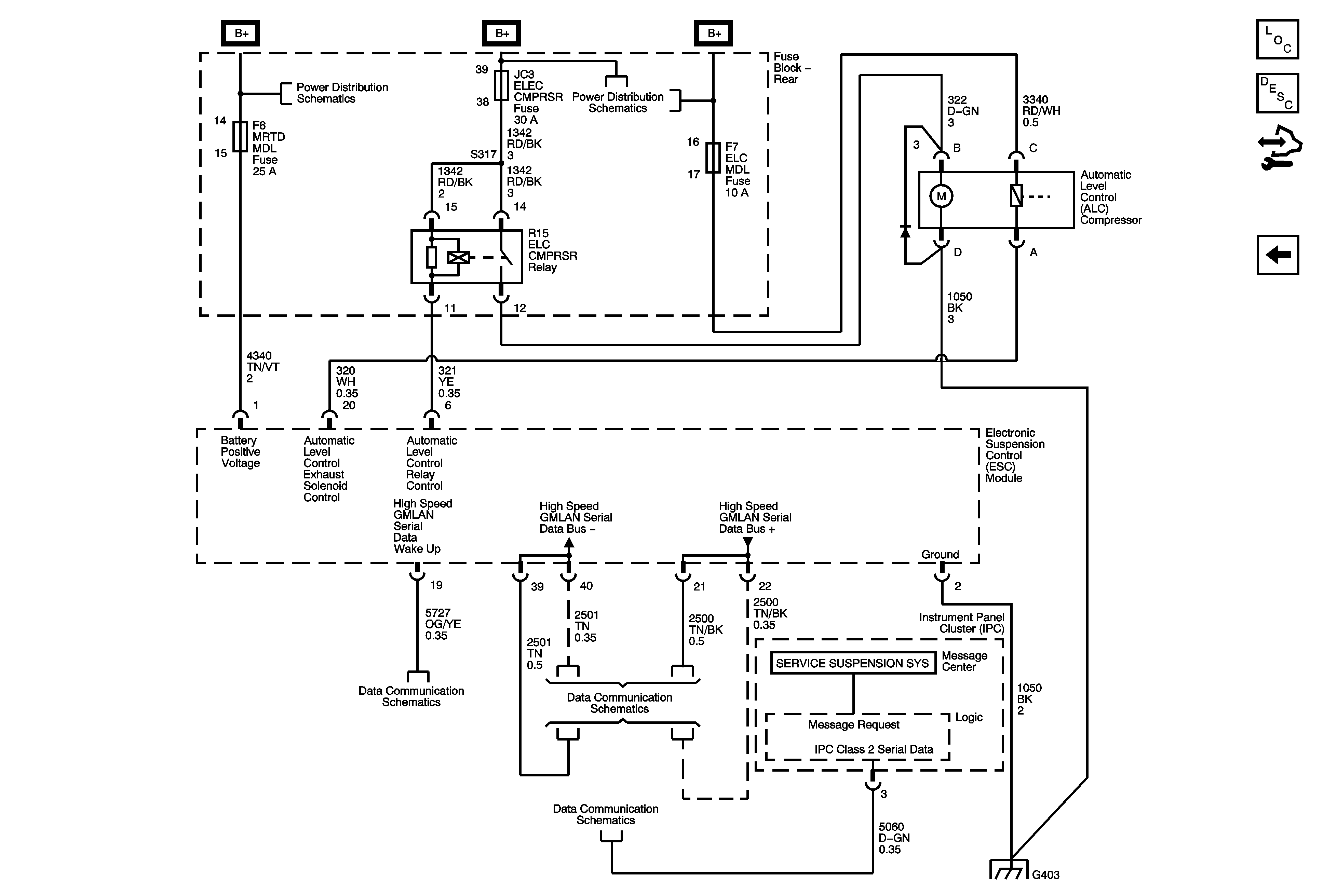
Figure
1:
Automatic Level Control (ALC) w/FE1
Master Electrical Component List
Automatic Level Control Description and Operation (w/o F55)
Control Module References
Automatic Level Control (ALC) w/F55
Rear Fuse Block B+
High Speed Serial Data, Wake Up
G403
Power, Ground and Low Speed GMLAN
High Speed Serial Data
G402
Figure
2:
Automatic Level Control (ALC) w/F55
Master Electrical Component List
Automatic Level Control Description and Operation (F55)
Control Module References
Automatic Level Control (ALC) w/FE1
Rear Fuse Block B+
Rear Fuse Block B+
High Speed Serial Data, Wake Up
High Speed Serial Data
Power, Ground and Low Speed GMLAN
G403