GM Service Manual Online
For 1990-2009 cars only
Makes
🢒
Cadillac
🢒
2007
🢒
DTS
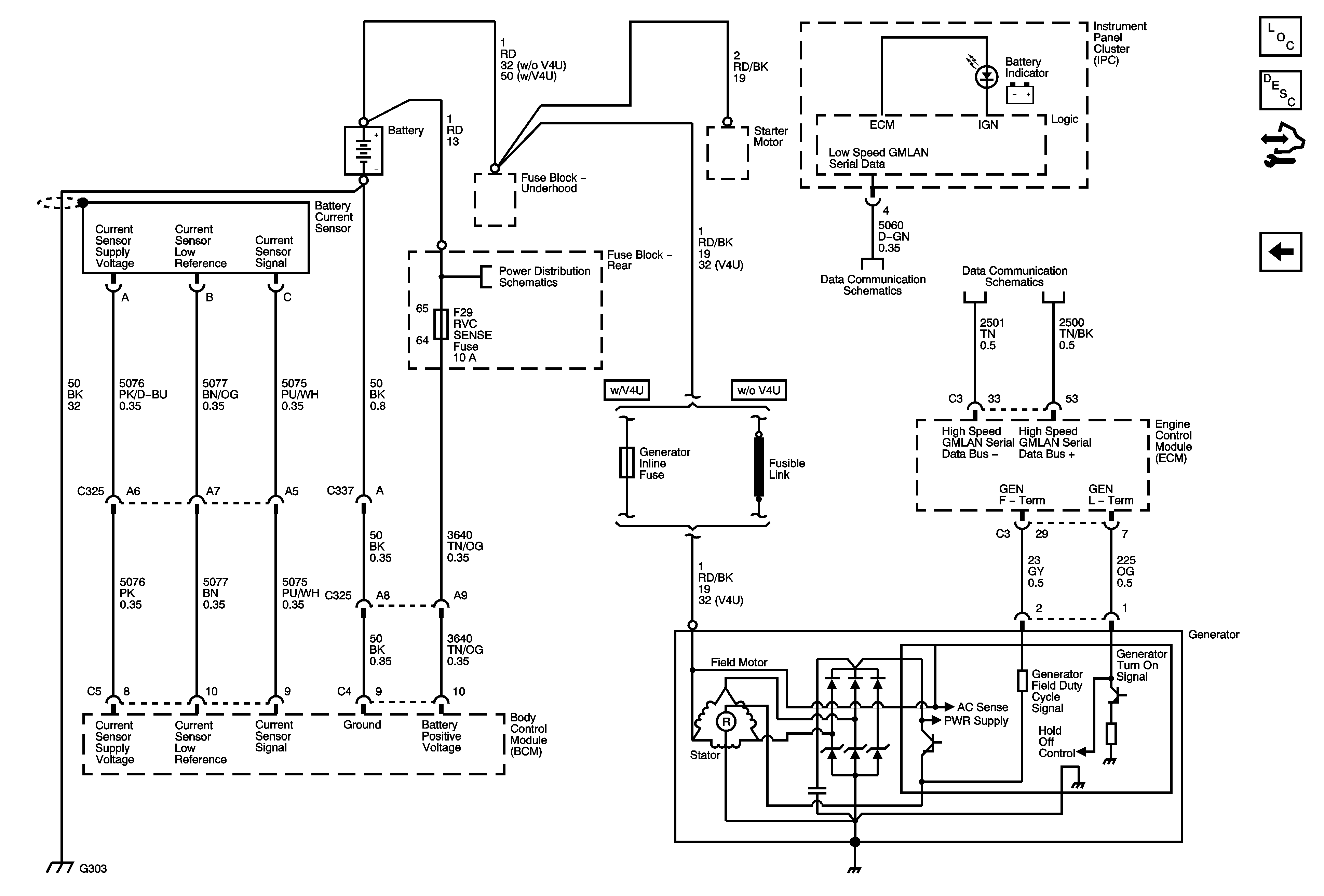
🢒 Charging Schematic
Charging Schematic
Charging
Master Electrical Component List
Charging System Description and Operation
Control Module References
Starting Schematic 2 of 2
Rear Fuse Block B+
Power, Ground and Low Speed GMLAN
High Speed Serial Data
G101, G110, G111, G114, G115, G302, G303, G306, G307