GM Service Manual Online
For 1990-2009 cars only
Makes
🢒
Cadillac
🢒
2007
🢒
DTS
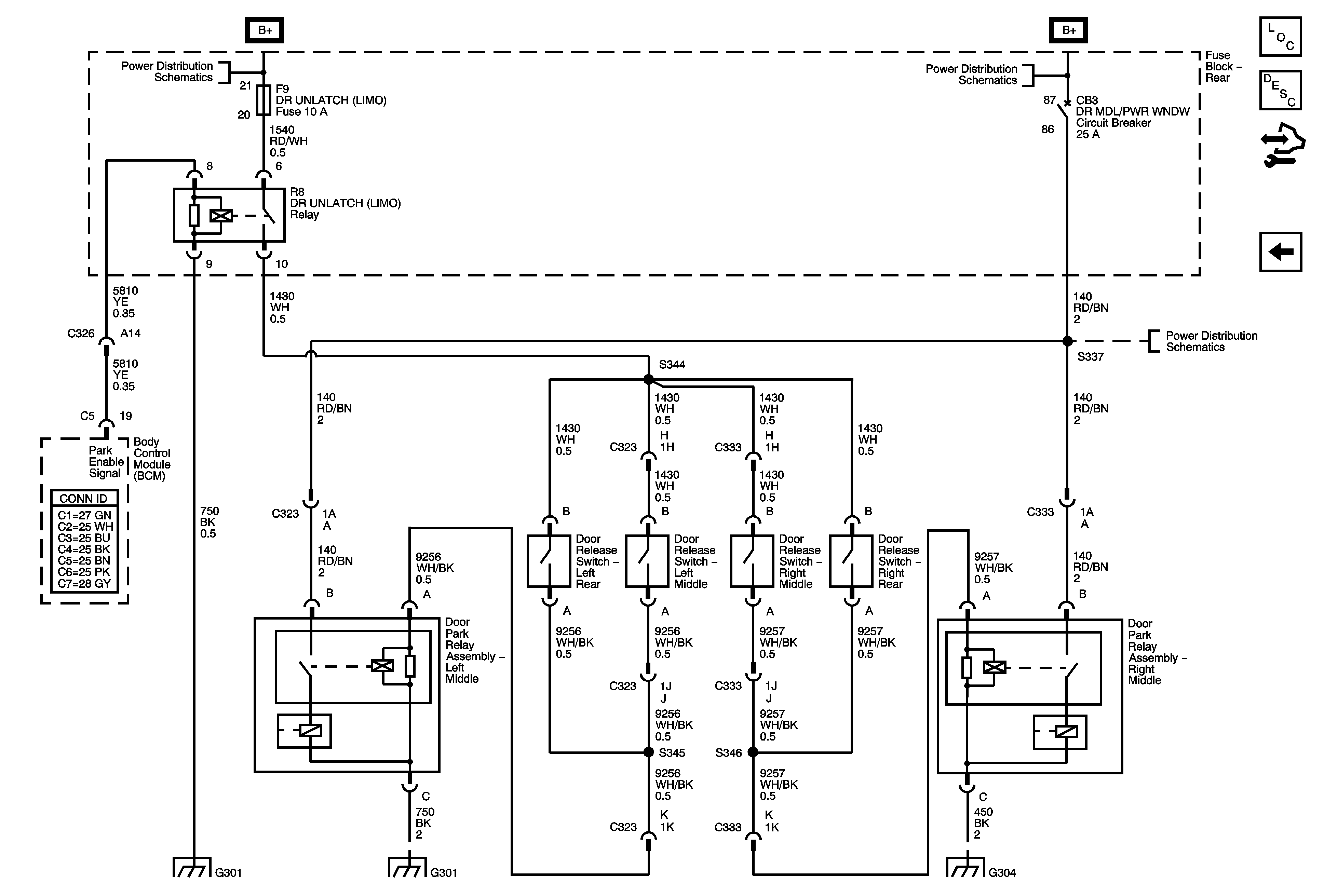
🢒 Door Release Switch - V4U
Door Release Switch - V4U
Door Release Switches - V4U
Master Electrical Component List
Power Door Locks Description and Operation
Control Module References
Rear Door Latch Assemblies - B9Q
Rear Fuse Block B+
Rear Fuse Block B+
Rear Fuse Block - LT TRN/SIG, RR TRN/SIG, CHMSL/BCK-UP, INT LAMPS, SWTCH DM, HVAC BLWR Fuses, DR MDL/PWR WNDW Circuit Breaker
G304
G301
G301