GM Service Manual Online
For 1990-2009 cars only
Makes
🢒
Cadillac
🢒
2007
🢒
DTS
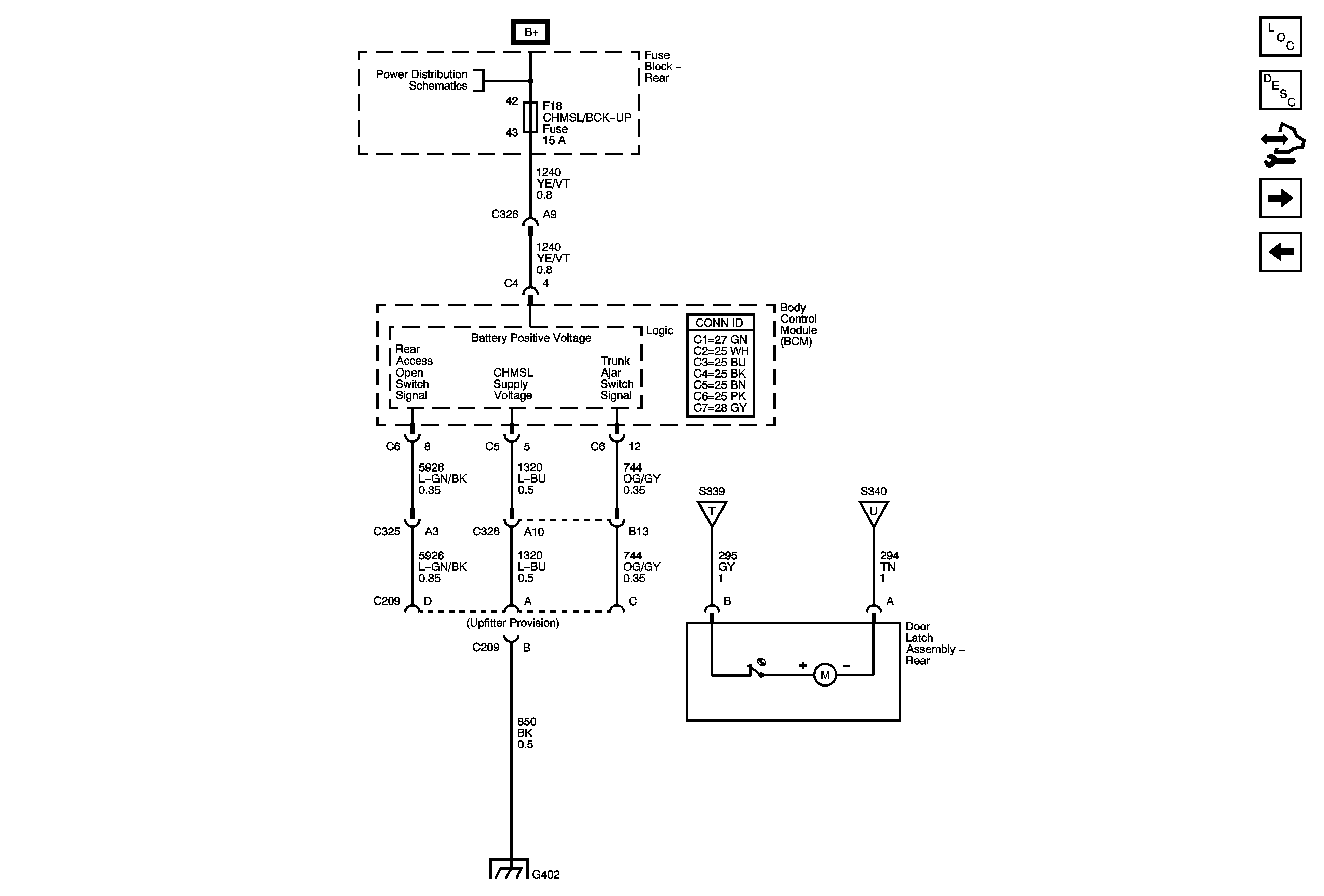
🢒 Rear Door Latch Assemblies - B9Q
Rear Door Latch Assemblies - B9Q
Rear Door Latch Assembly - B9Q
Master Electrical Component List
Luggage Compartment Description and Operation
Control Module References
Door Release Switch - V4U
Middle Door Latch Assemblies - V4U
Rear Fuse Block B+
Middle Door Latch Assemblies - V4U
Middle Door Latch Assemblies - V4U
G402