GM Service Manual Online
For 1990-2009 cars only
Makes
🢒
Cadillac
🢒
2007
🢒
DTS
🢒 Headlamps
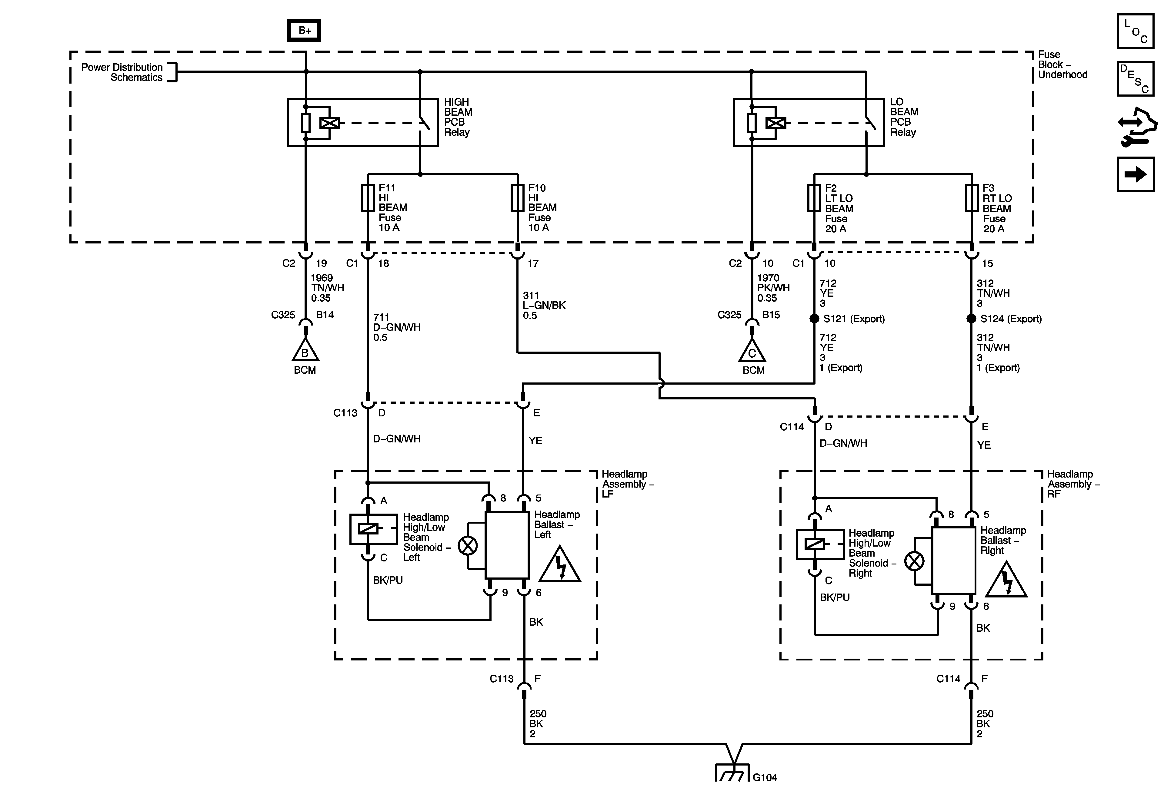
Headlamps
Headlamps
Exterior Lighting Systems Description and Operation
Headlamp Switch
Underhood Fuse Block B+
Headlamp Switch
Lighting Systems Schematic Icons
Headlamp Switch
G104
Lighting Systems Schematic Icons