GM Service Manual Online
For 1990-2009 cars only
Makes
🢒
Cadillac
🢒
2007
🢒
DTS
🢒 Window, Heated Seat, Seat Lumbar Switches
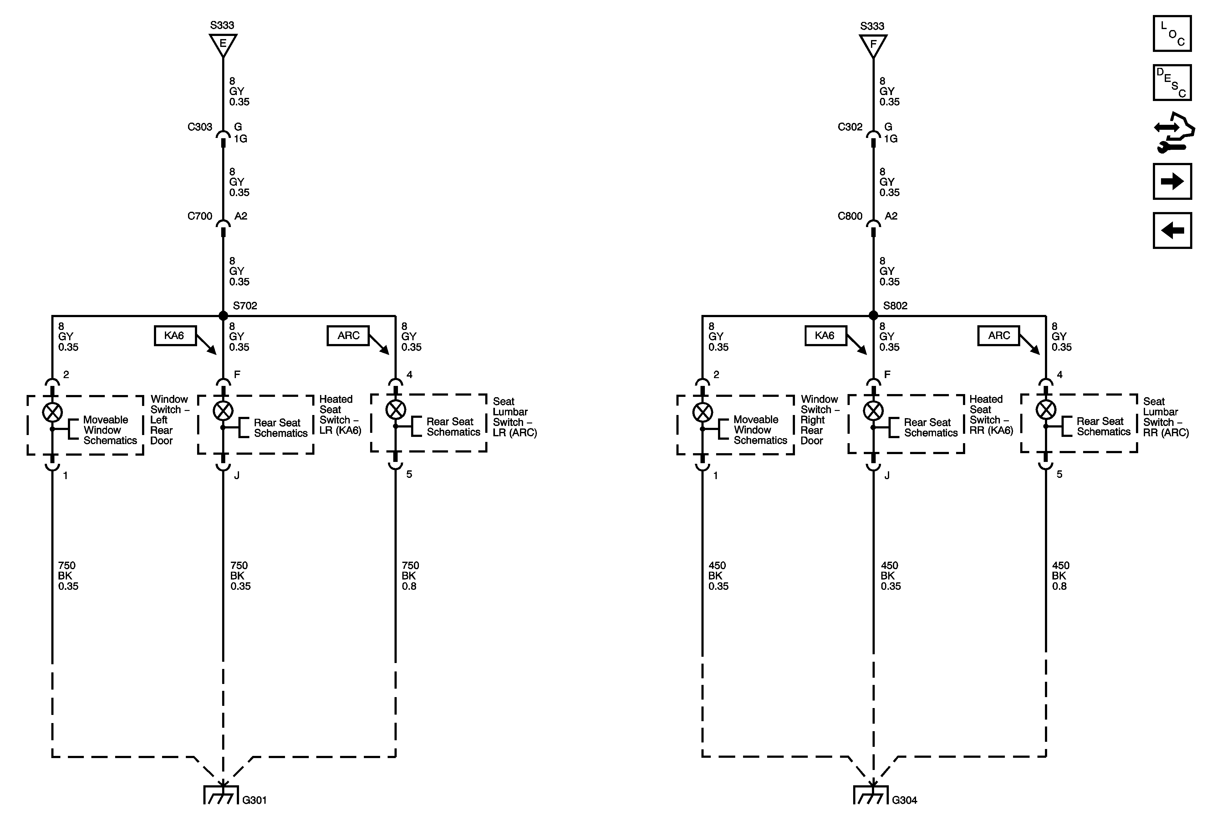
Window, Heated Seat, Seat Lumbar Switches
Window, Heated Seat, Seat Lumbar Switches
Interior Lighting Systems Description and Operation
HVAC Control Module, Steering Wheel, Heated Seat KA6, Telltale Assembly Info Center
Window, Traction Control, Sun Shade, Sunroof Switches, Reverse Lockout Solenoid, Garage Door Opener, Rear Compartment Courtesy Lamp
Window, Traction Control, Sun Shade, Sunroof Switches, Reverse Lockout Solenoid, Garage Door Opener, Rear Compartment Courtesy Lamp
Window, Traction Control, Sun Shade, Sunroof Switches, Reverse Lockout Solenoid, Garage Door Opener, Rear Compartment Courtesy Lamp
Window Switches
Left Rear Heated Seat Switch w/ KA6
w/ ARC
G301
Window Switches
Right Rear Heated Seat Switch w/ KA6
w/ ARC
G304