GM Service Manual Online
For 1990-2009 cars only
Makes
🢒
Cadillac
🢒
2007
🢒
DTS
🢒 w/ AM3
w/ AM3
w/AM3
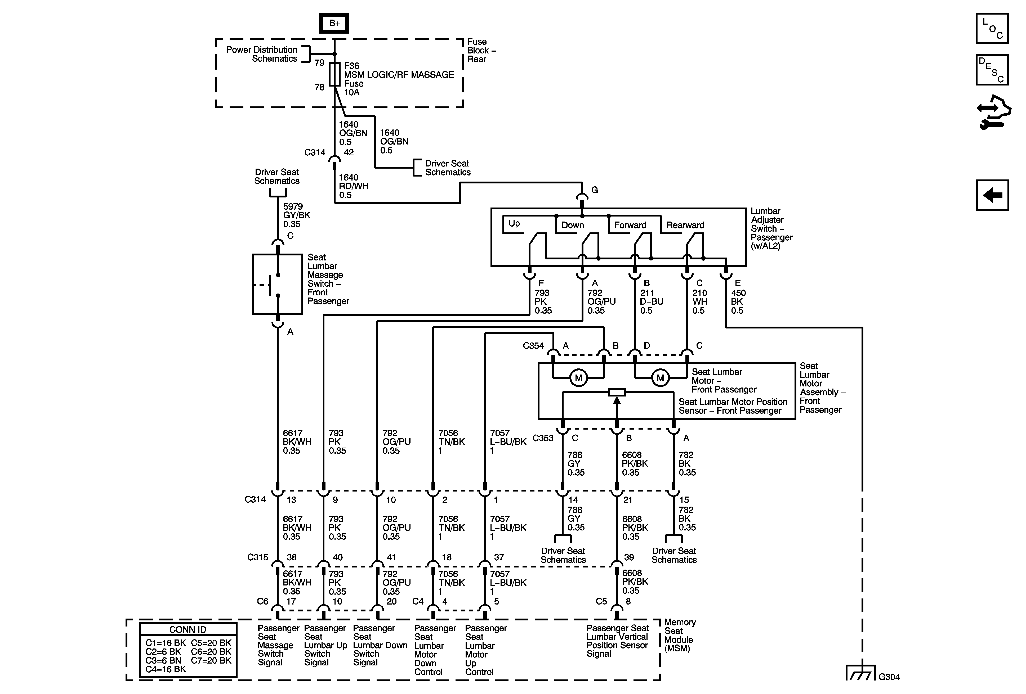
Memory Seats Description and Operation
w/o A45
Rear Fuse Block B+
w/ A45
w/ A45
Position Sensors
Position Sensors
G304