GM Service Manual Online
For 1990-2009 cars only

Cell 150: Radio (w/ UW6)


Object Number: 316417  Size: FS
Entertainment Components
Power Antenna System Circuit Description
Cell 150: Compact Disc Changer (w/ UW6 and U1S)
Power Distribution Schematics
Power Distribution Schematics
Ground Distribution Schematics
Interior Lights Dimming Schematics
Data Link Connector Schematics
Cellular Telephone Schematics
Power Antenna Schematics
Handling ESD Sensitive Parts Notice

Cell 150: Compact Disc Changer (w/ UW6 and U1S)


Object Number: 501278  Size: FS
Entertainment Components
Power Antenna System Circuit Description
Cell 150: Speakers (DeVille w/ UW6)
Cell 150: Radio (w/ UW6)
Handling ESD Sensitive Parts Notice
Power Distribution Schematics
Power Distribution Schematics
Ground Distribution Schematics

Cell 150: Speakers (DeVille w/ UW6)


Object Number: 316426  Size: FS
Power Antenna System Circuit Description
Entertainment Components
Cell 150: Speakers (Eldorado w/ UW6)
Cell 150: Compact Disc Changer (w/ UW6 and U1S)
Handling ESD Sensitive Parts Notice

Cell 150: Speakers (Eldorado w/ UW6)


Object Number: 316493  Size: FS
Entertainment Components
Power Antenna System Circuit Description
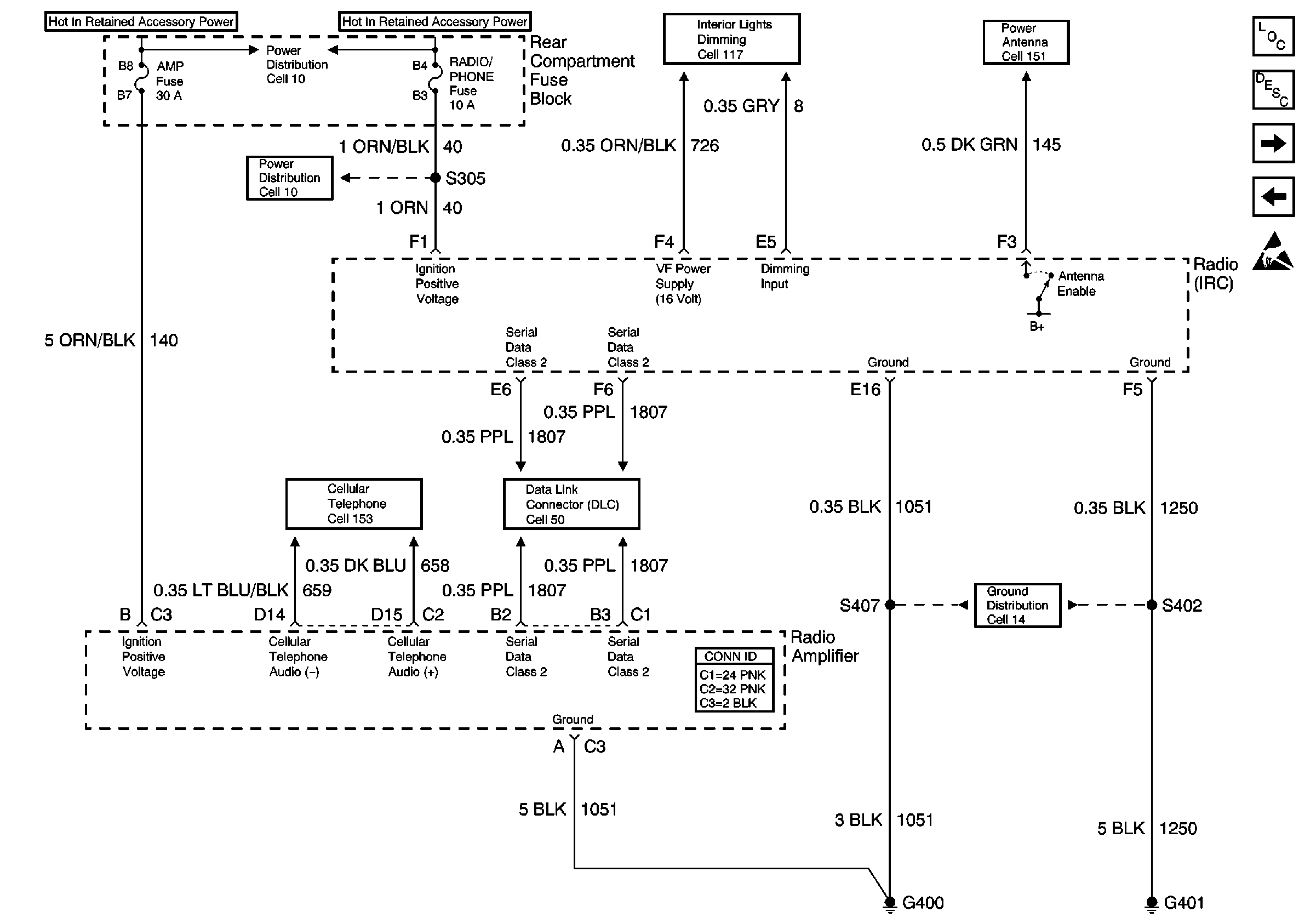
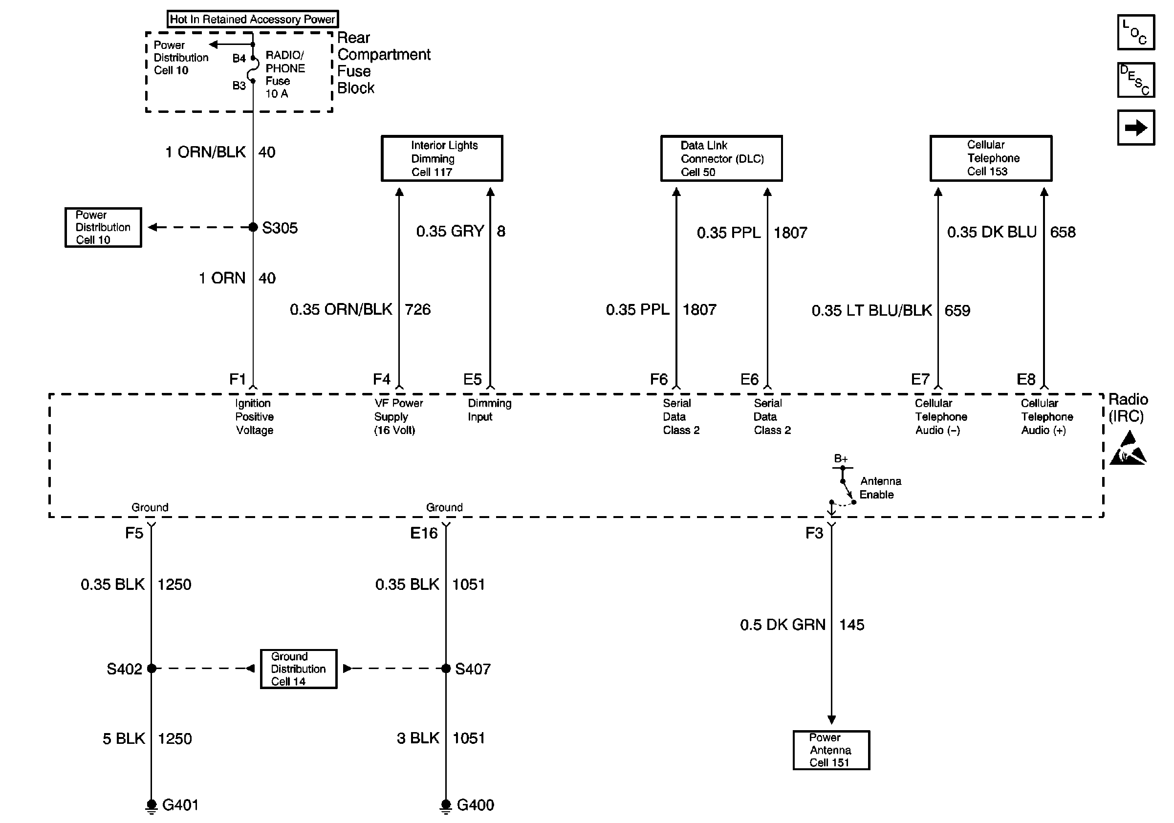
Cell 150: Radio and Radio Amplifier (w/ UQ6)
Data Link Communications Components
Handling ESD Sensitive Parts Notice

Cell 150: Radio and Radio Amplifier (w/ UQ6)


Object Number: 316504  Size: FS
Power Distribution Schematics
Power Distribution Schematics
Cellular Telephone Schematics
Data Link Connector Schematics
Entertainment Connector End Views
Ground Distribution Schematics
Interior Lights Dimming Schematics
Power Antenna Schematics
Entertainment Components
Power Antenna System Circuit Description
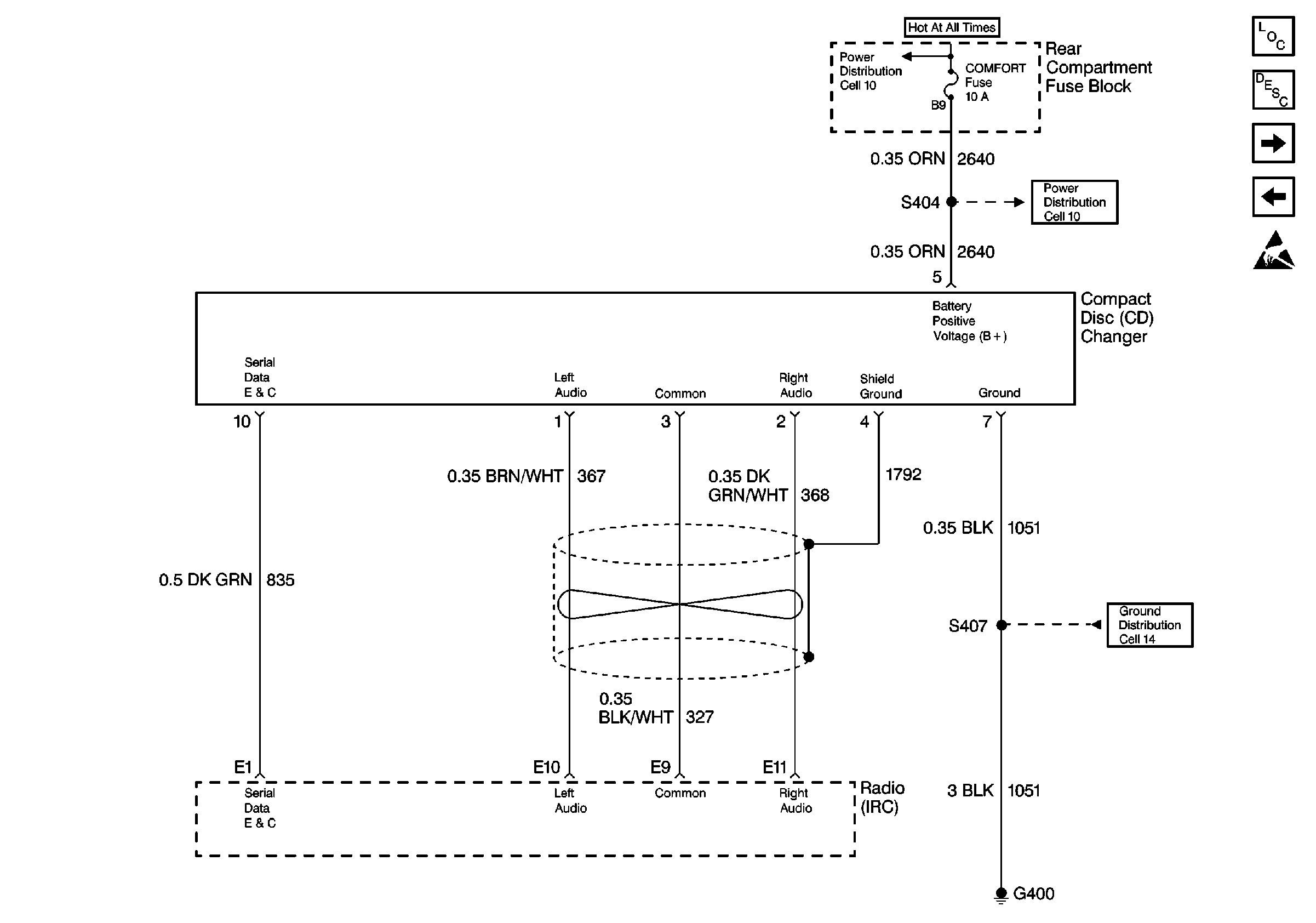
Cell 150: Compact Disc Changer (w/ UQ6 and U1S)
Cell 150: Speakers (Eldorado w/ UW6)
Handling ESD Sensitive Parts Notice

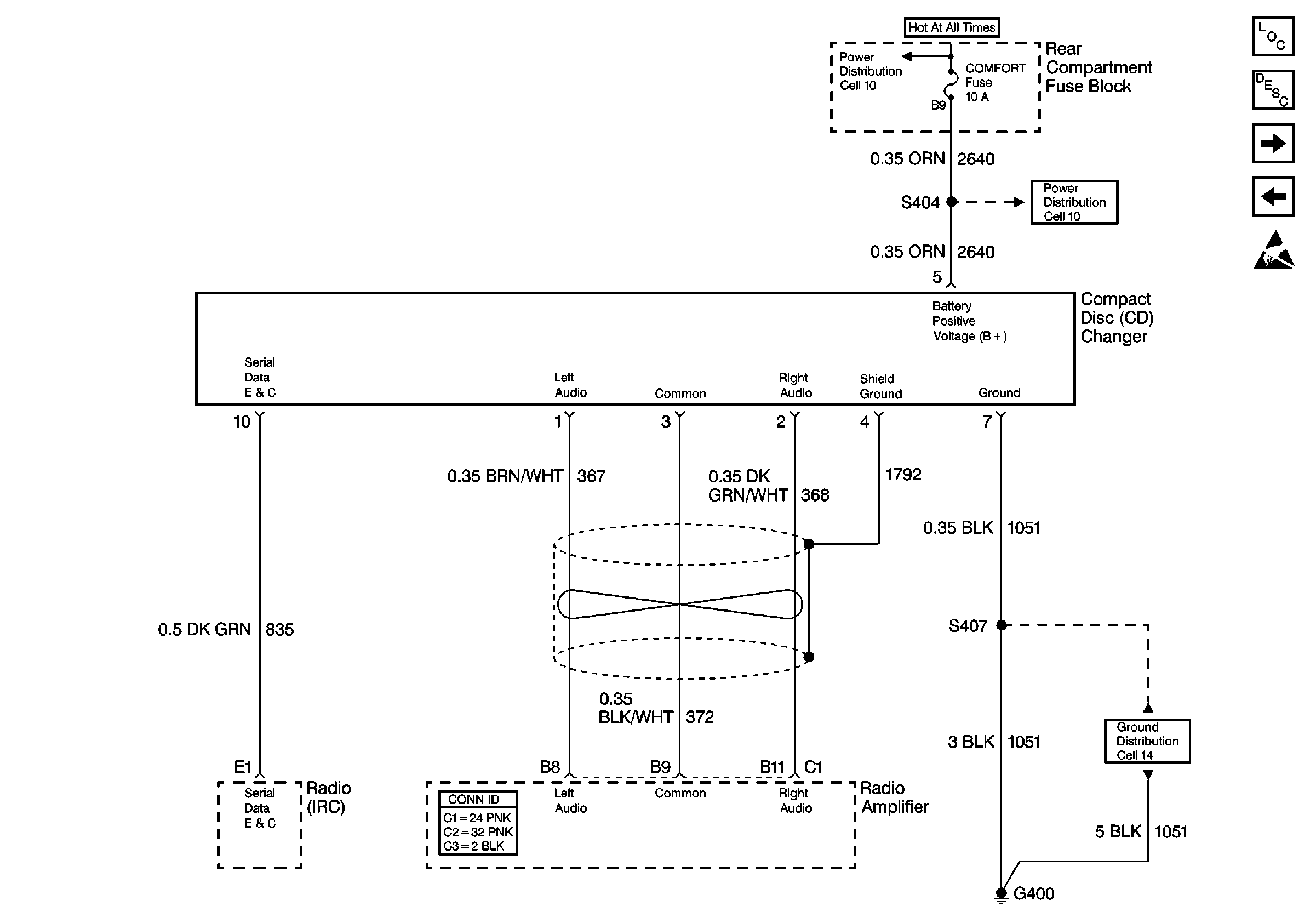
Cell 150: Compact Disc Changer (w/ UQ6 and U1S)


Object Number: 501283  Size: FS
Power Distribution Schematics
Power Distribution Schematics
Ground Distribution Schematics
Entertainment Connector End Views
Handling ESD Sensitive Parts Notice
Cell 150: Radio and Radio Amplifier (w/ UQ6)
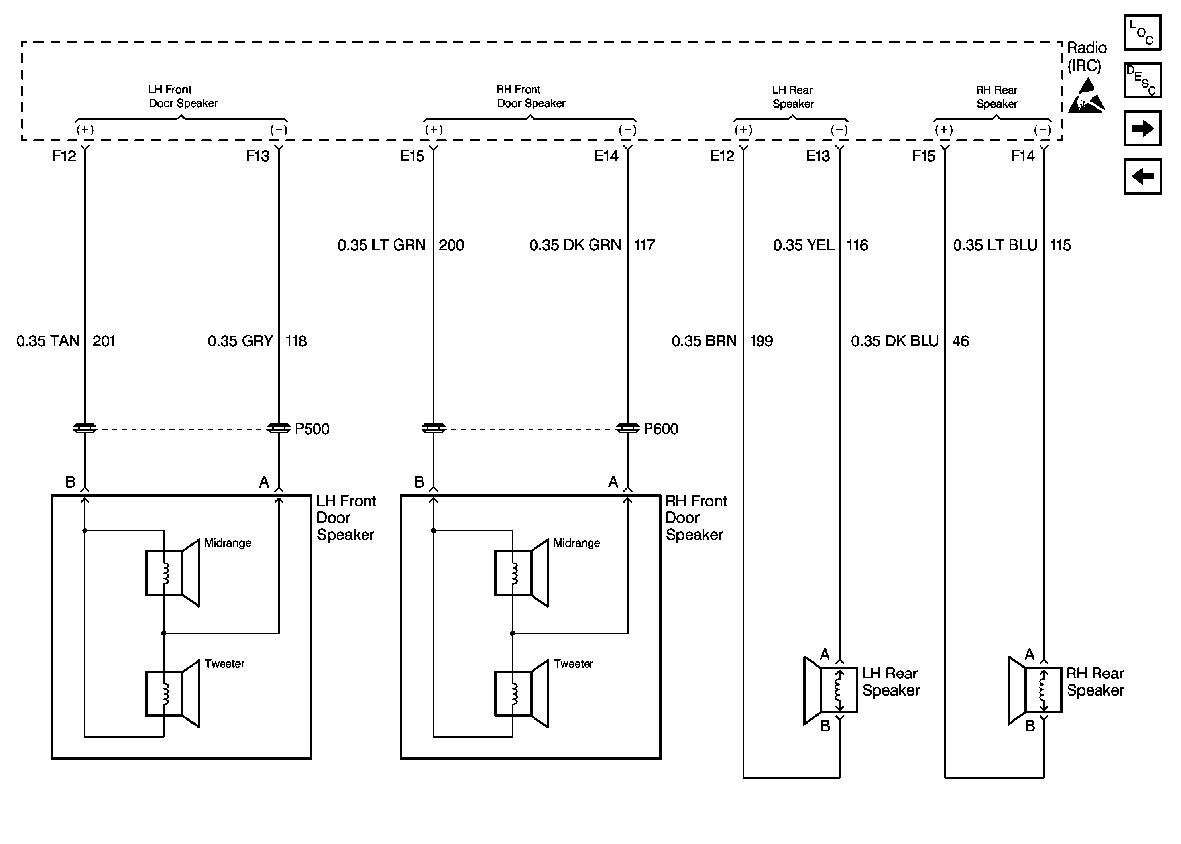
Cell 150: Radio Amplifier and Rear Speakers (w/ UQ6) 1 of 2
Power Antenna System Circuit Description
Entertainment Components

Cell 150: Radio Amplifier and Rear Speakers (w/ UQ6) 1 of 2


Object Number: 501284  Size: FS
Entertainment Components
Power Antenna System Circuit Description
Cell 150: Radio Amplifier and Speakers (w/ UQ6) 2 of 2
Cell 150: Compact Disc Changer (w/ UQ6 and U1S)
Handling ESD Sensitive Parts Notice
Entertainment Connector End Views

Cell 150: Radio Amplifier and Speakers (w/ UQ6) 2 of 2


Object Number: 316585  Size: FS
Entertainment Components
Power Antenna System Circuit Description
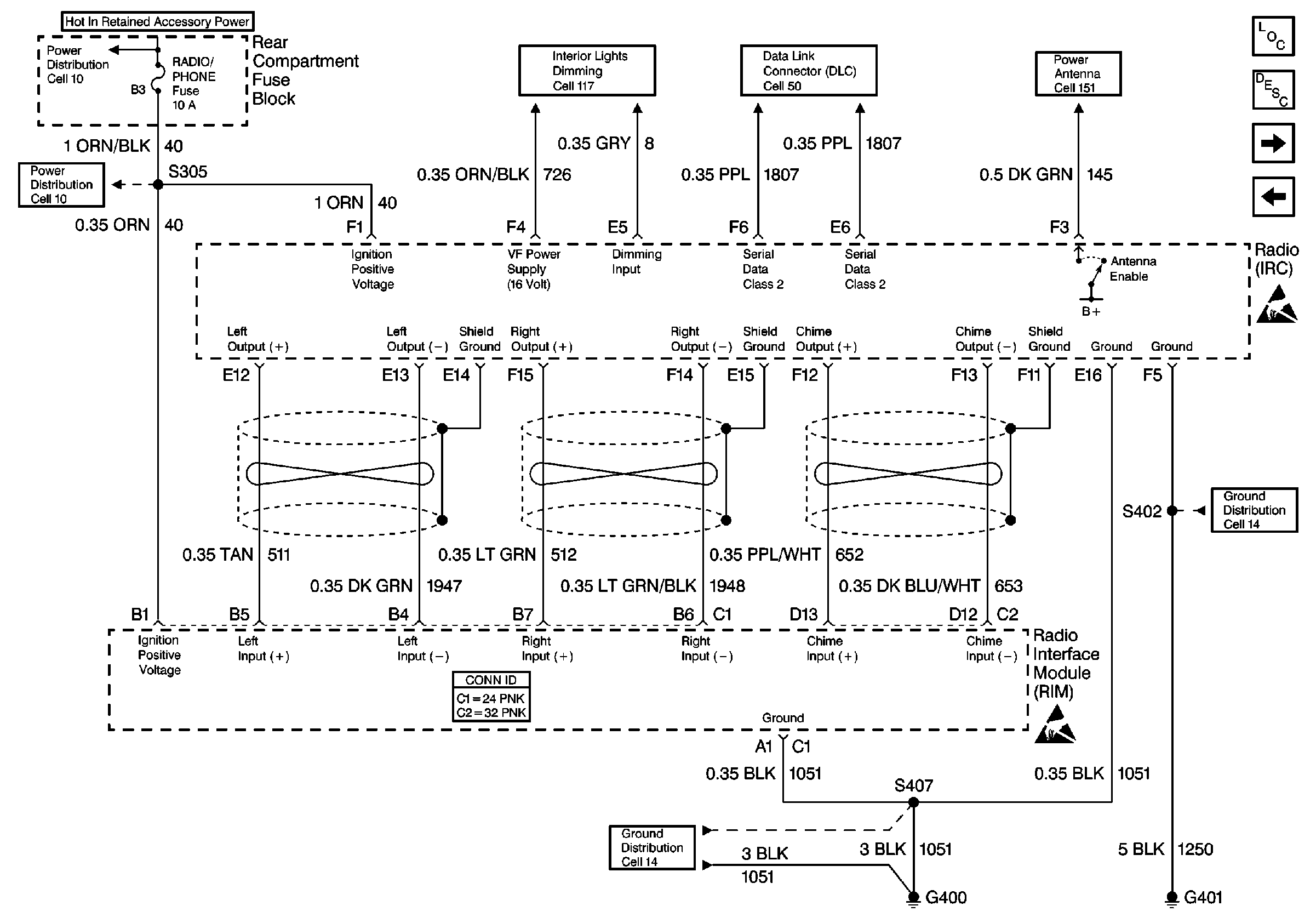
Cell 150: Radio and Radio Interface Module (w/ UQ4)
Cell 150: Radio Amplifier and Rear Speakers (w/ UQ6) 1 of 2
Handling ESD Sensitive Parts Notice
Entertainment Connector End Views

Cell 150: Radio and Radio Interface Module (w/ UQ4)


Object Number: 501287  Size: FS
Power Distribution Schematics
Interior Lights Dimming Schematics
Data Link Connector Schematics
Power Antenna Schematics
Entertainment Components
Power Antenna System Circuit Description
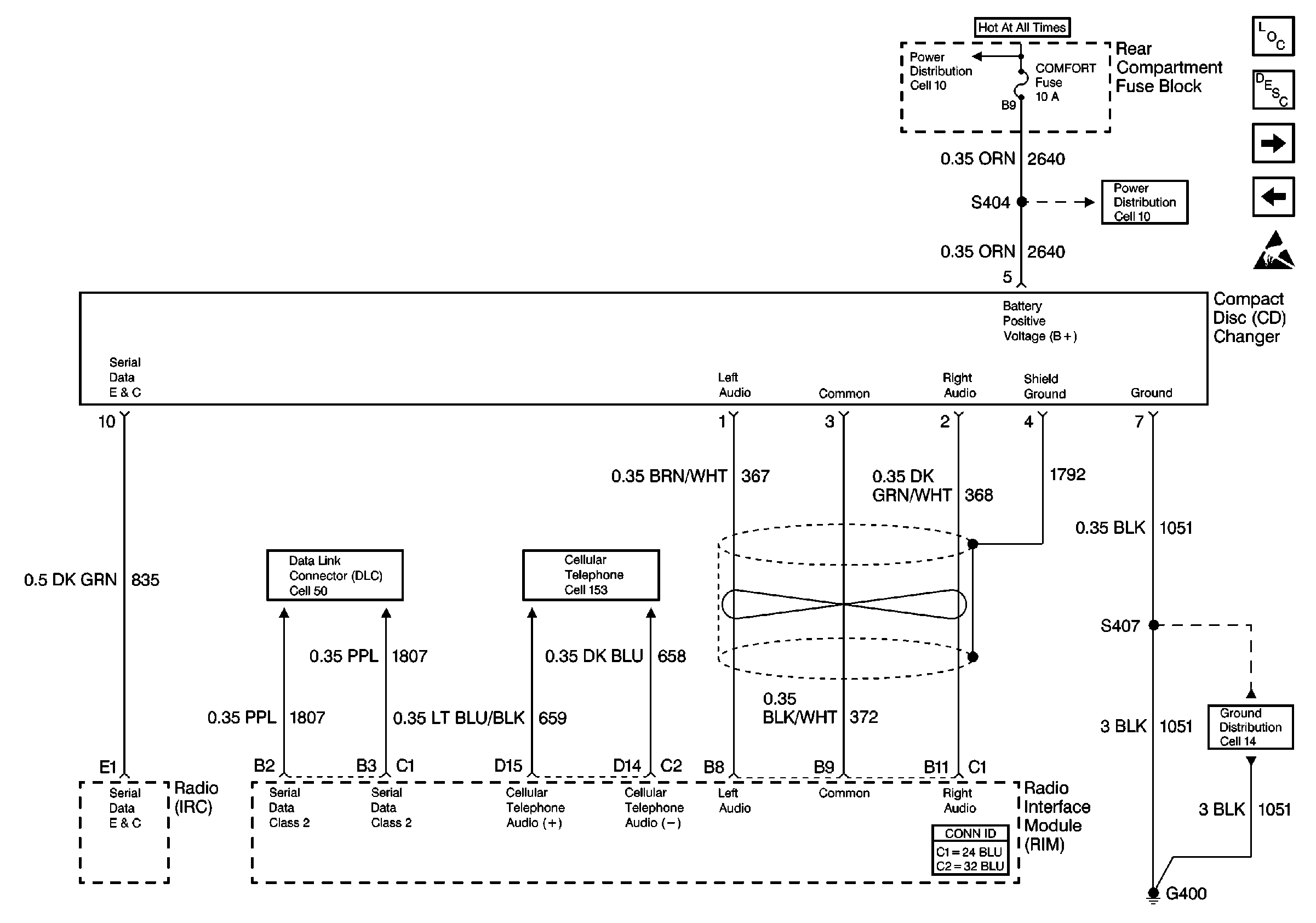
Cell 150: Compact Disc Changer (w/ UQ4 and U1S)
Cell 150: Radio Amplifier and Speakers (w/ UQ6) 2 of 2
Handling ESD Sensitive Parts Notice
Ground Distribution Schematics
Ground Distribution Schematics
Entertainment Connector End Views
Handling ESD Sensitive Parts Notice
Power Distribution Schematics

Cell 150: Compact Disc Changer (w/ UQ4 and U1S)


Object Number: 501291  Size: FS
Entertainment Components
Power Antenna System Circuit Description
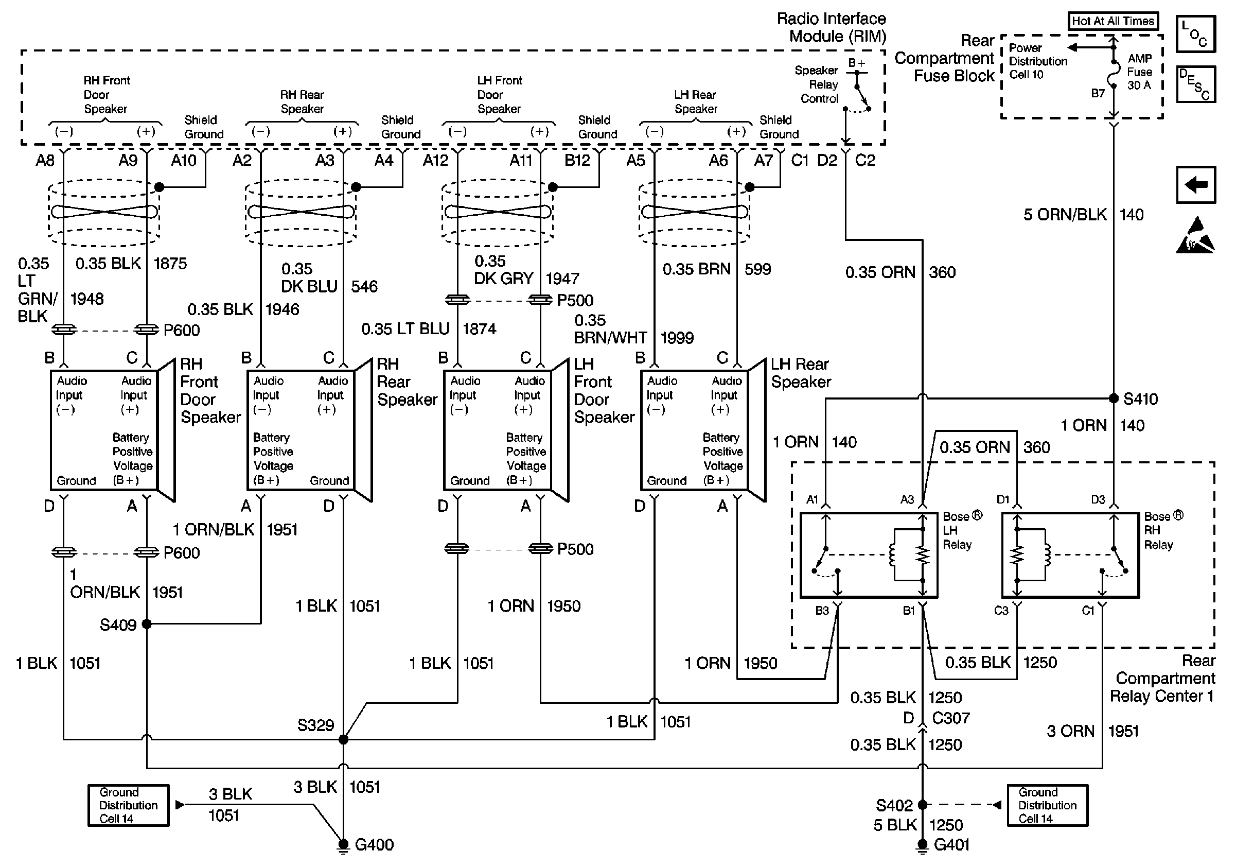
Cell 150: Radio Interface Module and Speakers (w/ UQ4)
Cell 150: Radio and Radio Interface Module (w/ UQ4)
Handling ESD Sensitive Parts Notice
Power Distribution Schematics
Data Link Connector Schematics
Cellular Telephone Schematics
Entertainment Connector End Views
Ground Distribution Schematics
Power Distribution Schematics

Cell 150: Radio Interface Module and Speakers (w/ UQ4)


Object Number: 501295  Size: FS
Entertainment Components
Power Antenna System Circuit Description
Cell 150: Compact Disc Changer (w/ UQ4 and U1S)
Handling ESD Sensitive Parts Notice
Power Distribution Schematics
Ground Distribution Schematics
Ground Distribution Schematics