GM Service Manual Online
For 1990-2009 cars only
Makes
🢒
Cadillac
🢒
1998
🢒
DeVille
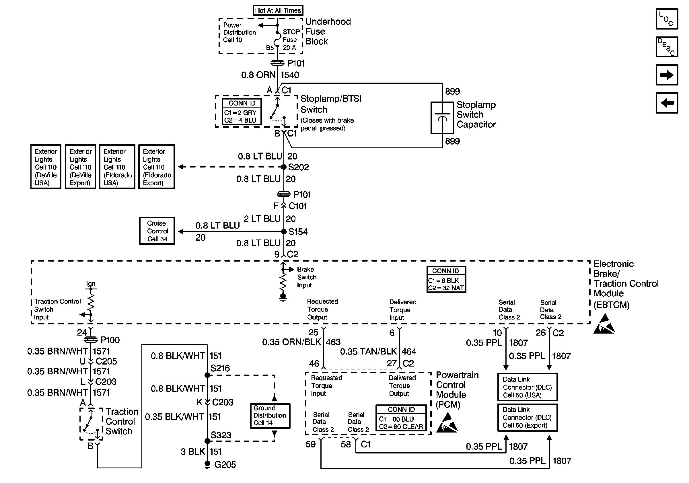
🢒 Cell 44: Stoplamp Switch, Traction Control Switch, Torque Status, andClass 2
Cell 44: Stoplamp Switch, Traction Control Switch, Torque Status, andClass 2
Cell 44: Stoplamp Switch, Traction Control Switch, Torque Status, and Class 2
ABS Components
ABS/TCS/ICCS System Description
Cell 44: Wheel Speed Sensors and Variable Steering Actuator
Cell 44: Power, Ground, and ANTILOCK Indicator
Cell 10: LAMPS Fuse
Cell 110: Turn Signal Flasher, Hazard Flasher, and Stoplamp/BTSI Switch; DeVille
Cell 110: Turn Signal Flasher, Hazard Flasher, and Stoplamp/BTSI Switch; DeVilLe Export
Cell 110: Turn Signal Flasher, Hazard Flasher, and Stoplamp/BTSI Switch; Eldorado
Cell 110: Turn Signal Flasher, Hazard Flasher, and Stoplamp/BTSI Switch; Eldorado Export
Cell 34: Cruise Control Module
Cell 14: G205
Cell 50: Power, Ground, and Class 2
Cell 50: Power, Ground, and Class 2 (Export)