GM Service Manual Online
For 1990-2009 cars only
Makes
🢒
Cadillac
🢒
1998
🢒
DeVille
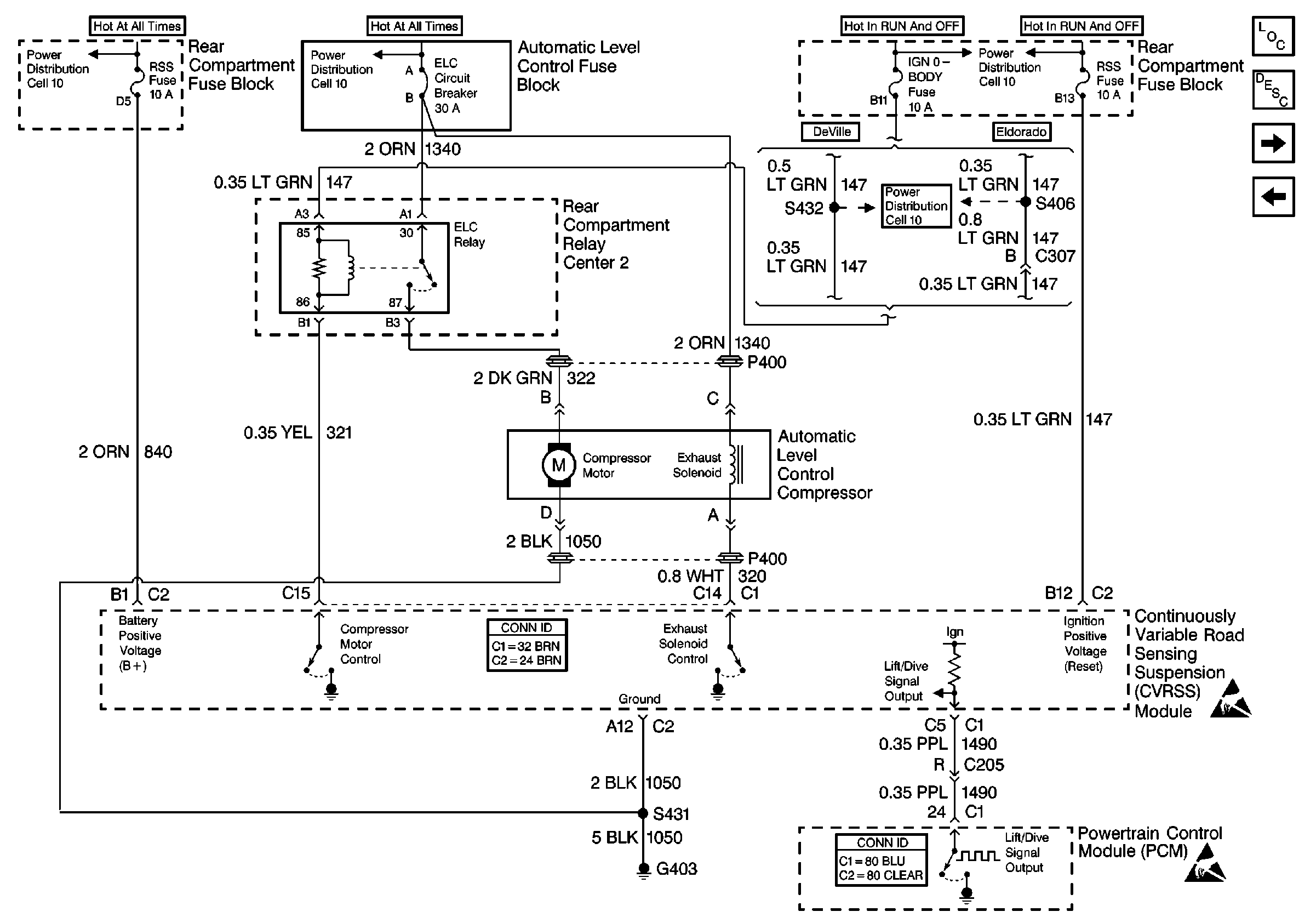
🢒 Cell 42: Automatic Level Control - Compressor (With F45)
Cell 42: Automatic Level Control - Compressor (With F45)
Cell 42: Automatic Level Control -- Compressor (With F45)
Automatic Level Control Suspension Components
Automatic Level Control General Description
Cell 42: Automatic Level Control - Rear Sensors (With F45)
Handling ESD Sensitive Parts Notice
Handling ESD Sensitive Parts Notice
Power Distribution Schematics
Power Distribution Schematics
Power Distribution Schematics
Power Distribution Schematics
Powertrain Control Module Connector End Views
Suspension Controls Connector End Views