GM Service Manual Online
For 1990-2009 cars only
Makes
🢒
Cadillac
🢒
1998
🢒
DeVille
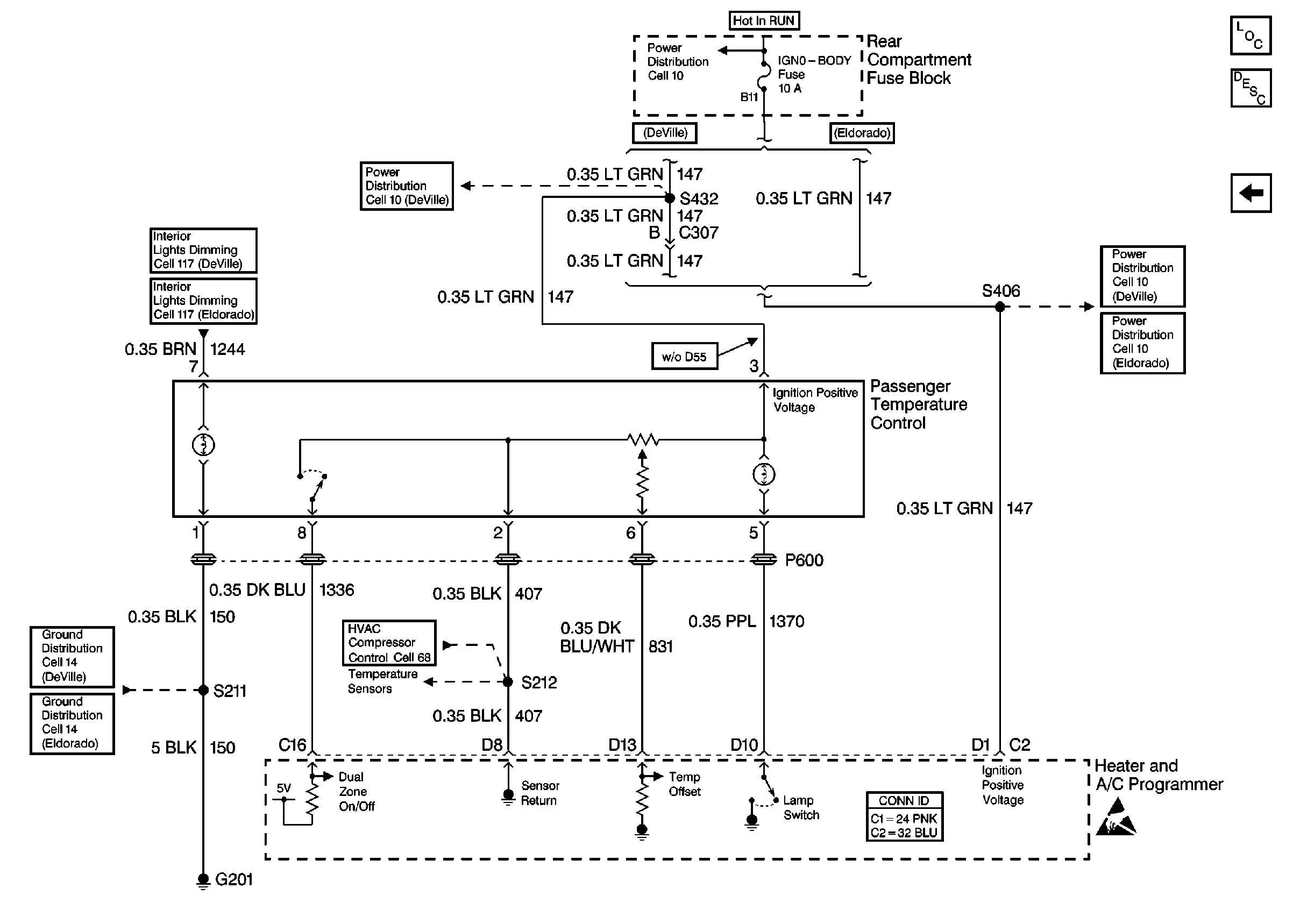
🢒 Cell 68: Passenger Temperature Control
Cell 68: Passenger Temperature Control
Cell 68: Passenger Temperature Control
HVAC Components
HVAC Temperature Controls Circuit Description
Cell 68: Temperature Sensors
Cell 10: BODY 2 Fuse
Cell 10: IGN 0 - BODY Fuse (DeVille)
Cell 10: IGN 0 - BODY Fuse (DeVille)
Cell 10: IGN 0 - BODY Fuse (Eldorado)
Interior Lights Schematics
Interior Lights Schematics
Cell 14: G201
Cell 14: G201
Cell 68: Temperature Sensors
HVAC Connector End Views