GM Service Manual Online
For 1990-2009 cars only
Makes
🢒
Cadillac
🢒
1998
🢒
DeVille
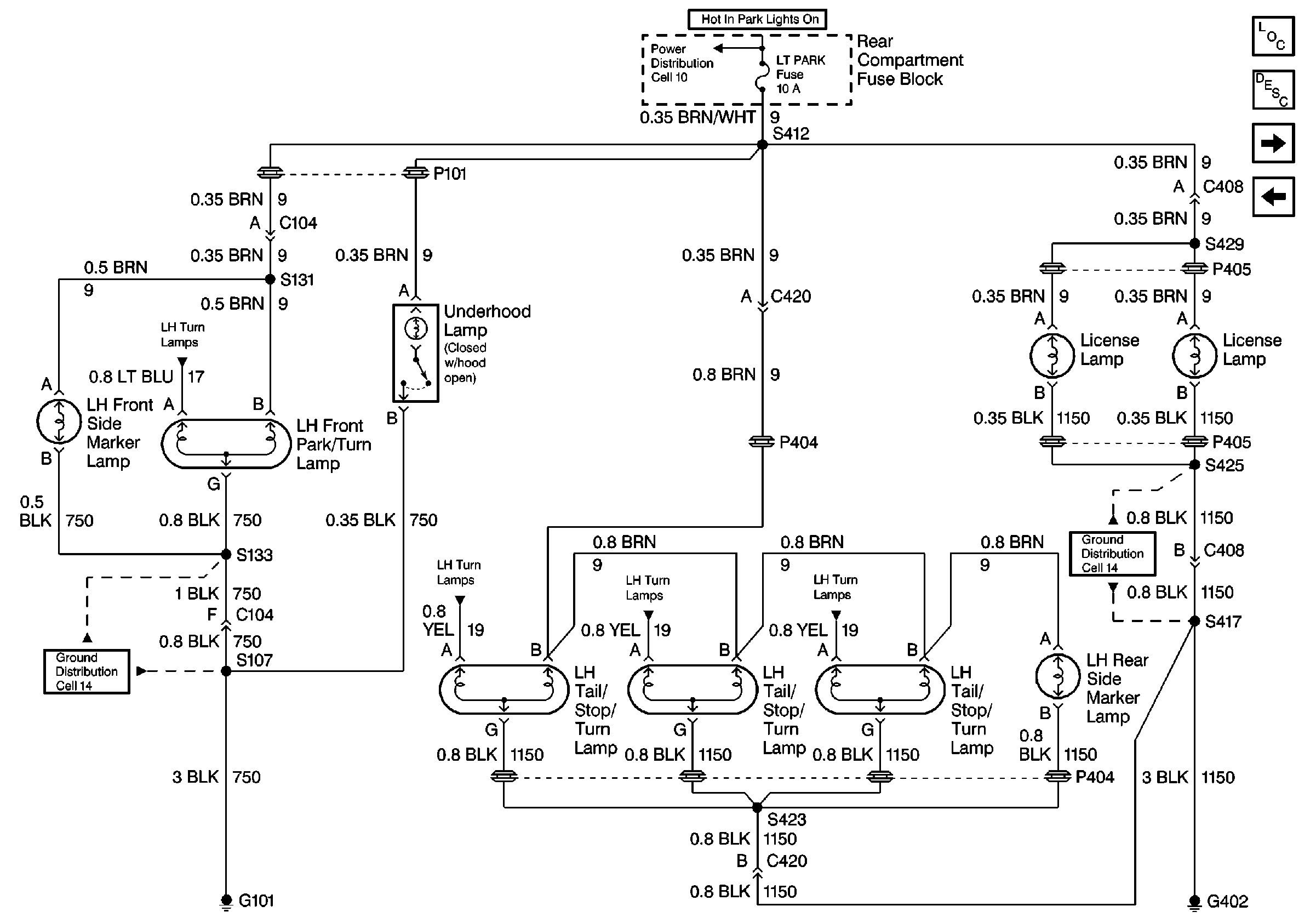
🢒 Cell 110: LH Park Lamps; Eldorado
Cell 110: LH Park Lamps; Eldorado
Cell 110: LH Park Lamps; Eldorado
Ground Distribution Schematics
Ground Distribution Schematics
Power Distribution Schematics
Lighting Systems Components
Exterior Lights Circuit Description
Cell 110: RH Park Lamps; Eldorado
Cell 110: Cornering Lamps; DeVille Export
Cell 110: Turn Lamps; Eldorado
Cell 110: Turn Lamps; Eldorado
Cell 110: Turn Lamps; Eldorado
Cell 110: Turn Lamps; Eldorado