GM Service Manual Online
For 1990-2009 cars only
Makes
🢒
Cadillac
🢒
1998
🢒
DeVille
🢒 Cell 110: Turn Lamps; Eldorado
Cell 110: Turn Lamps; Eldorado
Cell 110: Turn Lamps; Eldorado
Ground Distribution Schematics
Ground Distribution Schematics
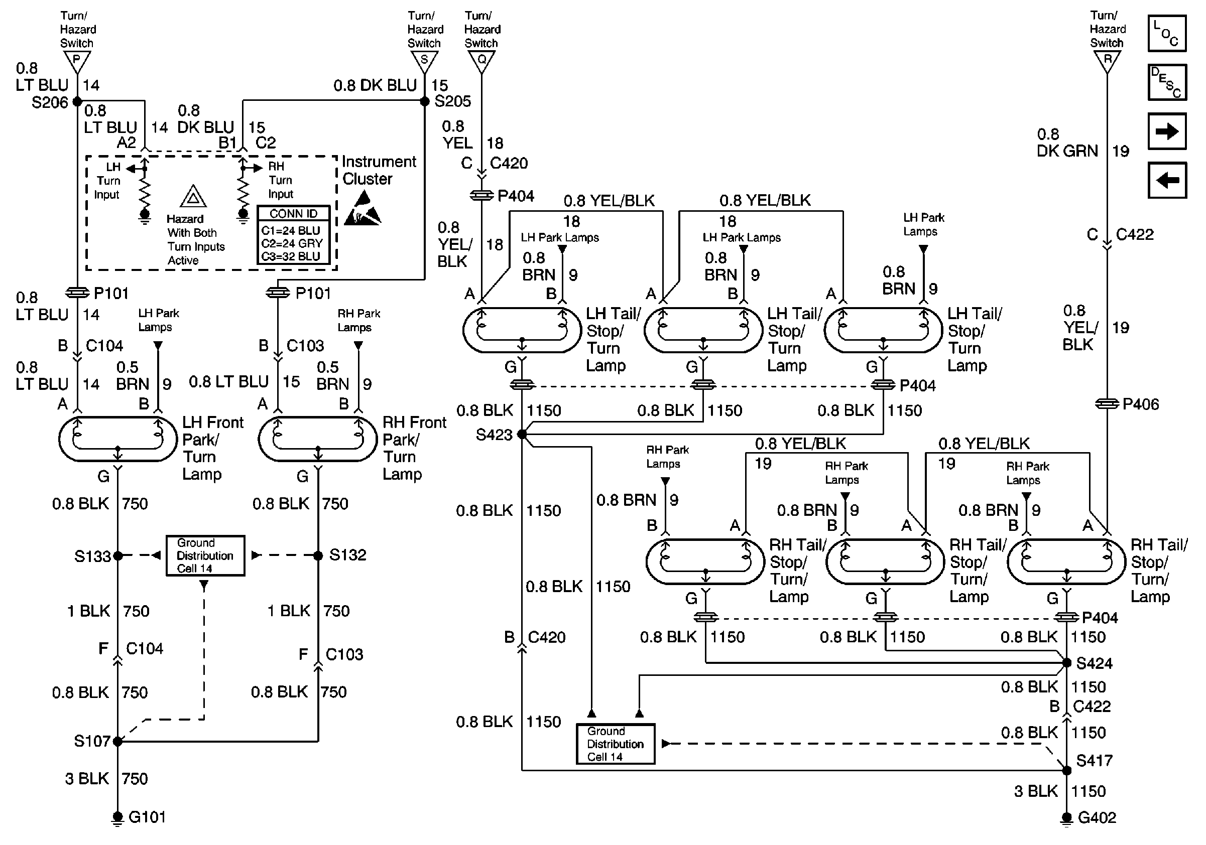
Cell 110: Turn Signal Flasher, Hazard Flasher, and Stoplamp/BTSI Switch; Eldorado
Instrument Panel, Gages, and Console Connector End Views
Handling ESD Sensitive Parts Notice
Cell 110: Turn Signal Flasher, Hazard Flasher, and Stoplamp/BTSI Switch; Eldorado
Cell 110: Turn Signal Flasher, Hazard Flasher, and Stoplamp/BTSI Switch; Eldorado
Cell 110: Turn Signal Flasher, Hazard Flasher, and Stoplamp/BTSI Switch; Eldorado
Lighting Systems Components
Exterior Lights Circuit Description
Cell 110: LH Park Lamps; Eldorado Export
Cell 110: Turn Signal Flasher, Hazard Flasher, and Stoplamp/BTSI Switch; Eldorado
Cell 110: LH Park Lamps; Eldorado
Cell 110: RH Park Lamps; Eldorado
Cell 110: LH Park Lamps; Eldorado
Cell 110: LH Park Lamps; Eldorado
Cell 110: LH Park Lamps; Eldorado
Cell 110: RH Park Lamps; Eldorado
Cell 110: RH Park Lamps; Eldorado
Cell 110: RH Park Lamps; Eldorado