GM Service Manual Online
For 1990-2009 cars only
Makes
🢒
Cadillac
🢒
1999
🢒
DeVille
🢒 Cell 100: Headlamps
Cell 100: Headlamps
Cell 100: Headlamps
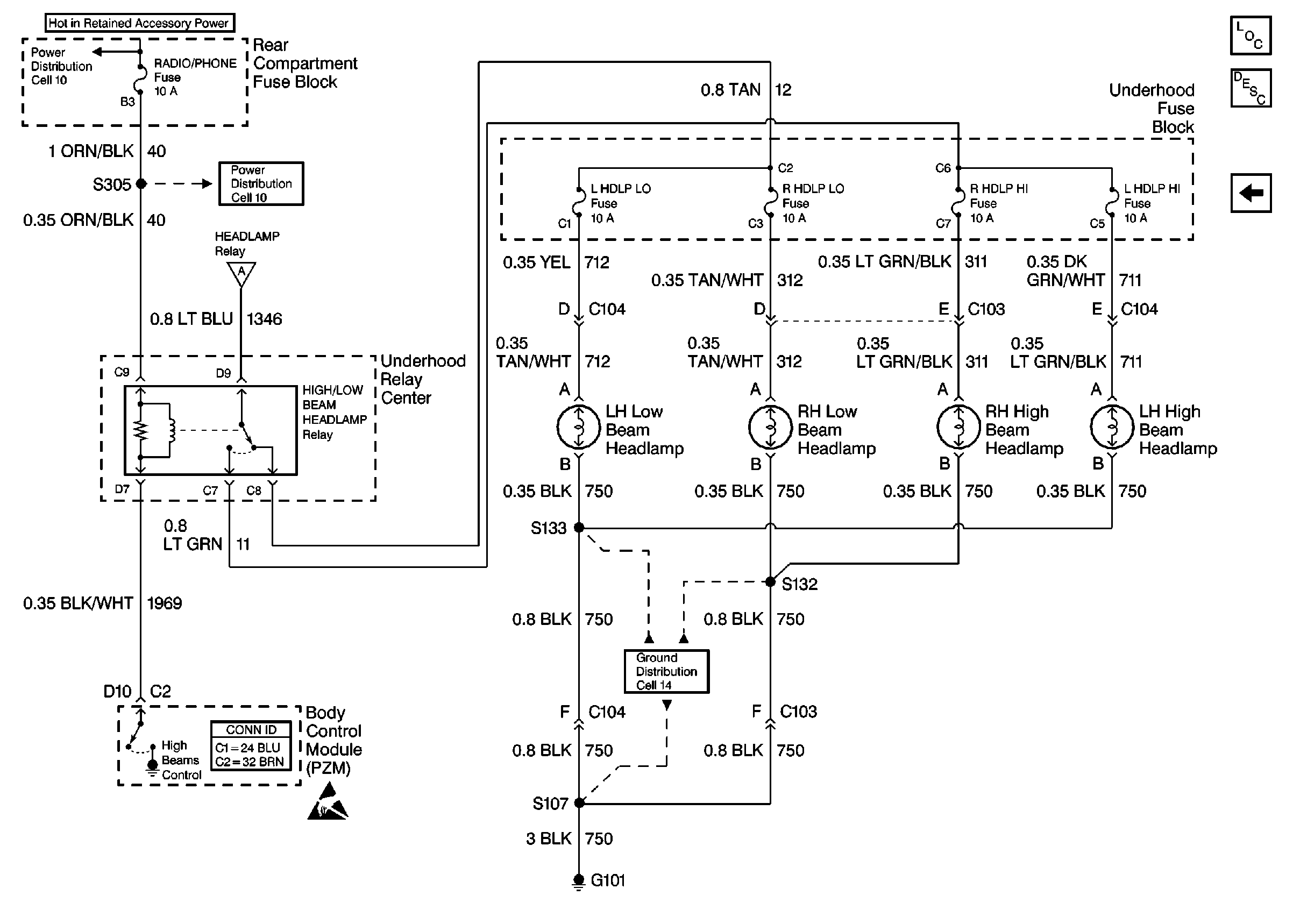
Lighting Systems Components
Headlights Circuit Description
Cell 100: Headlamp Switch and Headlamp Control
Cell 100: Headlamp Switch and Headlamp Control
Ground Distribution Schematics
Power Distribution Schematics
Power Distribution Schematics
Handling ESD Sensitive Parts Notice
Body Control System Connector End Views