GM Service Manual Online
For 1990-2009 cars only
Makes
🢒
Cadillac
🢒
1999
🢒
DeVille
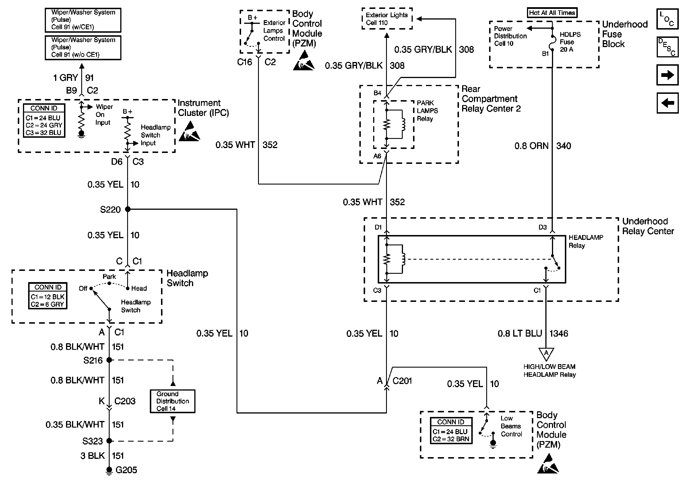
🢒 Cell 100: Headlamp Switch and Headlamp Control
Cell 100: Headlamp Switch and Headlamp Control
Cell 100: Headlamp Switch and Headlamp Control
Lighting Systems Components
Headlights Circuit Description
Cell 100: Headlamps
Cell 100: Headlamp Dimmer Switch, Ambient Light Sensor, and Twilight Sentinel
Cell 110: Headlamp Switch and Park Lamp Control
Cell 100: Headlamps
Handling ESD Sensitive Parts Notice
Body Control System Connector End Views
Ground Distribution Schematics
Handling ESD Sensitive Parts Notice
Handling ESD Sensitive Parts Notice
Instrument Panel, Gages, and Console Connector End Views
Lighting Systems Connector End Views
Cell 91: Module Inputs
Cell 91
Power Distribution Schematics