GM Service Manual Online
For 1990-2009 cars only
Makes
🢒
Cadillac
🢒
1999
🢒
DeVille
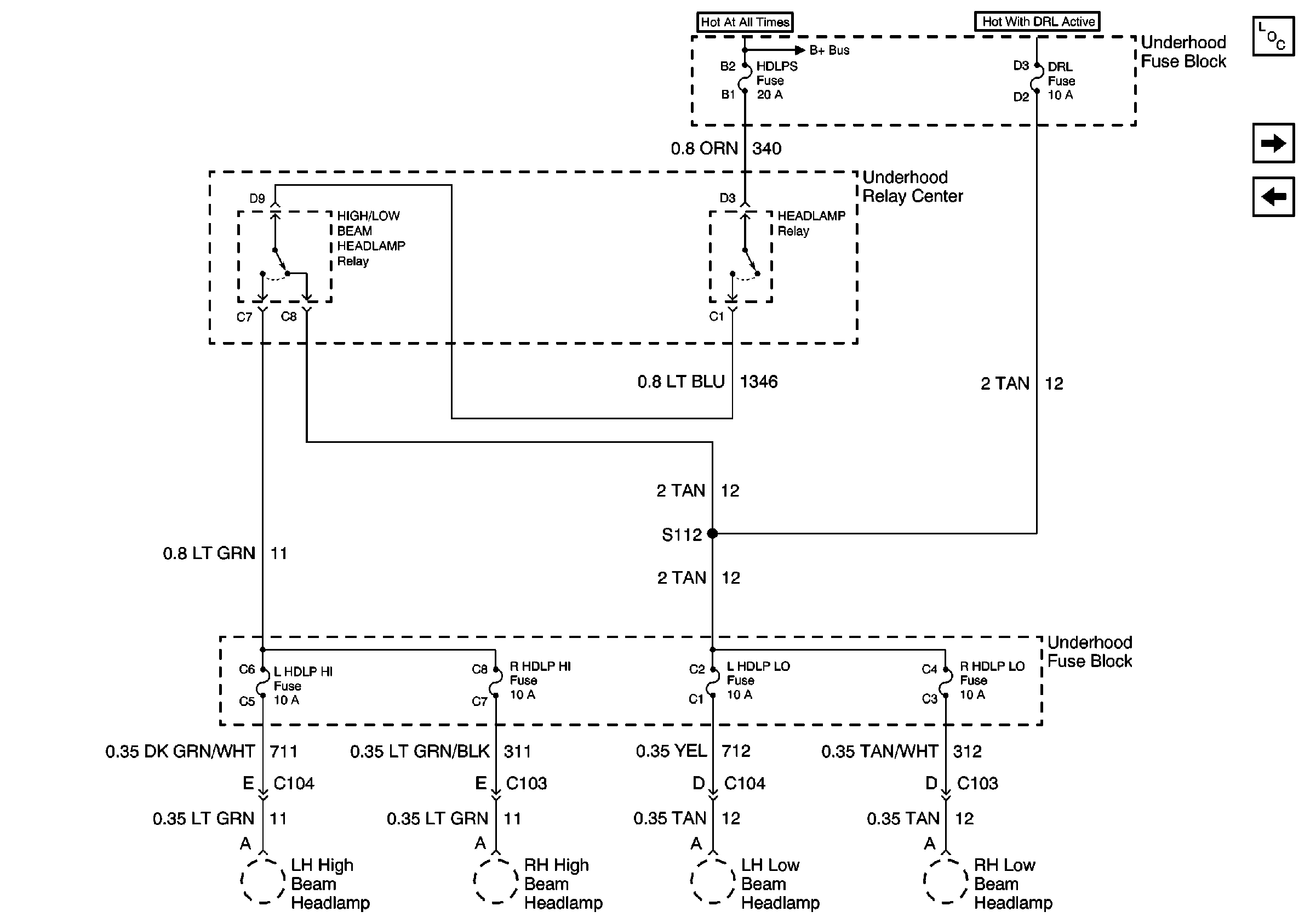
🢒 Cell 10: HDLPS, DRL, L HDLP LO, L HDLP HI, R HDLP LO, and R HDLP HI Fuses
Cell 10: HDLPS, DRL, L HDLP LO, L HDLP HI, R HDLP LO, and R HDLP HI Fuses
Cell 10: HDLPS, DRL, L HDLP LO, L HDLP HI, R HDLP LO, and R HDLP HI Fuses
Power and Grounding Components
Cell 10: MIRROR, FOG, and DRL Fuses
Cell 10: CIG LTR 1 and CIG LTR 2 Fuses
Cell 10: LAMPS Fuse