GM Service Manual Online
For 1990-2009 cars only
Makes
🢒
Cadillac
🢒
1999
🢒
DeVille
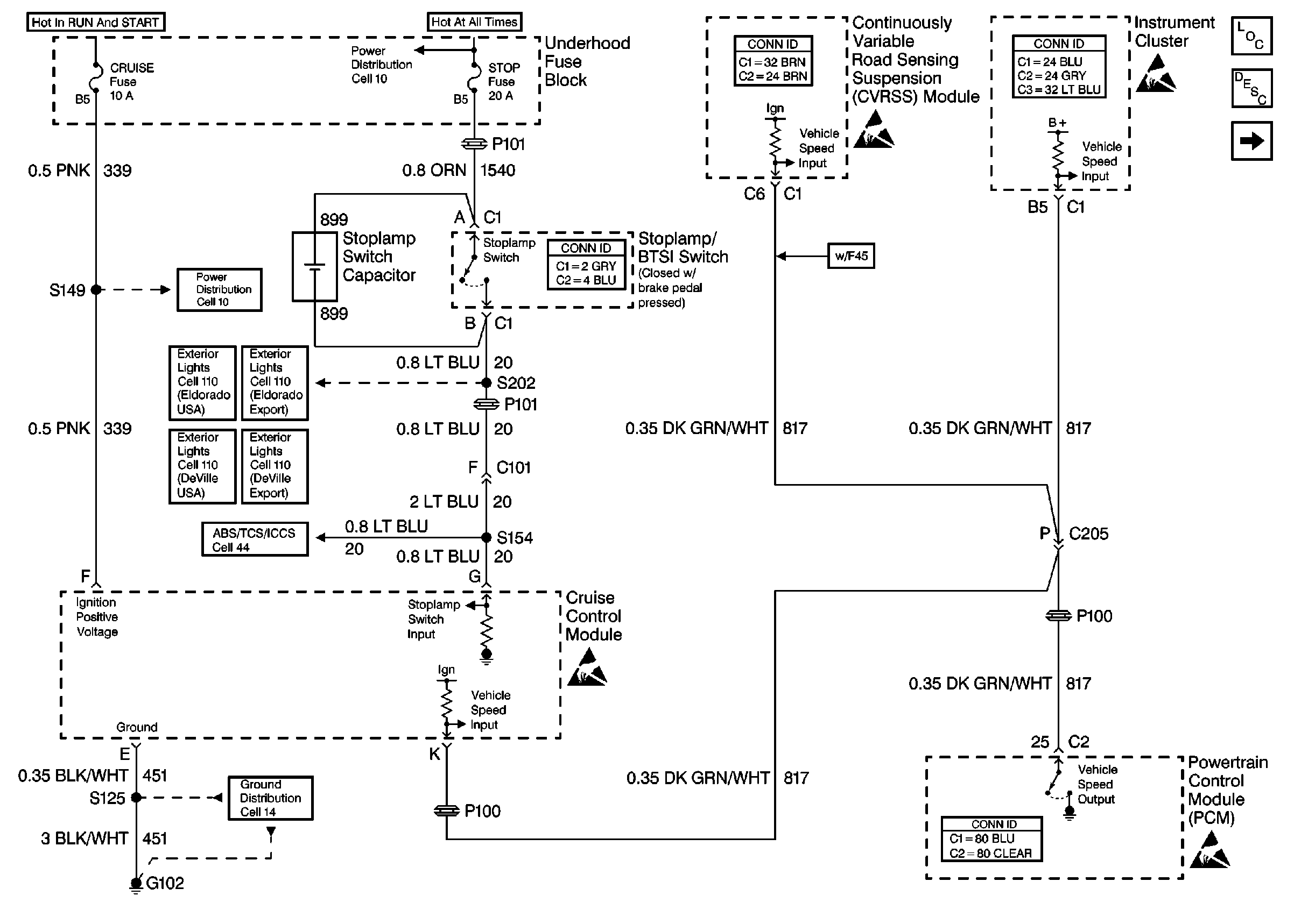
🢒 (Cell 34: Power and Ground and VSS Inputs)
(Cell 34: Power and Ground and VSS Inputs)
(Cell 34: Power and Ground and VSS Inputs)
Cruise Control Components
Cruise Control System Circuit Description
Cell 34: Switch Inputs/Outputs
Instrument Panel, Gages, and Console Connector End Views
Handling ESD Sensitive Parts Notice
Handling ESD Sensitive Parts Notice
Handling ESD Sensitive Parts Notice
Tilt Wheel/Column Connector End Views
Handling ESD Sensitive Parts Notice
Power Distribution Schematics
Exterior Lights Schematics DeVille USA
Ground Distribution Schematics
Antilock Brake System Schematics
Suspension Controls Connector End Views
Powertrain Control Module Connector End Views