GM Service Manual Online
For 1990-2009 cars only

Exterior Lights Schematics DeVille USA

Cell 110: Headlamp Switch and Park Lamp Control


Object Number: 318551  Size: FS
Lighting Systems Components
Exterior Lights Circuit Description
Cell 110: LH Park Lamps
Instrument Panel, Gages, and Console Connector End Views
Handling ESD Sensitive Parts Notice
Handling ESD Sensitive Parts Notice
Power Distribution Schematics
Power Distribution Schematics
Cell 100: Headlamp Switch and Headlamp Control
Cell 110: RH Park Lamps
Ground Distribution Schematics
Cell 110: LH Park Lamps
Cell 110: RH Park Lamps
Body Control System Connector End Views
Lighting Systems Connector End Views
Handling ESD Sensitive Parts Notice

Cell 110: LH Park Lamps


Object Number: 318556  Size: FS
Lighting Systems Components
Exterior Lights Circuit Description
Cell 110: RH Park Lamps
Cell 110: Headlamp Switch and Park Lamp Control
Ground Distribution Schematics
Ground Distribution Schematics
Power Distribution Schematics
Cell 110: Front Turn Lamps
Cell 110: Front Turn Lamps
Cell 110: Rear Turn Lamps
Cell 110: Rear Turn Lamps

Cell 110: RH Park Lamps


Object Number: 318560  Size: FS
Lighting Systems Components
Exterior Lights Circuit Description
Cell 110: Turn Signal Flasher, Hazard Flasher, and Stoplamp/BTSI Switch
Cell 110: LH Park Lamps
Cell 110: Headlamp Switch and Park Lamp Control
Ground Distribution Schematics
Ground Distribution Schematics
Power Distribution Schematics
Cell 110: Front Turn Lamps
Cell 110: Front Turn Lamps
Cell 110: Rear Turn Lamps
Cell 110: Rear Turn Lamps

Cell 110: Turn Signal Flasher, Hazard Flasher, and Stoplamp/BTSI Switch


Object Number: 318579  Size: FS
Lighting Systems Components
Exterior Lights Circuit Description
Cell 110: Front Turn Lamps
Cell 110: RH Park Lamps
Cell 110: Front Turn Lamps
Cell 110: Rear Turn Lamps
Cell 110: Rear Turn Lamps
Cell 110: Front Turn Lamps
Ground Distribution Schematics
Ground Distribution Schematics
Cell 44: Stoplamp Switch, Traction Control Switch, Torque Status, andClass 2
Power Distribution Schematics
Power Distribution Schematics

Cell 110: Front Turn Lamps


Object Number: 318584  Size: FS
Lighting Systems Components
Exterior Lights Circuit Description
Cell 110: Rear Turn Lamps
Cell 110: Turn Signal Flasher, Hazard Flasher, and Stoplamp/BTSI Switch
Cell 110: Turn Signal Flasher, Hazard Flasher, and Stoplamp/BTSI Switch
Cell 110: Turn Signal Flasher, Hazard Flasher, and Stoplamp/BTSI Switch
Instrument Panel, Gages, and Console Connector End Views
Handling ESD Sensitive Parts Notice
Ground Distribution Schematics
Cell 110: LH Park Lamps
Cell 110: LH Park Lamps
Cell 110: RH Park Lamps
Cell 110: RH Park Lamps

Cell 110: Rear Turn Lamps


Object Number: 318588  Size: FS
Lighting Systems Components
Exterior Lights Circuit Description
Cell 110: Cornering Lamps
Cell 110: Front Turn Lamps
Ground Distribution Schematics
Ground Distribution Schematics
Cell 110: LH Park Lamps
Cell 110: LH Park Lamps
Cell 110: RH Park Lamps
Cell 110: RH Park Lamps
Cell 110: Turn Signal Flasher, Hazard Flasher, and Stoplamp/BTSI Switch
Cell 110: Turn Signal Flasher, Hazard Flasher, and Stoplamp/BTSI Switch

Cell 110: Cornering Lamps


Object Number: 318592  Size: FS
Lighting Systems Components
Exterior Lights Circuit Description
Cell 110: Rear Turn Lamps
Ground Distribution Schematics
Power Distribution Schematics

Exterior Lights Schematics DeVille Export

Figure 1:

Cell 110: Headlamp Switch and Park Lamp Control


Object Number: 318551  Size: FS
Lighting Systems Components
Exterior Lights Circuit Description
Cell 110: LH Park Lamps
Instrument Panel, Gages, and Console Connector End Views
Handling ESD Sensitive Parts Notice
Handling ESD Sensitive Parts Notice
Power Distribution Schematics
Power Distribution Schematics
Cell 100: Headlamp Switch and Headlamp Control
Cell 110: RH Park Lamps
Ground Distribution Schematics
Cell 110: LH Park Lamps
Cell 110: RH Park Lamps
Body Control System Connector End Views
Lighting Systems Connector End Views
Handling ESD Sensitive Parts Notice
Figure 2:

Cell 110: LH Park Lamps


Object Number: 318564  Size: FS
Lighting Systems Components
Exterior Lights Circuit Description
Cell 110: RH Park Lamps
Cell 110: Headlamp Switch and Park Lamp Control
Cell 110: Cornering Lamps
Ground Distribution Schematics
Ground Distribution Schematics
Cell 110: Turn Signal Flasher, Hazard Flasher, and Stoplamp/BTSI Switch
Power Distribution Schematics
Figure 3:

Cell 110: RH Park Lamps


Object Number: 318566  Size: FS
Lighting Systems Components
Exterior Lights Circuit Description
Cell 110: Turn Signal Flasher, Hazard Flasher, and Stoplamp/BTSI Switch
Cell 110: LH Park Lamps
Cell 110: Cornering Lamps
Ground Distribution Schematics
Ground Distribution Schematics
Cell 110: Headlamp Switch and Park Lamp Control
Power Distribution Schematics
Cell 110: Turn Signal Flasher, Hazard Flasher, and Stoplamp/BTSI Switch
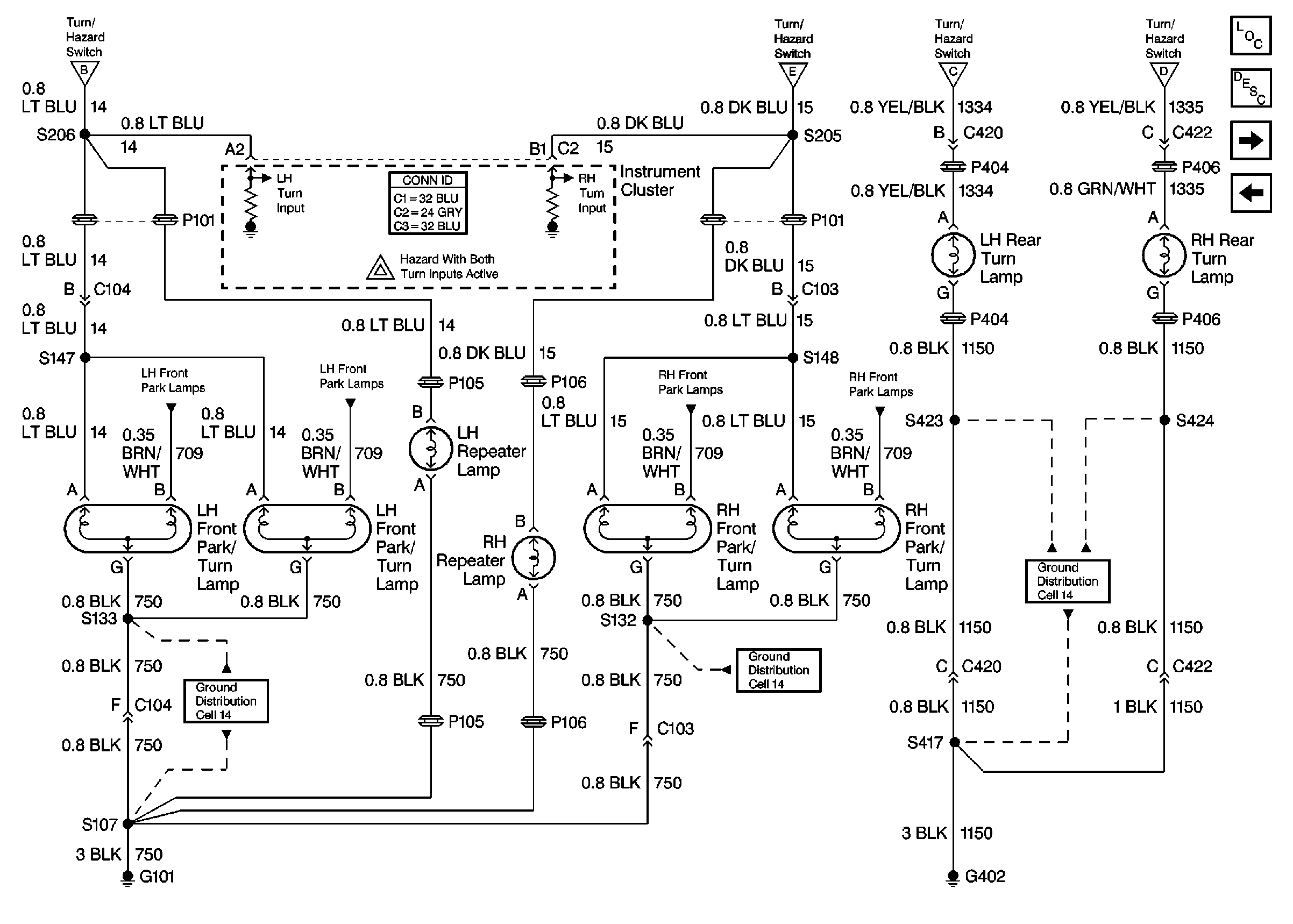
Figure 4:

Cell 110: Turn Signal Flasher, Hazard Flasher, and Stoplamp/BTSI Switch


Object Number: 318580  Size: FS
Lighting Systems Components
Exterior Lights Circuit Description
Cell 110: Turn Lamps
Cell 110: RH Park Lamps
Cell 110: Turn Lamps
Cell 110: Turn Lamps
Cell 110: Turn Lamps
Cell 110: Turn Lamps
Ground Distribution Schematics
Ground Distribution Schematics
Cell 110: LH Park Lamps
Cell 110: RH Park Lamps
Cell 110: Cornering Lamps
Power Distribution Schematics
Power Distribution Schematics
Cell 44: Stoplamp Switch, Traction Control Switch, Torque Status, andClass 2
Figure 5:

Cell 110: Turn Lamps


Object Number: 318587  Size: FS
Lighting Systems Components
Exterior Lights Circuit Description
Cell 110: Cornering Lamps
Cell 110: Turn Signal Flasher, Hazard Flasher, and Stoplamp/BTSI Switch
Cell 110: Turn Signal Flasher, Hazard Flasher, and Stoplamp/BTSI Switch
Cell 110: Turn Signal Flasher, Hazard Flasher, and Stoplamp/BTSI Switch
Cell 110: Turn Signal Flasher, Hazard Flasher, and Stoplamp/BTSI Switch
Cell 110: Turn Signal Flasher, Hazard Flasher, and Stoplamp/BTSI Switch
Instrument Panel, Gages, and Console Connector End Views
Ground Distribution Schematics
Ground Distribution Schematics
Ground Distribution Schematics
Figure 6:

Cell 110: Cornering Lamps


Object Number: 318594  Size: FS
Lighting Systems Components
Exterior Lights Circuit Description
Cell 110: Turn Lamps
Cell 110: LH Park Lamps
Cell 110: RH Park Lamps
Cell 110: Turn Signal Flasher, Hazard Flasher, and Stoplamp/BTSI Switch
Ground Distribution Schematics
Ground Distribution Schematics
Power Distribution Schematics
Cell 110: Turn Lamps
Cell 110: Turn Lamps
Cell 110: Turn Lamps
Cell 110: Turn Lamps

Exterior Lights Schematics Eldorado USA

Figure 1:

Cell 110: Headlamp Switch and Park Lamp Control


Object Number: 318551  Size: FS
Lighting Systems Components
Exterior Lights Circuit Description
Cell 110: LH Park Lamps
Instrument Panel, Gages, and Console Connector End Views
Handling ESD Sensitive Parts Notice
Handling ESD Sensitive Parts Notice
Power Distribution Schematics
Power Distribution Schematics
Cell 100: Headlamp Switch and Headlamp Control
Cell 110: RH Park Lamps
Ground Distribution Schematics
Cell 110: LH Park Lamps
Cell 110: RH Park Lamps
Body Control System Connector End Views
Lighting Systems Connector End Views
Handling ESD Sensitive Parts Notice
Figure 2:

Cell 110: LH Park Lamps


Object Number: 318569  Size: FS
Lighting Systems Components
Exterior Lights Circuit Description
Cell 110: RH Park Lamps
Cell 110: Headlamp Switch and Park Lamp Control
Ground Distribution Schematics
Ground Distribution Schematics
Power Distribution Schematics
Cell 110: Turn Lamps
Cell 110: Turn Lamps
Cell 110: Turn Lamps
Cell 110: Turn Lamps
Figure 3:

Cell 110: RH Park Lamps


Object Number: 318572  Size: FS
Lighting Systems Components
Exterior Lights Circuit Description
Cell 110: Turn Signal Flasher, Hazard Flasher, and Stoplamp/BTSI Switch
Cell 110: LH Park Lamps
Cell 110: Headlamp Switch and Park Lamp Control
Ground Distribution Schematics
Ground Distribution Schematics
Power Distribution Schematics
Cell 110: Turn Lamps
Cell 110: Turn Lamps
Cell 110: Turn Lamps
Cell 110: Turn Lamps
Figure 4:

Cell 110: Turn Signal Flasher, Hazard Flasher, and Stoplamp/BTSI Switch


Object Number: 318554  Size: FS
Lighting Systems Components
Exterior Lights Circuit Description
Cell 110: Turn Lamps
Cell 110: RH Park Lamps
Power Distribution Schematics
Power Distribution Schematics
Ground Distribution Schematics
Ground Distribution Schematics
Cell 44: Stoplamp Switch, Traction Control Switch, Torque Status, andClass 2
Cell 110: Turn Lamps
Cell 110: Turn Lamps
Cell 110: Turn Lamps
Cell 110: Turn Lamps
Figure 5:

Cell 110: Turn Lamps


Object Number: 318589  Size: FS
Lighting Systems Components
Exterior Lights Circuit Description
Cell 110: Cornering Lamps
Cell 110: Turn Signal Flasher, Hazard Flasher, and Stoplamp/BTSI Switch
Cell 110: Turn Signal Flasher, Hazard Flasher, and Stoplamp/BTSI Switch
Cell 110: Turn Signal Flasher, Hazard Flasher, and Stoplamp/BTSI Switch
Cell 110: Turn Signal Flasher, Hazard Flasher, and Stoplamp/BTSI Switch
Cell 110: Turn Signal Flasher, Hazard Flasher, and Stoplamp/BTSI Switch
Ground Distribution Schematics
Ground Distribution Schematics
Handling ESD Sensitive Parts Notice
Cell 110: LH Park Lamps
Cell 110: RH Park Lamps
Cell 110: LH Park Lamps
Cell 110: LH Park Lamps
Cell 110: LH Park Lamps
Cell 110: RH Park Lamps
Cell 110: RH Park Lamps
Cell 110: RH Park Lamps
Figure 6:

Cell 110: Cornering Lamps


Object Number: 318592  Size: FS
Lighting Systems Components
Exterior Lights Circuit Description
Cell 110: Turn Lamps
Ground Distribution Schematics
Power Distribution Schematics

Exterior Lights Schematics Eldorado Export

Figure 1:

Cell 110: Headlamp Switch and Park Lamp Control


Object Number: 318551  Size: FS
Lighting Systems Components
Exterior Lights Circuit Description
Cell 110: LH Park Lamps
Instrument Panel, Gages, and Console Connector End Views
Handling ESD Sensitive Parts Notice
Handling ESD Sensitive Parts Notice
Power Distribution Schematics
Power Distribution Schematics
Cell 100: Headlamp Switch and Headlamp Control
Cell 110: RH Park Lamps
Ground Distribution Schematics
Cell 110: LH Park Lamps
Cell 110: RH Park Lamps
Body Control System Connector End Views
Lighting Systems Connector End Views
Handling ESD Sensitive Parts Notice
Figure 2:

Cell 110: LH Park Lamps


Object Number: 318578  Size: FS
Lighting Systems Components
Exterior Lights Circuit Description
Cell 110: RH Park Lamps
Cell 110: Headlamp Switch and Park Lamp Control
Ground Distribution Schematics
Ground Distribution Schematics
Power Distribution Schematics
Cell 110: Turn Signal Flasher, Hazard Flasher, and Stoplamp/BTSI Switch
Figure 3:

Cell 110: RH Park Lamps


Object Number: 318576  Size: FS
Lighting Systems Components
Exterior Lights Circuit Description
Cell 110: Turn Signal Flasher, Hazard Flasher, and Stoplamp/BTSI Switch
Cell 110: LH Park Lamps
Cell 103: Rear Fog Lamps
Cell 110: Headlamp Switch and Park Lamp Control
Cell 110: Turn Signal Flasher, Hazard Flasher, and Stoplamp/BTSI Switch
Ground Distribution Schematics
Ground Distribution Schematics
Power Distribution Schematics
Figure 4:

Cell 110: Turn Signal Flasher, Hazard Flasher, and Stoplamp/BTSI Switch


Object Number: 318580  Size: FS
Lighting Systems Components
Exterior Lights Circuit Description
Cell 110: Turn Lamps
Cell 110: RH Park Lamps
Cell 110: Turn Lamps
Cell 110: Turn Lamps
Cell 110: Turn Lamps
Cell 110: Turn Lamps
Ground Distribution Schematics
Ground Distribution Schematics
Ground Distribution Schematics
Cell 110: LH Park Lamps
Cell 110: RH Park Lamps
Power Distribution Schematics
Power Distribution Schematics
Cell 44: Stoplamp Switch, Traction Control Switch, Torque Status, andClass 2
Figure 5:

Cell 110: Turn Lamps


Object Number: 318591  Size: FS
Lighting Systems Components
Exterior Lights Circuit Description
Cell 110: Turn Signal Flasher, Hazard Flasher, and Stoplamp/BTSI Switch
Cell 110: Turn Signal Flasher, Hazard Flasher, and Stoplamp/BTSI Switch
Cell 110: Turn Signal Flasher, Hazard Flasher, and Stoplamp/BTSI Switch
Cell 110: Turn Signal Flasher, Hazard Flasher, and Stoplamp/BTSI Switch
Cell 110: Turn Signal Flasher, Hazard Flasher, and Stoplamp/BTSI Switch
Ground Distribution Schematics
Ground Distribution Schematics
Ground Distribution Schematics
Instrument Panel, Gages, and Console Connector End Views