GM Service Manual Online
For 1990-2009 cars only
Makes
🢒
Cadillac
🢒
1999
🢒
DeVille
🢒 Cell 147: Power Mirror Switch, Eldorado with Memory Mirrors
Cell 147: Power Mirror Switch, Eldorado with Memory Mirrors
Cell 147: Power Mirror Switch, Eldorado with Memory Mirrors
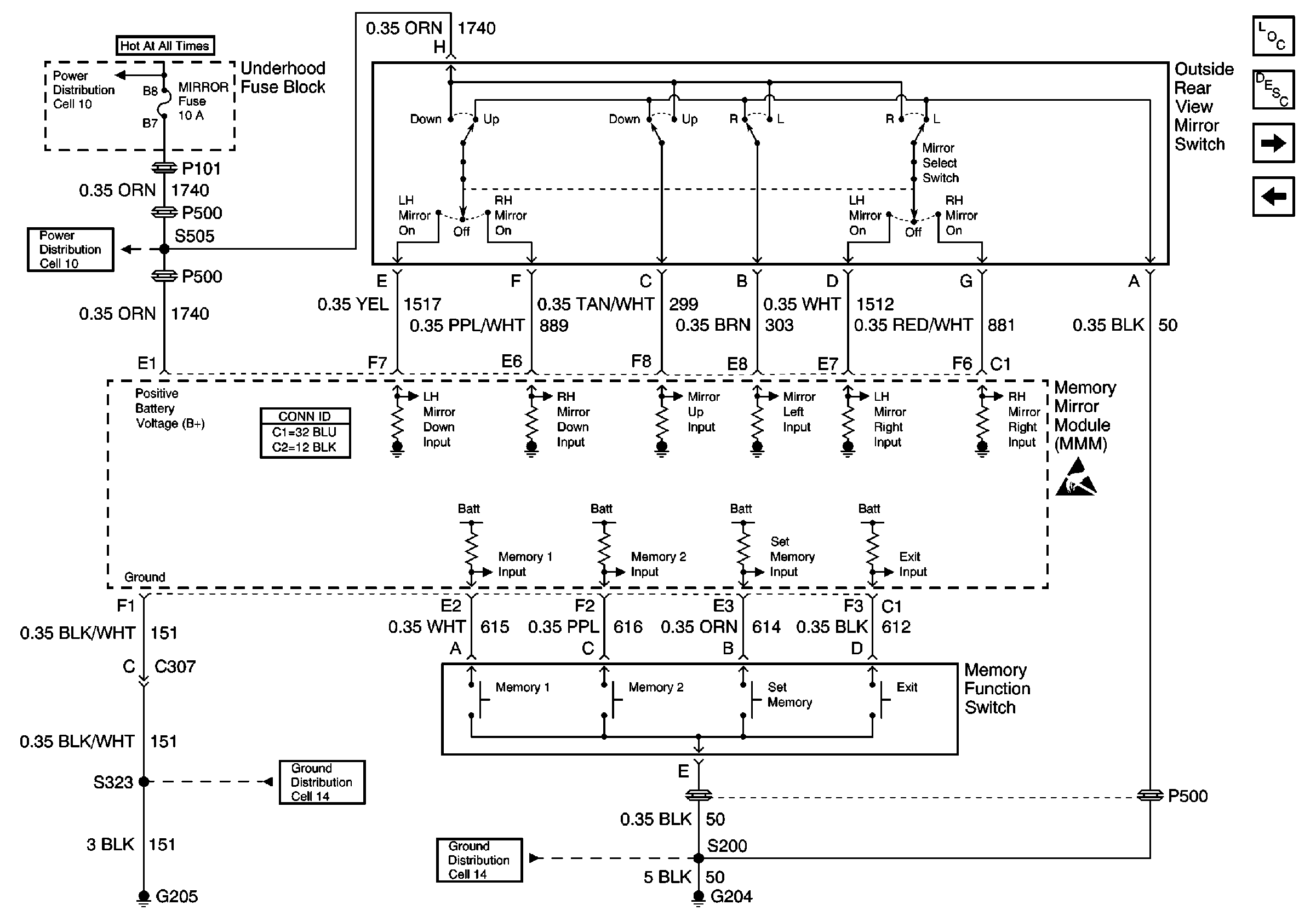
Power Door Systems Components
Outside Mirrors Circuit Description
Cell 147: Outside Power Mirrors, Eldorado with Memory Mirrors
Cell 147: Outside Power Mirrors, Deville with Memory Mirrors
Handling ESD Sensitive Parts Notice
Cell 14: G205
Cell 14: G204
Cell 10: MIRROR, FOG, and DRL Fuses
Cell 10: MIRROR, FOG, and DRL Fuses